P-257-004e - 第67页
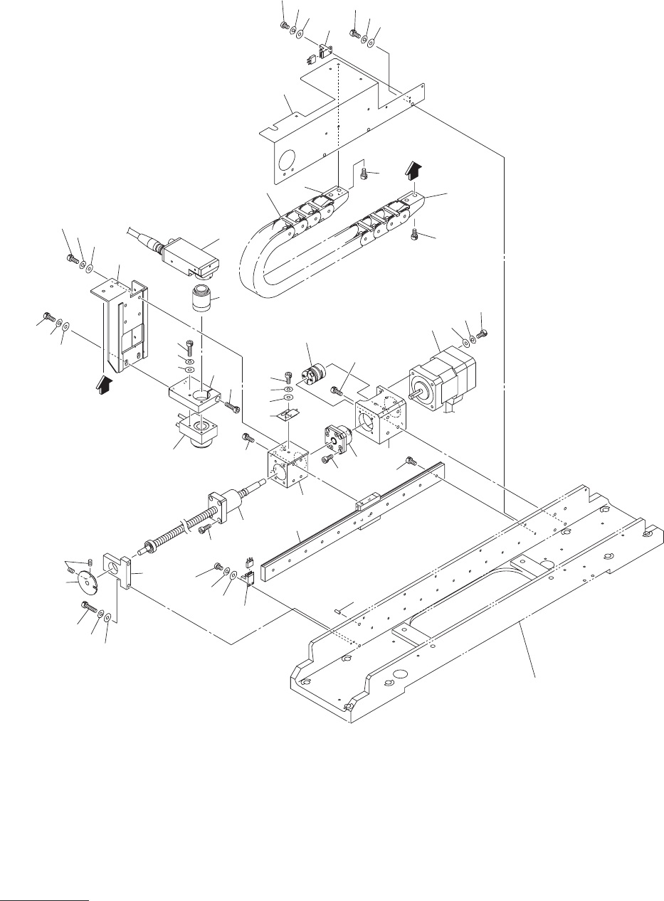
65 MODEL PXH-1 071 1-002 Fig. FB スクリーン認識部 SCREEN RECOGNITION SECTION

MEMO

65
MODEL PXH-1
0711-002
Fig. FB
スクリーン認識部
SCREEN RECOGNITION SECTION

MODEL PXH-1
1006-003
66
6
68
72
73
74
1 1
A
10
9
77
78
26
63
64
65
67
72
73
24
70
2
80
4
27
1
73
3
80
17
5
69
18
66
19
76
77
78
See Fig.
F A- 1
Key No.22
15
72
68
75
79
22
75
80
A
72
73
13
12
14
25
61
82
81
6
74
61
82
81
スクリーン認識部
SCREEN RECOGNITION SECTION
Fig. FB-1
スクリーン認識X部
Screen Recognition X Section