00198437-03_UM_JTF-ML2_TX12_V1-V2_de - 第53页
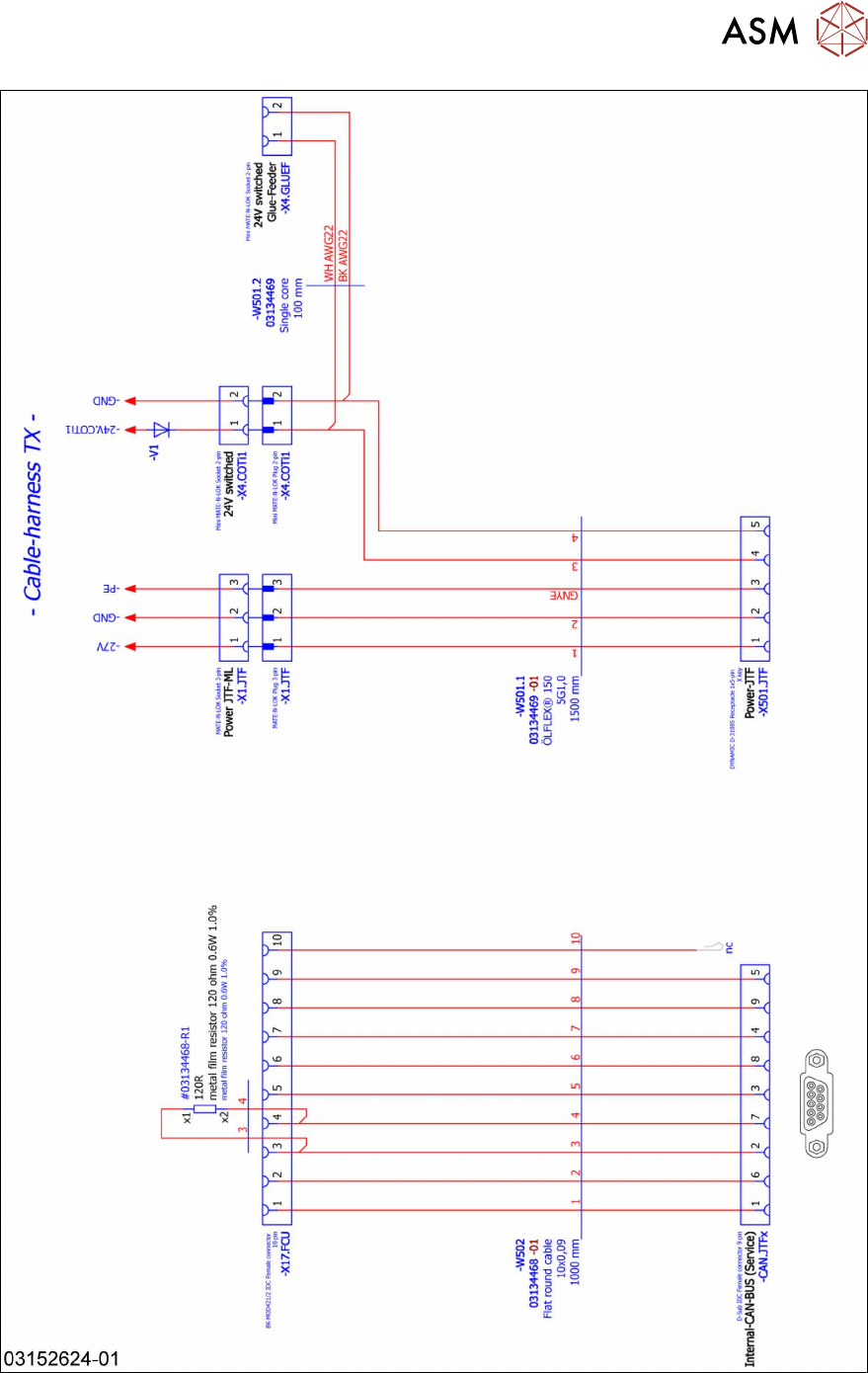
4 Aufstellen und Inbetriebnahme 4.2 Nachrüstung an der SIPLACE TX-Serie Bedienungsanleitung SIPLACE TX V1/V2 Serie JEDEC Tray Feeder (JTF-ML2) 11/2019 53 Abb.93: Verkabelung SIPLACE JTF-ML2 an SIPLACE TX-Serie V1 – Teil…

4 Aufstellen und Inbetriebnahme
4.2 Nachrüstung an der SIPLACE TX-Serie
52 Bedienungsanleitung SIPLACE TX V1/V2 Serie JEDEC Tray Feeder (JTF-ML2) 11/2019
Abb.92: Verkabelung SIPLACE JTF-ML2 an SIPLACE TX-Serie V1 – Teil 1

4 Aufstellen und Inbetriebnahme
4.2 Nachrüstung an der SIPLACE TX-Serie
Bedienungsanleitung SIPLACE TX V1/V2 Serie JEDEC Tray Feeder (JTF-ML2) 11/2019 53
Abb.93: Verkabelung SIPLACE JTF-ML2 an SIPLACE TX-Serie V1 – Teil 2

4 Aufstellen und Inbetriebnahme
4.2 Nachrüstung an der SIPLACE TX-Serie
54 Bedienungsanleitung SIPLACE TX V1/V2 Serie JEDEC Tray Feeder (JTF-ML2) 11/2019
4.2.5.10 Elektrische Verbindungen herstellen an der SIPLACE TX Serie V2
Verwenden Sie dazu für die SIPLACE TX‑Serie V2 folgende Kabel:
●
Kabel: JTF Power und 24V_S [03147684-xx]
●
Kabel: JTF CAN [03147687-xx]
Beachten Sie dazu auch die Wirkschaltpläne (s.u.).
► Bauen Sie die Gurtabfallrutsche aus.
Abb.94: Stecker am SIPLACE JTF-ML2 (SIPLACETXV2)
► (1) Stecken Sie die Kabel
[03134469‑xx] und [03134468‑xx] am
SIPLACE JTF‑ML2 an.
► Verlegen Sie die Kabel unter dem
Transport des SIPLACE JTF‑ML2 hin-
durch zur Anschlussbaugruppe.
Abb.95: Kabelführung (SIPLACE TX V2)
► Achten Sie auf die korrekte Kabelfüh-
rung der Kabel [03134469‑xx] und
[03134468‑xx](1) am Transport. Die
Kabel müssen hinter dem Haltewin-
kel(2) vorbeigeführt werden. Benutzen
Sie nicht die zwei Sockel.
Abb.96: Kabel mit angedocktem BE‑Wagen
Anschlussbaugruppe:
1. Power Kabel
2. Glue Feeder
3. Can Bus
► Stecken Sie das Power-Kabel
[03147684‑xx] am Stecker X8 der FCU
Unit an.
► Stecken Sie das CAN-Bus-Kabel an
den Stecker X104 der Anschlussbau-
gruppe an.