TR6SNR_TR6SNV_TR6SNX-Rev04PDFA - 第33页
- 30 - REF.NO NOT E PART NO D E S C R I P T I O N 品 名 Qty 1 400-4 5047 ZM DRIVER C ABLE ASM . ZM ドライ バーケーブル 組 1 2 400-45048 Z M ENCODER CABLE ASM. ZM エンコ ードケーブル 組 1 3 400-4 6171 ZM MOTOR CABL E ASM. ZM モータ ーケーブル組 1 4 400…

- 29 -
15. WIRING DIAGRAM (2)
WIRING DIAGRAM(2)
SHD
ZMP3
ZM2
MAIN18
ZM1MAIN17
3_1A
1_3B1_5C
CNP3
3
2
1
3
2
1
CN2CN1
CN18
ZM_BRK_RLS[N]
+24VD
2
1
SD
BAT
MDR
MD
MRR
MR
LG
P5
FG
ZM DRIVER(2/2)
2
ZM
MOTOR
(LOWER)
8
MAIN PCB(2/8)
N.C
ZM_DRV_RDY
ZM_ALM
GND
GND
N.C
ZM_LMT-
ZM_LMT+
EMG
ZM_CNT_RST[N]
N.C
N.C
N.C
N.C
N.C
ZM_PULSE
N.C
ZM_Z[N]
N.C
N.C
GND
N.C
GND
N.C
N.C
N.C
ZM_INP
N.C
N.C
+24V
+24V
ZM_ALM_RST[N]
N.C
N.C
N.C
ZM_SV_ON
N.C
N.C
+24V
N.C
ZM_DIR
N.C
N.C
ZM_LBR
ZM_LB
ZM_LAR
ZM_LA
LG
N.C
N.C
2
1
BR
M
E
W
V
U
CN17
8
7
6
5
4
3
2
1
8
7
6
5
4
3
2
1
50
49
48
47
46
45
44
50
49
48
47
46
45
44
43
42
41
40
39
38
37
36
35
34
33
32
31
30
29
28
27
26
25
24
23
22
21
20
19
18
17
16
15
14
13
12
11
10
9
8
7
6
5
4
3
2
1
43
42
41
40
39
38
37
36
35
34
33
32
31
30
29
28
27
26
25
24
23
22
21
20
19
18
17
16
15
14
13
12
11
10
9
8
7
6
5
4
3
2
1
50
49
48
47
46
45
44
50
49
48
47
46
45
44
43
42
41
40
39
38
37
36
35
34
33
32
31
30
29
28
27
26
25
24
23
22
21
20
19
18
17
16
15
14
13
12
11
10
9
8
7
6
5
4
3
2
1
43
42
41
40
39
38
37
36
35
34
33
32
31
30
29
28
27
26
25
24
23
22
21
20
19
18
17
16
15
14
13
12
11
10
9
8
7
6
5
4
3
2
1
MITSUBISHI
HF-KP43B
1
2
3
4

- 30 -
REF.NO NOTE PART NO D E S C R I P T I O N
品 名
Qty
1 400-45047 ZM DRIVER CABLE ASM.
ZM ドライバーケーブル組
1
2 400-45048 ZM ENCODER CABLE ASM.
ZM エンコードケーブル組
1
3 400-46171 ZM MOTOR CABLE ASM.
ZM モーターケーブル組
1
4 400-46172 ZM BRAKE CABLE ASM.
ZM ブレイカーケーブル組
1

- 31 -
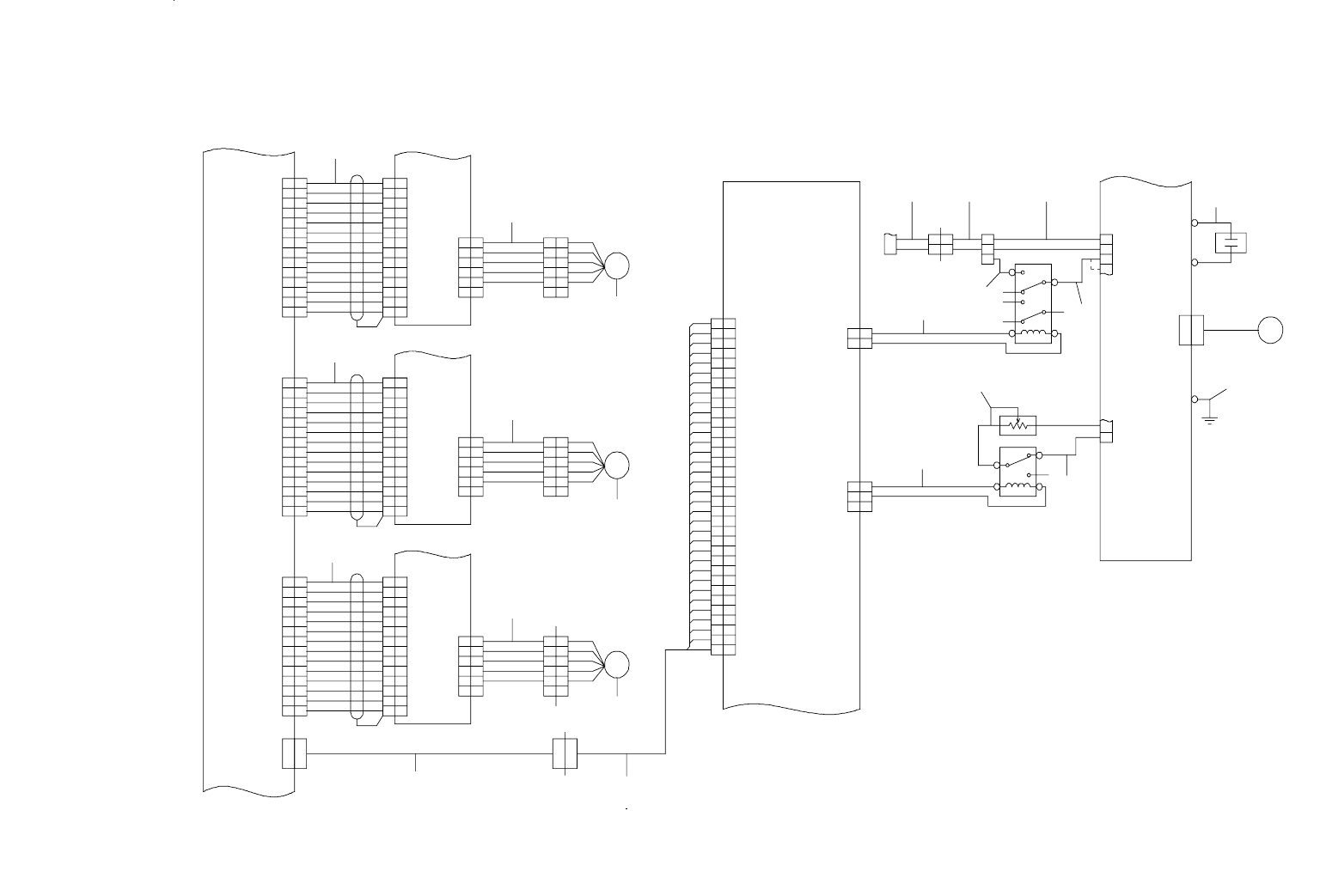
16. WIRING DIAGRAM (3)
WIRING DIAGRAM(3)
BR
CN005
N.C
33
CN007 CN007
BR
2
1
2
1
CN006 CN006
BR
34P
34P
SHD
SHD
SHD
CN005
BLU
YLW
ORG
RED
BLK
6
5
4
3
2
1
6
5
4
3
2
1
SDRV2
BLU
YLW
ORG
RED
BLK
6
5
4
3
2
1
6
5
4
3
2
1
FG
BLU
YLW
ORG
RED
BLK
S_MOTOR
M
CN004
BLU
YLW
ORG
RED
BLK
6
5
4
3
2
1
6
5
4
3
2
1
YDRV2
BLU
YLW
ORG
RED
BLK
6
5
4
3
2
1
6
5
4
3
2
1
FG
BLU
YLW
ORG
RED
BLK
Y_MOTOR
M
CN003
BLU
YLW
ORG
RED
BLK
6
5
4
3
2
1
6
5
4
3
2
1
1_5A
SCP1
CNV03
CNV02
CN03
CN02
CNV01CN01
CN2
MAIN2
34P
MAIN11 SDR V 3
YDRV3MAIN21
XDRV2
XDRV3MAIN16
10_3A
4_2A
1_1D
1_4D
1_4C
1_4C
2_1D
CONDENSER
10P
CN1
10P
SPD_MAX [N]
+24V
2
1
CONV_EXAM_SV[N]
+24V
2
1
TB5
-
-
+
TB2(2/2)
-
+
CCW
CW
24V_IN-
24V_IN+
5
6
87
2
4
1
3
RLY7
2
1
CONVEYOR PCB(1/2)
+24V
+24V
+24VRTN
+24VRTN
+24VRTN
+24V
SPD_M AX[N]
CNV_MTR_ON[N]
FOOT_SW[N]
CNV_EXAM_LD[N]
CNV_EXAM_SW[N]
CNV_EXAM_STOP[N]
CNV_SW[N]
CONVEYOR_LD[N]
EMG_OUT3
EMG_OUT4
EMG_IN4
EMG_I N3(+5V)
BOARD_AVAILABLE3
CNV_R[N]
CNV_L[N]
BOARD_AVAILABLE3[N]
READY_IN[N]
READY_IN
BOARD _AVAILABLE1[N]
BOARD_AVAILABLE1
READY _OUT[N]
READY_OUT
+5V
+5V
+5V
GND
GND
GND
34
33
32
31
30
29
28
27
26
25
24
23
22
21
20
19
18
17
16
15
14
13
12
11
10
9
8
7
6
5
4
3
2
1
34
33
32
31
30
29
28
27
26
25
24
23
22
21
20
19
18
17
16
15
14
13
12
11
10
9
8
7
6
5
4
3
2
1
CN2
34P
BLU
YLW
ORG
RED
BLK
6
5
4
3
2
1
6
5
4
3
2
1
S.C.P(2/2)
S DRIVER(2/2)
Y DRIVER(2/2)
X DRIVER(2/2)
MAIN PCB(3/8)
CN11
N.C
N.C
N.C
GND
S_ALM[N]
N.C
GND
N.C
S_PD[N]
+5V
S_ CCW[N]
+5V
S_CW[N]
+5V
CN3CN21
N.C
N.C
N.C
GND
Y_ALM[N]
N.C
GND
N.C
Y_PD[N]
+5V
Y_ CCW[N]
+5V
Y_CW[N]
+5V
CN2
CN2
CN3
CN3
CN3
1
4
3
8(VR2)
5
3
2
7(VR1)
1
2
RLY8
2
1
FG
C(-)
C(+)
C MOTOR
M
FG
CN16
N.C
N.C
N.C
GND
X_ALM[N]
N.C
GND
N.C
X_PD[N]
+5V
X_ CCW[N]
+5V
X_CW[N]
+5V
BLU
YLW
ORG
RED
BLK
X_MOTOR
M
14
13
12
11
10
9
8
7
6
5
4
3
2
1
14
13
12
11
10
9
8
7
6
5
4
3
2
1
14
13
12
11
10
9
8
7
6
5
4
3
2
1
14
13
12
11
10
9
8
7
6
5
4
3
2
1
14
13
12
11
10
9
8
7
6
5
4
3
2
1
14
13
12
11
10
9
8
7
6
5
4
3
2
1
14
13
12
11
10
9
8
7
6
5
4
3
2
1
14
13
12
11
10
9
8
7
6
5
4
3
2
1
14
13
12
11
10
9
8
7
6
5
4
3
2
1
14
13
12
11
10
9
8
7
6
5
4
3
2
1
14
13
12
11
10
9
8
7
6
5
4
3
2
1
14
13
12
11
10
9
8
7
6
5
4
3
2
1
SANYO
103H7522-7051
SANYO
103H7523-7051
G2R-1-S DC24V
OMRON
LY2 DC24V
OMRON
USM425-401W
ORIENTAL MOTOR
CH80CFAUL
ORIENTAL MOTOR
SANYO
103H7523-7051
1
4
2
3
5
6
7
8
9
10
11
23
18
17
12
13
15
14
16
20
19
21
22