CP45NEO Technical Reference_CS_Ver - 第115页
SAMSUNG TECHWIN Page 1 15 CP45NEO F eeder Board Interface (1/4) 7 5 4 8 6 CN1P 8P 1 3 2 FEEDER I/F BOARD FEEDER I/F BOARD +24V GND GND +24VP /IO_RESET +24G +12G +12V CAN_H CAN_L 4 5 6 4P CN4P 6P CN3P 4 5 6 4 5 6 1 1 3 4 …

SAMSUNG TECHWIN
Page
114
CP45NEO
VME Console Interface
CONSOLE2
CONSOLE3
MVME-3100
5
4
3
2
7
8
1
CONSOLE1
REAR POWER PANEL
TRAY FEEDER RS-232C #1
VM01
VM02
VM03
6
BLUE
BROWN/WHITE
BROWN
BLUE/WHITE
GREEN/WHITE
ORANGE
ORANGE/WHITE
GREEN
7
1
8
6
2
3
5
4
5
20
6
V_RXD
V_TXD
GND
DSC-P25
7
4
3
2
BLUE
BROWN/WHITE
BROWN
BLUE/WHITE
GREEN/WHITE
ORANGE
ORANGE/WHITE
GREEN
7
1
8
6
2
3
5
4
5
20
6
V_RXD
V_TXD
GND
DSC-P25
7
4
3
2
TRAY FEEDER RS-232C #2
REAR POWER PANEL

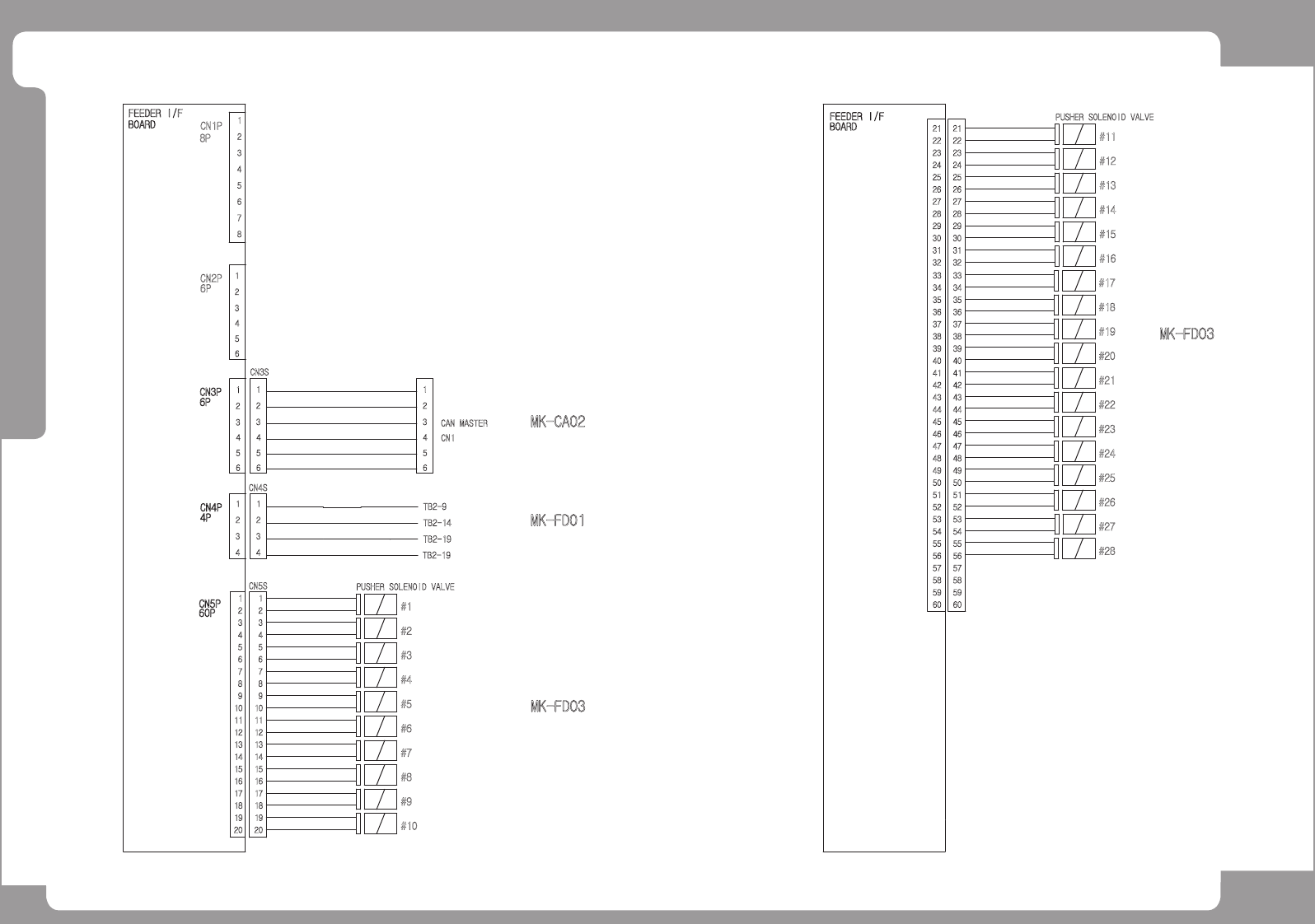
SAMSUNG TECHWIN
Page
115
CP45NEO
Feeder Board Interface (1/4)
7
5
4
8
6
CN1P
8P
1
3
2
FEEDER I/F
BOARD
FEEDER I/F
BOARD
+24V
GND
GND
+24VP
/IO_RESET
+24G
+12G
+12V
CAN_H
CAN_L
4
5
6
4P
CN4P
6P
CN3P
4
5
6
4
5
6
1 1
3
4
2
3
4
2
CN4S
2
2
3
3
CN3S
1
1
6P
CN2P
3
1
2
TB2-9
TB2-19
TB2-14
3
4
5
6
2
1
CAN MASTER
CN1
MK-FD01
MK-CA02
TB2-19
2 2
13 13
OUT2.1
20
19
20
19
+24VP
16 16
18
17
18
17
15
14
15
14
+24VP
+24VP
OUT2.0
+24VP
OUT1.7
+24VP
12
11
12
11
9
10
8
9
10
8
+24VP
OUT1.6
OUT1.5
+24VP
OUT1.4
5 5
7
6
7
6
4
3
4
3
OUT1.2
+24VP
OUT1.3
+24VP
OUT1.1
#10
#8
#9
#7
#4
#6
#5
#3
#2
PUSHER SOLENOID VALVE
CN5P
60P
CN5S
1 1
+24VP
OUT1.0
#1
24 24
31
32
30
31
32
30
27 27
29
28
29
28
26
25
26
25
#15
#16
#13
#14
23
22
23
22
21 21
#12
#11
+24VP
+24VP
OUT2.7
OUT2.5
OUT2.6
+24VP
OUT2.4
+24VP
+24VP
OUT2.3
+24VP
OUT2.2
+24VP
+24VP
+24VP
OUT3.1
OUT3.2
OUT3.0
+24VP
OUT4.3
+24VP
+24VP
+24VP
OUT4.1
OUT4.0
OUT4.2
+24VP
+24VP
+24VP
OUT3.7
OUT3.4
OUT3.6
OUT3.5
+24VP
OUT3.3
+24VP
57 57
60
59
58
60
59
58
56
55
54
53
52
56
55
53
54
52
46 46
48
50
51
49
47
49
50
51
48
47
41
42
43
44
45 45
44
42
43
41
35 35
38
37
36
39
40
38
39
40
37
36
34
33
34
33
#26
#28
#27
#25
#24
#22
#23
#21
#19
#20
#18
#17
MK-FD03
MK-FD03
PUSHER SOLENOID VALVE

SAMSUNG TECHWIN
Page
116
CP45NEO
Feeder Board Interface (2/4)
FEEDER I/F
BOARD
FEEDER I/F
BOARD
2 2
13 13
OUT5.5
20
19
20
19
+24VP
16 16
18
17
18
17
15
14
15
14
+24VP
+24VP
OUT5.4
+24VP
OUT5.3
+24VP
12
11
12
11
9
10
8
9
10
8
+24VP
OUT5.2
OUT5.1
+24VP
OUT5.0
5 5
7
6
7
6
4
3
4
3
OUT4.6
+24VP
OUT4.7
+24VP
OUT4.5
#38
#36
#37
#35
#32
#34
#33
#31
#30
PUSHER SOLENOID VALVE
CN6P
60P
CN6S
1 1
+24VP
OUT4.4
#29
24 24
+24VP
31
32
30
31
32
30
+24VP
OUT6.3
27 27
29
28
29
28
26
25
26
25
OUT6.1
OUT6.2
+24VP
OUT6.0
+24VP
#43
#44
#41
#42
23
22
23
22
21 21
+24VP
OUT5.7
+24VP
OUT5.6
#40
#39
+24VP
+24VP
+24VP
OUT6.5
OUT6.6
OUT6.4
+24VP
OUT7.7
+24VP
+24VP
+24VP
OUT7.5
OUT7.4
OUT7.6
+24VP
+24VP
+24VP
OUT7.3
OUT7.0
OUT7.2
OUT7.1
+24VP
OUT6.7
+24VP
57 57
60
59
58
60
59
58
56
55
54
53
52
56
55
53
54
52
46 46
48
50
51
49
47
49
50
51
48
47
41
42
43
44
45 45
44
42
43
41
35 35
38
37
36
39
40
38
39
40
37
36
34
33
34
33
#54
#56
#55
#53
#52
#50
#51
#49
#47
#48
#46
#45
MK-FD04
2
4
3
1
6
8
7
5
10
12
11
9
12
11
9
10
8
2
5
7
6
4
3
1
12
11
9
10
8
2
5
7
6
4
3
1
12
11
9
10
8
2
5
7
6
4
3
1
12
11
9
10
8
2
5
7
6
4
3
1
12
11
9
10
8
2
5
7
6
4
3
1
12
11
9
10
8
2
5
7
6
4
3
1
12
11
9
10
8
2
5
7
6
4
3
1
CN7P
12P
CN7S
CN8P
12P
CN8S
CN9P
12P
CN9S
CN10P
12P
CN10S