CP45NEO Technical Reference_CS_Ver - 第118页
SAMSUNG TECHWIN Page 1 18 CP45NEO F eeder Board Interface (4/4) FEEDER I/F BOARD FEEDER I/F BOARD 2 2 13 13 OUT5.5 20 19 20 19 +24VP 16 16 18 17 18 17 15 14 15 14 +24VP +24VP OUT5.4 +24VP OUT5.3 +24VP 12 11 12 11 9 10 8 …

SAMSUNG TECHWIN
Page
117
CP45NEO
Feeder Board Interface (3/4)
FEEDER I/F
BOARD
MK-FD05
2
13
20
19
16
18
17
15
14
12
11
9
10
8
5
7
6
4
3
CN13P
60P
1
24
31
32
30
27
29
28
26
25
23
22
21
57
60
59
58
56
55
54
53
52
46
48
50
51
49
47
41
42
43
44
45
35
38
37
36
39
40
34
33
2
13
OUT2.1
20
19
+24VP
16
18
17
15
14
+24VP
+24VP
OUT2.0
+24VP
OUT1.7
+24VP
12
11
9
10
8
+24VP
OUT1.6
OUT1.5
+24VP
OUT1.4
5
7
6
4
3
OUT1.2
+24VP
OUT1.3
+24VP
OUT1.1
#10
#8
#9
#7
#4
#6
#5
#3
#2
PUSHER SOLENOID VALVE
CN13S
1
+24VP
OUT1.0
#1
24
+24VP
31
32
30
+24VP
OUT2.7
27
29
28
26
25
OUT2.5
OUT2.6
+24VP
OUT2.4
+24VP
#15
#16
#13
#14
23
22
21
+24VP
OUT2.3
+24VP
OUT2.2
#12
#11
+24VP
+24VP
+24VP
OUT3.1
OUT3.2
OUT3.0
+24VP
OUT4.3
+24VP
+24VP
+24VP
OUT4.1
OUT4.0
OUT4.2
+24VP
+24VP
+24VP
OUT3.7
OUT3.4
OUT3.6
OUT3.5
+24VP
OUT3.3
+24VP
57
60
59
58
56
55
53
54
52
46
49
50
51
48
47
45
44
42
43
41
35
38
39
40
37
36
34
33
#26
#28
#27
#25
#24
#22
#23
#21
#19
#20
#18
#17

SAMSUNG TECHWIN
Page
118
CP45NEO
Feeder Board Interface (4/4)
FEEDER I/F
BOARD
FEEDER I/F
BOARD
2 2
13 13
OUT5.5
20
19
20
19
+24VP
16 16
18
17
18
17
15
14
15
14
+24VP
+24VP
OUT5.4
+24VP
OUT5.3
+24VP
12
11
12
11
9
10
8
9
10
8
+24VP
OUT5.2
OUT5.1
+24VP
OUT5.0
5 5
7
6
7
6
4
3
4
3
OUT4.6
+24VP
OUT4.7
+24VP
OUT4.5
#38
#36
#37
#35
#32
#34
#33
#31
#30
PUSHER SOLENOID VALVE
CN14P
60P
CN14S
1 1
+24VP
OUT4.4
#29
24 24
+24VP
31
32
30
31
32
30
+24VP
OUT6.3
27 27
29
28
29
28
26
25
26
25
OUT6.1
OUT6.2
+24VP
OUT6.0
+24VP
#43
#44
#41
#42
23
22
23
22
21 21
+24VP
OUT5.7
+24VP
OUT5.6
#40
#39
+24VP
+24VP
+24VP
OUT6.5
OUT6.6
OUT6.4
+24VP
OUT7.7
+24VP
+24VP
+24VP
OUT7.5
OUT7.4
OUT7.6
+24VP
+24VP
+24VP
OUT7.3
OUT7.0
OUT7.2
OUT7.1
+24VP
OUT6.7
+24VP
57 57
60
59
58
60
59
58
56
55
54
53
52
56
55
53
54
52
46 46
48
50
51
49
47
49
50
51
48
47
41
42
43
44
45 45
44
42
43
41
35 35
38
37
36
39
40
38
39
40
37
36
34
33
34
33
#54
#56
#55
#53
#52
#50
#51
#49
#47
#48
#46
#45
MK-FD06
2
4
3
1
6
8
7
5
10
12
11
9
12
11
9
10
8
2
5
7
6
4
3
1
12
11
9
10
8
2
5
7
6
4
3
1
12
11
9
10
8
2
5
7
6
4
3
1
12
11
9
10
8
2
5
7
6
4
3
1
12
11
9
10
8
2
5
7
6
4
3
1
12
11
9
10
8
2
5
7
6
4
3
1
12
11
9
10
8
2
5
7
6
4
3
1
CN11P
12P
CN11S
CN12P
12P
CN12S
CN16P
12P
CN16S
CN17P
12P
CN17S

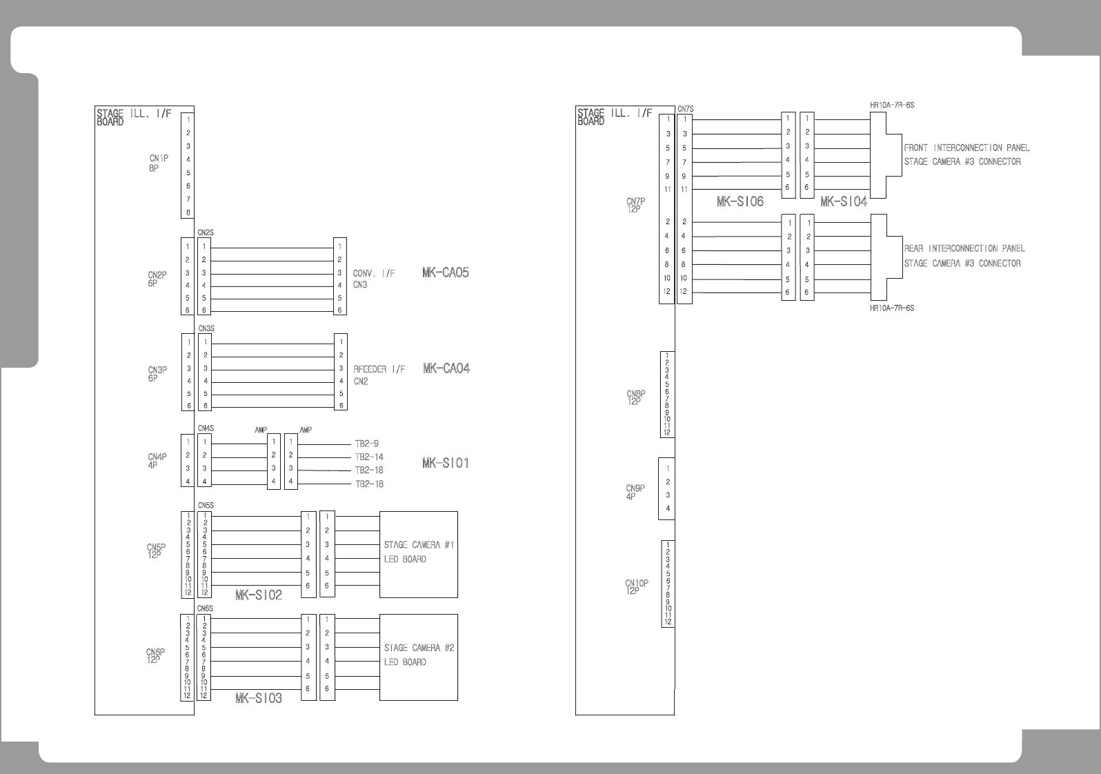
SAMSUNG TECHWIN
Page
119
CP45NEO
Stage Camera Illumination Board Interface
7
5
4
8
6
CN1P
8P
1
3
2
STAGE ILL. I/F
BOARD
STAGE ILL. I/F
BOARD
/IO_RESET
+24G
+12G
+12V
CAN_H
CAN_L
CAN_H
CAN_L
/IO_RESET
+24G
+12G
+12V
4
5
6
4
5
6
4P
CN4P
6P
CN3P
4
5
6
4
5
6
11
3
4
2
3
4
2
CN4S
2
2
3
3
CN3S
1
1
6P
CN2P
3
3
CN2S
1
2
1
2
4
5
6
3
4
5
6
2
1
RFEEDER I/F
CN2
3
2
1
CONV. I/F
CN3
MK-CA04
MK-CA05
2 2
12
11
12
11
9
10
8
9
10
8
5 5
7
6
7
6
4
3
4
3
CN5P
12P
CN5S
1 1
MK-SI02
AMP
+24V
+24G
+24G
+24VP
4 4
3
2
3
2
TB2-18
TB2-14
1 1
AMP
TB2-9
MK-SI01
2
6
5
3
4
2
5
6
1
4
3
1
99
11
12
10
11
12
10
5
7
8
6
12P
4
2
3
5
7
8
6
4
2
3
CN6P
1
CN6S
1
STAGE CAMERA #1
LED BOARD
+24VP
+24VP
+24VP
+24VP
+24VP
+24VP
STAGE1_SIDE
STAGE1_OUTER
STAGE1_INNER
STAGE2_SIDE
STAGE2_OUTER
STAGE2_INNER
1010
12 12
6
8
4
6
8
4
99
2
11
2
11
5
7
12P
3
5
7
3
CN7P
1
CN7S
1
STAGE3_SIDE
STAGE3_INNER
6
STAGE3_OUTER
+24VP
+24VP
5
4
3
2
FRONT INTERCONNECTION PANEL
HR10A-7R-6S
5
STAGE3_INNER
MK-SI06
+24VP
1
6
STAGE3_OUTER
STAGE3_SIDE
+24VP
+24VP
3
4
2
+24VP
1
4
3
CN9P
4P
2
1
TB2-18
MK-SI03
6
4
5
3
2
5
1
6
3
4
2
1
LED BOARD
STAGE CAMERA #2
12P
CN8P
12P
CN10P
6
4
5
3
2
5
1
6
3
4
2
1
HR10A-7R-6S
MK-SI04
STAGE CAMERA #3 CONNECTOR
REAR INTERCONNECTION PANEL
STAGE CAMERA #3 CONNECTOR
9
11
12
10
5
7
8
6
4
3
2
1
9
11
12
10
5
7
8
6
4
3
2
1