CP45NEO Technical Reference_CS_Ver - 第121页
SAMSUNG TECHWIN Page 121 CP45NEO C onveyor Board Interface (2/5) CONV PACK B/D CN2 CONV PACK B/D CN10 2 3 1 CONVEYOR I/F BOARD CN8P 6P 5 5 1 3 1 3 CN8S MK-CV06 2 4 6 2 4 6 3 2 1 CN9P 6P 6 6 4 2 4 2 5 3 5 3 1 1 CN9S 2 2 3…

SAMSUNG TECHWIN
Page
120
CP45NEO
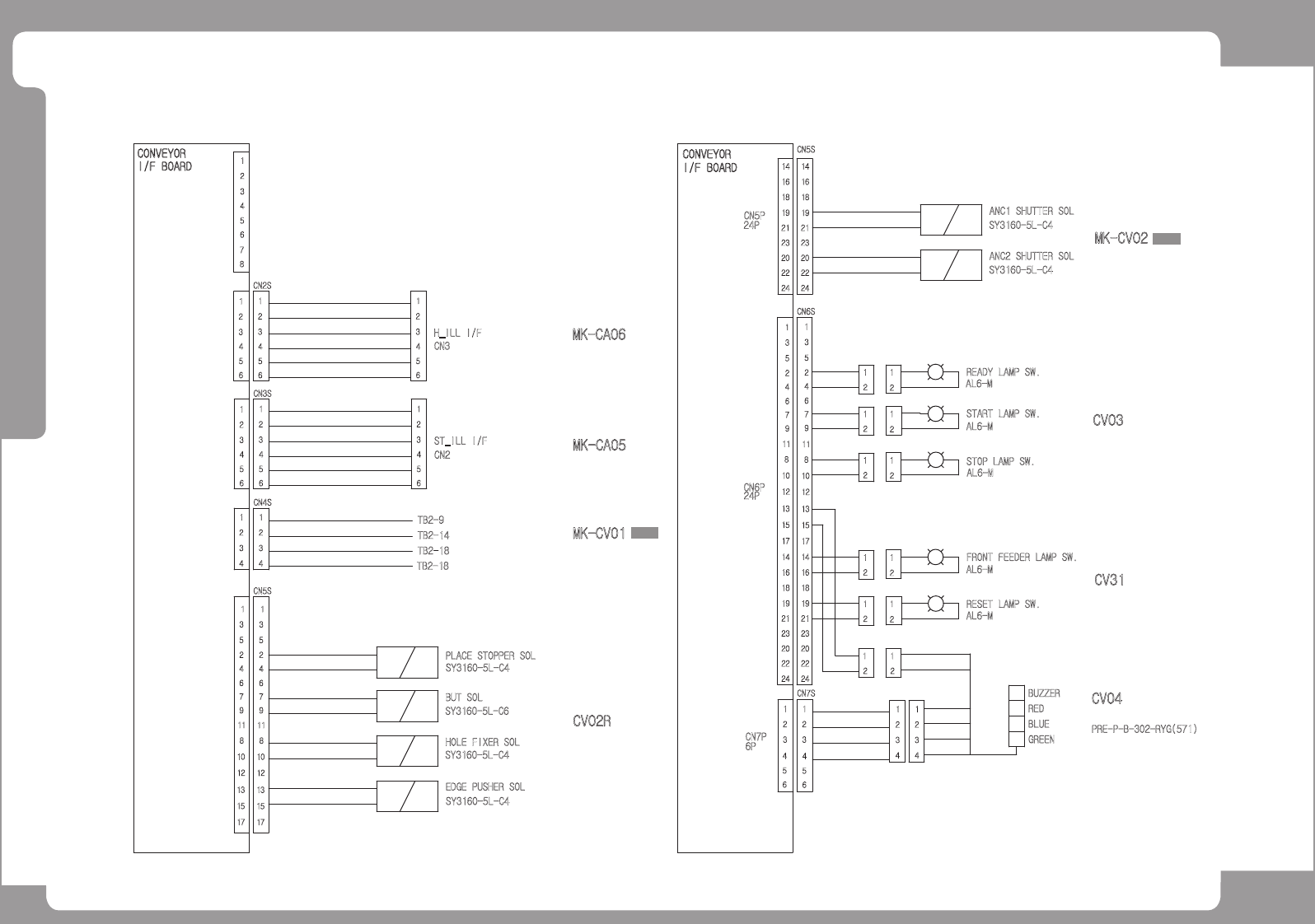
Conveyor Board Interface (1/5)
+24V
+24V
+24V
+24V
I/F BOARD
CONVEYOR
CN2P
6P
2
2
4
5
6
4
5
6
3
3
CN2S
1
1
H_ILL I/F
2
4
5
6
3
1
MK-CA06
CN3
CN3P
6P
2
2
4
5
6
4
5
6
3
3
CN3S
1
1
ST_ILL I/F
2
4
5
6
3
1
MK-CA05
CN2
22
4
3
4
3
4P
CN4P
CN4S
1 1
TB2-14
TB2-18
TB2-9
MK-CV01
HOLE FIXER SOL
EDGE PUSHER SOL
PLACE STOPPER SOL
BUT SOL
17
11
15
13
12
10
8
9
4
2
7
6
5
3
1
17
13
15
12
CN5P
24P
10
11
9
8
2
4
6
7
CN5S
1
5
3
CV02R
CN1P
8P
5
6
7
8
1
3
2
4
+12V
+12G
+24G
/IO_RESET
CAN_L
CAN_H
/IO_RESET
+24G
+12G
+12V
CAN_H
CAN_L
TB2-18
SY3160-5L-C4
SY3160-5L-C6
SY3160-5L-C4
SY3160-5L-C4
+24VP
GND
GND
+24V
GREEN
BLACK
22
4
3
4
3
1
RED
BLUE
1
BLUE
GREEN
RED
BUZZER
GRAY
BLACK
+24V
+24V
2222
24 24
21
23
20
21
23
20
14
19
18
16
14
19
18
16
CN5P
24P
CN5S
MK-CV02
ANC1 SHUTTER SOL
ANC2 SHUTTER SOL
CONVEYOR
I/F BOARD
24P
CN6S
CN6P
9
7
6
4
3
5
2
1
21
20
14
18
19
16
15
17
12
13
8
11
10
24
22
23
24
22
21
23
20
14
18
19
16
15
17
12
13
8
11
10
9
7
6
4
3
5
2
1
1
2
1
2
READY LAMP SW.
2
1
RESET LAMP SW.
2
1
2
1
FRONT FEEDER LAMP SW.
2
1
2
1
CV03
2
1
STOP LAMP SW.
2
1
2
1
START LAMP SW.
2
1
SY3160-5L-C4
SY3160-5L-C4
AL6-M
AL6-M
AL6-M
AL6-M
AL6-M
CV31
22
4
5
6
4
5
6
3 3
CN7P
6P
CN7S
1 1
PRE-P-B-302-RYG(571)
CV04
2
1
[16]
[32]

SAMSUNG TECHWIN
Page
121
CP45NEO
Conveyor Board Interface (2/5)
CONV PACK B/D
CN2
CONV PACK B/D
CN10
2
3
1
CONVEYOR
I/F BOARD
CN8P
6P
5 5
1
3
1
3
CN8S
MK-CV06
2
4
6
2
4
6
3
2
1
CN9P
6P
6
6
4
2
4
2
5
3
5
3
1 1
CN9S
2 2
3
4
3
4
1 1
INLINE IN
MK-CV07
2 2
3
4
3
4
1 1
INLINE OUT
3
4
2
1
3
4
2
1
5
6
5
6
3
4
3
4
CN10P
6P
1
2
1
2
CN10S
CR4-13
MK-CV08
CR4-14
CN11P
6P
4
6
4
6
5
2
5
2
1
3
1
3
CN11S
REAR FEEDER LAMP SW.
2
2
1 1
MK-CV09
CV30
CN12P
6P
4
6
5
2
1
3
CN13P
6P
4
6
5
2
1
3
CONVEYOR
I/F BOARD
15
17
12
13
8
11
10
15
17
12
13
8
11
10
22
24
20 20
22
24
23
19
21
19
23
21
16
18
14
16
18
14
24P
CN14P
9
7
6
4
3
5
2
1
9
7
6
4
3
5
2
1
CN14S
SECOND PLACE SENSOR
EX-42
2
3
2
3
1 1
PLACE STOPPER DOWN SENSOR
ZE102
2
3
2
3
1 1
PLACE STOPPER UP SENSOR
ZE102
2
3
2
3
1 1
PCB INPUT SENSOR
Q23SN6D
2
3
2
3
1 1
PCB WAIT SENSOR
Q23SN6D
2
3
2
3
1 1
PCB PLACE SENSOR
Q23SN6D
2
3
2
3
1 1
+24V
READY RELAY OUT
AL6-M
CV10
[1]
[17]
[18]
[19]

SAMSUNG TECHWIN
Page
122
CP45NEO
Conveyor Board Interface (3/5)
CONVEYOR
I/F BOARD
33
15
17
12
13
8
11
10
15
17
12
13
8
11
10
24
22
2020
24
22
21
23
19
21
19
23
14
18
16
14
18
16
EDGE PUSHER BACKWARD SENSOR
1
3
2
1
3
2
CS5T
9
7
6
4
3
5
2
1
9
7
6
4
3
5
2
1
CN15P
24P
CN15S
HOLE FIXER LEFT SENSOR
HOLE FIXER RIGHT SENSOR
EE-1001
1
2
1
2
EDGE PUSHER FORWARD SENSOR
CS5T
EE-1001
BUT DOWN SENSOR
EE-1001
EE-1001
BUT UP SENSOR
CV11
22
24
20 20
22
24
23
19
21
19
23
21
CONVEYOR
I/F BOARD
9
7
6
4
3
5
2
1
9
7
6
4
3
5
2
1
15
17
12
13
8
11
10
15
17
12
13
8
11
10
16
18
14
16
18
14
2
1
2
1
3 3
CN16P
24P
ANC#2 FRONT PANEL
ANC#1 OPEN SENSOR
ZC153
CN16S
PCB OUT SENSOR
33
1
2
1
2
Q23SN6D
3 3
2
1
2
1
ZC153
ANC#1 CLOSE SENSOR
MK-CV13
1
3
2
4
5
6
2
3
1
4
5
6
2
3
1
4
5
6
4
5
6
4
5
6
1
3
2
2
3
1
1
3
2
4
5
6
ANC#2 REAR PANEL
ZC153
ZC153
CLOSE SENSOR
OPEN SENSOR
CLOSE SENSOR
ZC153
OPEN SENSOR
ZC153
CV12
CV32
MK-CV13
CV32
CV32
CV14
CV15L
CV32
CV14
CV15L
CV32
[2]
[3]
[13]
[13]
[14]
[14]