CP45NEO Technical Reference_CS_Ver - 第122页
SAMSUNG TECHWIN Page 122 CP45NEO C onveyor Board Interface (3/5) CONVEYOR I/F BOARD 3 3 15 17 12 13 8 11 10 15 17 12 13 8 11 10 24 22 20 20 24 22 21 23 19 21 19 23 14 18 16 14 18 16 EDGE PUSHER BACKWARD SENSOR 1 3 2 1 3 …

SAMSUNG TECHWIN
Page
121
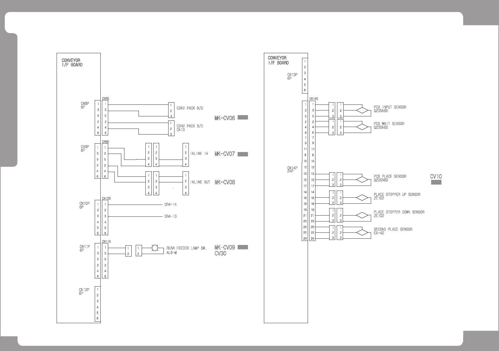
CP45NEO
Conveyor Board Interface (2/5)
CONV PACK B/D
CN2
CONV PACK B/D
CN10
2
3
1
CONVEYOR
I/F BOARD
CN8P
6P
5 5
1
3
1
3
CN8S
MK-CV06
2
4
6
2
4
6
3
2
1
CN9P
6P
6
6
4
2
4
2
5
3
5
3
1 1
CN9S
2 2
3
4
3
4
1 1
INLINE IN
MK-CV07
2 2
3
4
3
4
1 1
INLINE OUT
3
4
2
1
3
4
2
1
5
6
5
6
3
4
3
4
CN10P
6P
1
2
1
2
CN10S
CR4-13
MK-CV08
CR4-14
CN11P
6P
4
6
4
6
5
2
5
2
1
3
1
3
CN11S
REAR FEEDER LAMP SW.
2
2
1 1
MK-CV09
CV30
CN12P
6P
4
6
5
2
1
3
CN13P
6P
4
6
5
2
1
3
CONVEYOR
I/F BOARD
15
17
12
13
8
11
10
15
17
12
13
8
11
10
22
24
20 20
22
24
23
19
21
19
23
21
16
18
14
16
18
14
24P
CN14P
9
7
6
4
3
5
2
1
9
7
6
4
3
5
2
1
CN14S
SECOND PLACE SENSOR
EX-42
2
3
2
3
1 1
PLACE STOPPER DOWN SENSOR
ZE102
2
3
2
3
1 1
PLACE STOPPER UP SENSOR
ZE102
2
3
2
3
1 1
PCB INPUT SENSOR
Q23SN6D
2
3
2
3
1 1
PCB WAIT SENSOR
Q23SN6D
2
3
2
3
1 1
PCB PLACE SENSOR
Q23SN6D
2
3
2
3
1 1
+24V
READY RELAY OUT
AL6-M
CV10
[1]
[17]
[18]
[19]

SAMSUNG TECHWIN
Page
122
CP45NEO
Conveyor Board Interface (3/5)
CONVEYOR
I/F BOARD
33
15
17
12
13
8
11
10
15
17
12
13
8
11
10
24
22
2020
24
22
21
23
19
21
19
23
14
18
16
14
18
16
EDGE PUSHER BACKWARD SENSOR
1
3
2
1
3
2
CS5T
9
7
6
4
3
5
2
1
9
7
6
4
3
5
2
1
CN15P
24P
CN15S
HOLE FIXER LEFT SENSOR
HOLE FIXER RIGHT SENSOR
EE-1001
1
2
1
2
EDGE PUSHER FORWARD SENSOR
CS5T
EE-1001
BUT DOWN SENSOR
EE-1001
EE-1001
BUT UP SENSOR
CV11
22
24
20 20
22
24
23
19
21
19
23
21
CONVEYOR
I/F BOARD
9
7
6
4
3
5
2
1
9
7
6
4
3
5
2
1
15
17
12
13
8
11
10
15
17
12
13
8
11
10
16
18
14
16
18
14
2
1
2
1
3 3
CN16P
24P
ANC#2 FRONT PANEL
ANC#1 OPEN SENSOR
ZC153
CN16S
PCB OUT SENSOR
33
1
2
1
2
Q23SN6D
3 3
2
1
2
1
ZC153
ANC#1 CLOSE SENSOR
MK-CV13
1
3
2
4
5
6
2
3
1
4
5
6
2
3
1
4
5
6
4
5
6
4
5
6
1
3
2
2
3
1
1
3
2
4
5
6
ANC#2 REAR PANEL
ZC153
ZC153
CLOSE SENSOR
OPEN SENSOR
CLOSE SENSOR
ZC153
OPEN SENSOR
ZC153
CV12
CV32
MK-CV13
CV32
CV32
CV14
CV15L
CV32
CV14
CV15L
CV32
[2]
[3]
[13]
[13]
[14]
[14]

SAMSUNG TECHWIN
Page
123
CP45NEO
Conveyor Board Interface (4/5)
15
17
12
13
8
11
10
15
17
12
13
8
11
10
24
22
2020
24
22
21
23
19
21
19
23
14
18
16
14
18
16
9
7
6
4
3
5
2
1
9
7
6
4
3
5
2
1
CN17P
24P
CN17S
CONVEYOR
I/F BOARD
CV31
1
2
1
2
1
2
STOP LAMP SW.
RESET LAMP SW.
1
2
1
2
1
2
CV03
1
2
1
2
2
1
READY LAMP SW.
START LAMP SW.
FRONT FEEDER CHG. LAMP SW.
1
2
1
2
2
1
1
2
2
1
2
2
1
1
CV03
CV31
CV03
CV31
CV03
CV31
CV03
CV31
PW23
CV03
FRONT EMERGENCY SW.
FRONT DOOR SWITCH SENSOR
MSW-01
CV03
CV19
MK-CV29
CV03
CR5-12
CR5-8
CONVEYOR
I/F BOARD
CN18P
24P
CN18S
MSW-01
REAR DOOR SWITCH SENSOR
REAR EMERGENCY SW.
REAR FEEDER CHG. LAMP SW.
19
23
21
20
22
24
22
24
20
23
19
21
9
7
6
4
3
5
2
1
9
7
6
4
3
5
2
1
2
1
2
15
17
12
13
8
11
10
15
17
12
13
8
11
10
16
18
14
16
18
14
2
2
1
1
1
2
1
2
1
CV19
CV22
MK-CV23
CV17
CV30
CV17
CV17
CV17
PW23
CV17
1
3
2
1
3
2
REAR FEEDER UNLOCK SENSOR
PZ-51R
1
3
2
1
3
2
REAR FEEDER UNLOCK SENSOR
PZ-51T
3
2
1
2
3
1
AIR INDICATOR
CN19S
CN19P
6P
33
6
4
2
5
6
4
2
5
1 1
33
2
3
1
2
3
1
2
1
2
1
FRONT FEEDER UNLOCK SENSOR
FRONT FEEDER UNLOCK SENSOR
PZ-51T
PZ-51R
MK-CV21
CV20
[15]
[20]