CP45NEO Technical Reference_CS_Ver - 第124页
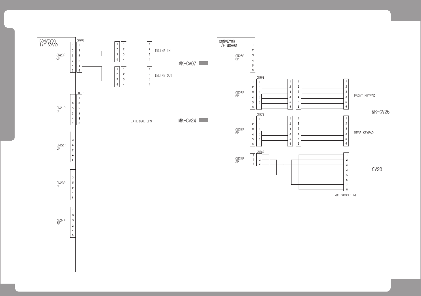
SAMSUNG TECHWIN Page 124 CP45NEO C onveyor Board Interface (5/5) CONVEYOR I/F BOARD CONVEYOR I/F BOARD 4 3 4 3 1 4 6 3 5 2 CN20S 1 1 1 2 4 3 2 1 2 4 3 2 3 4 2 1 MK-CV07 3 4 2 1 INLINE OUT INLINE IN 1 6 4 6P 3 5 2 CN20P C…

SAMSUNG TECHWIN
Page
123
CP45NEO
Conveyor Board Interface (4/5)
15
17
12
13
8
11
10
15
17
12
13
8
11
10
24
22
2020
24
22
21
23
19
21
19
23
14
18
16
14
18
16
9
7
6
4
3
5
2
1
9
7
6
4
3
5
2
1
CN17P
24P
CN17S
CONVEYOR
I/F BOARD
CV31
1
2
1
2
1
2
STOP LAMP SW.
RESET LAMP SW.
1
2
1
2
1
2
CV03
1
2
1
2
2
1
READY LAMP SW.
START LAMP SW.
FRONT FEEDER CHG. LAMP SW.
1
2
1
2
2
1
1
2
2
1
2
2
1
1
CV03
CV31
CV03
CV31
CV03
CV31
CV03
CV31
PW23
CV03
FRONT EMERGENCY SW.
FRONT DOOR SWITCH SENSOR
MSW-01
CV03
CV19
MK-CV29
CV03
CR5-12
CR5-8
CONVEYOR
I/F BOARD
CN18P
24P
CN18S
MSW-01
REAR DOOR SWITCH SENSOR
REAR EMERGENCY SW.
REAR FEEDER CHG. LAMP SW.
19
23
21
20
22
24
22
24
20
23
19
21
9
7
6
4
3
5
2
1
9
7
6
4
3
5
2
1
2
1
2
15
17
12
13
8
11
10
15
17
12
13
8
11
10
16
18
14
16
18
14
2
2
1
1
1
2
1
2
1
CV19
CV22
MK-CV23
CV17
CV30
CV17
CV17
CV17
PW23
CV17
1
3
2
1
3
2
REAR FEEDER UNLOCK SENSOR
PZ-51R
1
3
2
1
3
2
REAR FEEDER UNLOCK SENSOR
PZ-51T
3
2
1
2
3
1
AIR INDICATOR
CN19S
CN19P
6P
33
6
4
2
5
6
4
2
5
1 1
33
2
3
1
2
3
1
2
1
2
1
FRONT FEEDER UNLOCK SENSOR
FRONT FEEDER UNLOCK SENSOR
PZ-51T
PZ-51R
MK-CV21
CV20
[15]
[20]

SAMSUNG TECHWIN
Page
124
CP45NEO
Conveyor Board Interface (5/5)
CONVEYOR
I/F BOARD
CONVEYOR
I/F BOARD
4
3
4
3
1
4
6
3
5
2
CN20S
11
1
2
4
3
2
1
2
4
3
2
3
4
2
1
MK-CV07
3
4
2
1
INLINE OUT
INLINE IN
1
6
4
6P
3
5
2
CN20P
CN21P
6P
EXTERNAL UPS
MK-CV24
3
4
6
2
5
1
CN21S
6
4
2
5
3
1
4
6
CN22P
6P
1
3
5
2
4
6
CN23P
6P
1
3
5
2
4
6
CN24P
6P
1
3
5
2
4
3
6
5
CN25P
6P
2
1
4
3
5
6
4
3
6
5
CN26P
6P
CN26S
2
1
2
1
4
3
5
6
4
3
6
5
CN27P
6P
CN27S
2
1
2
1
6
5
4
3
2
1
6
5
4
3
2
1
REAR KEYPAD
FRONT KEYPAD
MK-CV26
3
1
2
3
1
2
CN28S
CN28P
3P
6
5
1
2
3
4
6
4
3
2
5
1
7
8
VME CONSOLE #4
CV28
TXD
GND
+12V
EMG_IN
KEYPAD USED
RXD
6
5
4
3
2
1
6
5
1
2
3
4
6
5
4
3
2
1
KEYPAD USED
GND
+12V
TXD
RXD
EMG_IN
GND
TXD
RXD
[18]
[21]

SAMSUNG TECHWIN
Page
125
CP45NEO
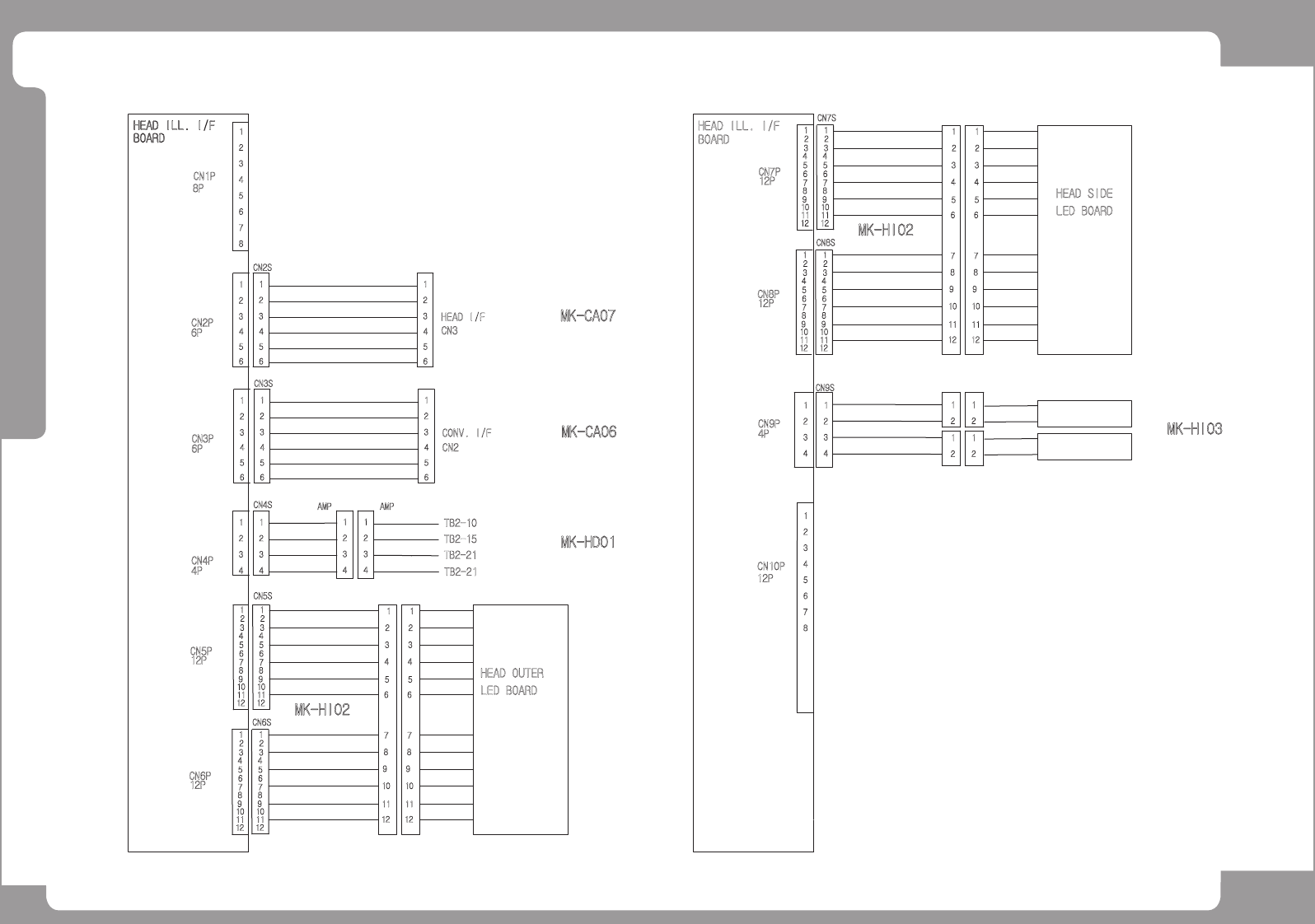
Head Illumination Board Interface
7
5
4
8
6
CN1P
8P
1
3
2
HEAD ILL. I/F
BOARD
HEAD ILL. I/F
BOARD
/IO_RESET
+24G
+12G
+12V
CAN_H
CAN_L
CAN_H
CAN_L
/IO_RESET
+24G
+12G
+12V
4
5
6
4
5
6
4P
CN4P
6P
CN3P
4
5
6
4
5
6
11
3
4
2
3
4
2
CN4S
2
2
3
3
CN3S
1
1
6P
CN2P
3
3
CN2S
1
2
1
2
4
5
6
3
4
5
6
2
1
CONV. I/F
CN2
3
2
1
HEAD I/F
CN3
MK-CA06
MK-CA07
2 2
12
11
12
11
9
10
8
9
10
8
5 5
7
6
7
6
4
3
4
3
CN5P
12P
CN5S
1 1
MK-HI02
AMP
+24V
+24G
+24G
+24VP
4 4
3
2
3
2
TB2-21
TB2-21
TB2-15
1 1
AMP
TB2-10
MK-HD01
2
12
11
9
10
8
5
6
7
4
3
1
99
11
12
10
11
12
10
5
7
8
6
12P
4
2
3
5
7
8
6
4
2
3
CN6P
1
CN6S
1
12
10
11
9
8
5
7
6
3
4
2
1
HEAD OUTER
LED BOARD
+24VP
+24VP
+24VP
+24VP
+24VP
+24VP
H1_OUTER
H2_OUTER
H3_OUTER
H4_OUTER
H5_OUTER
H6_OUTER
12P
1010
12
11
12
11
6
8
9
7
4
5
3
6
8
9
7
4
5
3
99
CN8P
1
2
11
12
10
CN8S
1
2
11
12
10
5
7
8
6
12P
4
3
2
5
7
8
6
4
3
2
CN7P
1
CN7S
1
H4_SIDE
12
10
11
9
8
5
7
6
3
4
2
1
H6_SIDE
12
H5_SIDE
+24VP
+24VP
11
10
9
8
LED BOARD
HEAD SIDE
5
H3_SIDE
MK-HI02
+24VP
7
6
H2_SIDE
H1_SIDE
+24VP
+24VP
3
4
2
+24VP
1
8
7
2
4
6
5
3
CN10P
12P
1
+24VP
FID_OUTER
4
3
4
3
CN9P
4P
2
1
2
1
CN9S
1
2 2
1
FIDUCIAL ILL.
OUTER LED BOARD
MK-HI03
+24VP
FID_INNER
1
2 2
1
FIDUCIAL ILL.
INNER LED BOARD