CP45NEO Technical Reference_CS_Ver - 第131页
SAMSUNG TECHWIN Page 131 CP45NEO X Y Motor Interface 30 30 29 28 27 27 28 29 23 24 16 16 18 17 18 17 25 24 23 22 21 21 22 25 20 19 20 19 26 26 30 30 29 28 27 27 28 29 10 10 9 9 15 11 12 13 14 15 11 12 13 14 8 7 6 5 4 3 2…

SAMSUNG TECHWIN
Page
130
CP45NEO
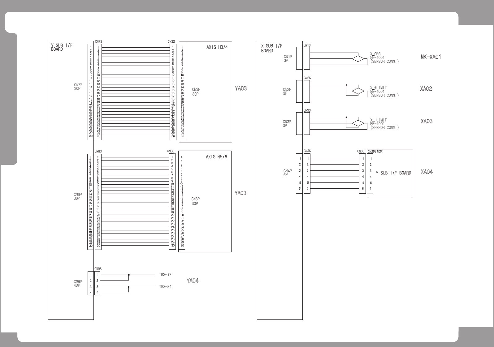
X-sub I/F Board Interface
Y SUB I/F
BOARD
X SUB I/F
BOARD
9
9
Z6_+LIMIT
99
25
12
30
29
20
24
26
28
27
25
22
23
21
16
18
19
17
14
15
13
11
29
30
27
28
26
17
21
23
24
22
19
20
18
13
15
16
14
10
11
12
10
25
25
-LIMIT
+24V
GND
+24V
+24V
29
30
27
28
26
29
30
27
28
26
TH3_+LIMIT
TH3_-LIMIT
ORG
+LIMIT
GND
GND
GND
GND
Z6_-LIMIT
TH3_ORG
+24V
+24V
GND
GND
GND
+24V
17
17
21
23
24
22
19
20
18
21
23
24
22
19
20
18
13
15
16
14
11
12
10
13
15
16
14
11
12
10
YA03
CN3P
30P
30P
CN3P
12
12
12
30
29
20
24
26
28
27
25
22
23
21
16
18
19
17
14
15
13
11
12
CN8P
30P
55
7
8
6
7
8
6
3
4
1
2
3
4
1
2
CN8S
29
30
20
24
26
27
28
25
22
23
21
16
18
19
17
14
15
13
+24V
Z5_ORG
Z5_+LIMIT
Z6_ORG
Z5_-LIMIT
GND
GND
GND
GND
+24V
1
1
5
7
8
6
3
4
2
5
7
8
6
3
4
2
CN3S
29
30
29
30
-LIMIT
+LIMIT
ORG
+24V
GND
GND
GND
GND
TH2_-LIMIT
TH2_+LIMIT
GND
GND
TH2_ORG
+24V
+24V
+24V
20
20
24
26
27
28
25
22
23
21
24
26
27
28
25
22
23
21
16
18
19
17
14
15
13
16
18
19
17
14
15
13
30P
CN7P
44
8 8
10
9
10
11
9
6
7
5
6
7
5
CN7S
2
3
1
2
3
1
GND
Z3_-LIMIT
Z4_-LIMIT
Z4_+LIMIT
GND
GND
Z4_ORG
GND
GND
Z3_+LIMIT
GND
Z3_ORG
4
4
8
10
11
9
6
7
5
8
10
11
9
6
7
5
CN3S
2
3
1
2
3
1
AXIS H5/6
YA03
AXIS H3/4
2
4
3
1
4
3
2
1
CN9P
4DP
CN9S
+24V
+24G
TB2-17
TB2-24
YA04
BLUE
BLACK
BROWN
BLUE
BLACK
BROWN
BLUE
BLACK
BROWN
3
2
1
3
3
2
1
3
3P
2
3
2
1
2
1
3
2
1
CN1P
CN1S
1
L
(SENSOR CONN.)
(SENSOR CONN.)
1
3
4
+24V
OUT
GND
L
GND
X_-LIMIT
EE-1001
2
2
XA02
(SENSOR CONN.)
1
3
4
+24V
OUT
GND
OUT
3
+24V
1
X_ORG
EE-1001
X_+LIMIT
EE-1001
4
CN2P
3P
CN2S
CN3P
3P
CN3S
MK-XA01
XA03
4
3
5
6
1
2
4
3
5
6
1
2
6P
CN4P
CN4S
Y SUB I/F BOARD
N.C.
4
3
5
6
1
2
4
3
5
6
1
2
+24VG
X_-LIMIT
X_+LIMIT
X_ORG
+24V
CN3P(6DP)
CN3S
XA04

SAMSUNG TECHWIN
Page
131
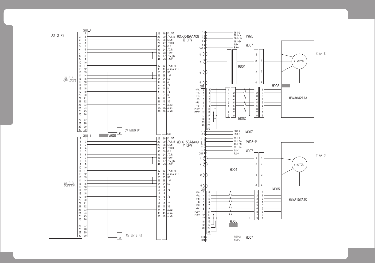
CP45NEO
XY Motor Interface
3030
29
28
2727
28
29
23
24
16 16
18
17
18
17
25
24
23
22
2121
22
25
20
19
20
19
2626
3030
29
28
2727
28
29
1010
9 9
15
11
12
13
14
15
11
12
13
14
8
7
6
5
4
3
2
1
8
7
6
5
4
3
1
2
CN1P_B
60P(30P)
CN1S_B
24
39
25
43
30
49
34
37
23
50
27
26
29
28
Y
T
R
t
r
CLR
/SIGN
SIGN
/PULSE
PULSE
50
27
26
29
28
20
19
MSDC153A4A09
SG
INP
SG
ALM(ALM1)
/ALM_RST
+24V
24
39
25
43
30
49
+24V
/SV_ON
/CLR
34
37
23
W
V
U
COM
6
7
8
12
3
4
5
3
4
5
A
/A
B
6
7
8
12
/B
C
/C
SG
CN2
+PA
-PA
+PB
-PB
+PC
-PC
3
4
5
6
7
8
11
12
PG0V
PG5V
E
17
19
20
18
26 26
19
20
19
20
25
22
21 21
22
23
24
25
17
18
17
18
14
13
12
11
15
16
14
13
12
11
15
16
24
23
99
10 10
AXIS XY
2
1
3
4
5
6
7
8
1
2
3
4
5
6
7
8
CN1S_A
CN1P_A
60P(30P)
23
37
28
29
26
27
50
34
23
37
28
29
26
27
50
34
PULSE
/PULSE
SIGN
/SIGN
CLR
/CLR
/SV_ON
+24V
r
t
U
COM
Y
R
T
MSDC045A1A06
6
7
8
12
49
30
43
25
39
24
3
4
5
CN2
49
30
43
25
39
24
3
4
5
+24V
/ALM_RST
ALM(ALM1)
SG
INP
SG
A
/A
B
V
W
E
+PA
-PA
+PB
-PB
+PC
-PC
6
7
8
12
/B
C
/C
SG
3
4
5
6
7
8
11
12
17
18
PG0V
PG5V
3
4
5
6
7
8
11
12
17
18
2
WHITE
2
BLUE
3
4
BLACK
GREEN
3
4
3
4
9
5
6
2
11
2
3
4
5
6
9
BROWN
GREEN
PURPLE
WHITE
YELLOW
8
7 7
8
BLACK
RED
SHIELD
MSMA042A1A
TB1-9
TB1-14
1 1
RED
TB1-24
TB1-19
X AXIS
X MOTOR
18
19
20
FG
17
12
11
8
7
6
5
4
3
Y_E
YELLOW
3
4
5
1
2
6
5
4
3
2
1
6
BLUE
BROWN
GREEN
PURPLE
WHITE
8
7 7
8
BLACK
RED
4
GREEN
4
MSMA152A1C
SHIELD
9
9
19
20
FG
3
2
BLACK
WHITE
Y_W
Y_V
3
2
Y_U
RED
1 1
Y AXIS
Y MOTOR
PW26
MD04
MD05
VM06
X_E
X_W
X_V
MD01
X_E
X_W
X_V
X_UX_U
MD02
22
9
7
9
7
5
6
8
4
3
5
6
8
4
3
1 1
44
45
46
44
45
46
ALM8
ALM4
ALM2
CN1
X DRV
44
45
46 46
44
45
ALM2
ALM4
ALM8
Y DRV
MD03
R3-1
R3-4
MD07
H2
H1
RS3-3
RS3-2
MD07
R2-4
TB1-19
R1-1
TB1-24
TB1-14
TB1-9
PW25-P
MD07
H2
H1
RS1-2
RS2-3
MD07
CN1
MD06
1
2
IN0
-COM
CV EN18 R1
CV EN19 R1
-COM
IN0
2
1
[12]
[23]
[28]

SAMSUNG TECHWIN
Page
132
CP45NEO
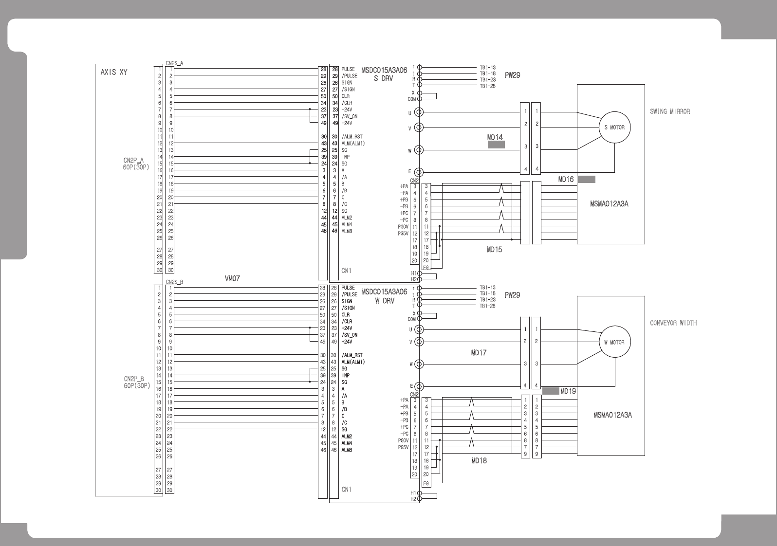
Swing & Width Motor Interface
3030
29
28
2727
28
29
23
24
16 16
18
17
18
17
25
24
23
22
2121
22
25
20
19
20
19
2626
3030
29
28
2727
28
29
1010
9 9
15
11
12
13
14
15
11
12
13
14
8
7
6
5
4
3
2
1
8
7
6
5
4
3
1
2
CN2P_B
60P(30P)
CN2S_B
24
39
25
43
30
49
34
37
23
50
27
26
29
28
X
T
R
t
r
CLR
/SIGN
SIGN
/PULSE
PULSE
50
27
26
29
28
20
19
SG
INP
SG
ALM(ALM1)
/ALM_RST
+24V
24
39
25
43
30
49
+24V
/SV_ON
/CLR
34
37
23
W
V
U
COM
6
7
8
12
3
4
5
3
4
5
A
/A
B
6
7
8
12
/B
C
/C
SG
CN2
+PA
-PA
+PB
-PB
+PC
-PC
3
4
5
6
7
8
11
12
PG0V
PG5V
E
17
19
20
18
26 26
19
20
19
20
25
22
21 21
22
23
24
25
17
18
17
18
14
13
12
11
15
16
14
13
12
11
15
16
24
23
99
10 10
AXIS XY
2
1
3
4
5
6
7
8
1
2
3
4
5
6
7
8
CN2S_A
CN2P_A
60P(30P)
23
37
28
29
26
27
50
34
23
37
28
29
26
27
50
34
PULSE
/PULSE
SIGN
/SIGN
CLR
/CLR
/SV_ON
+24V
r
t
U
COM
X
R
T
MSDC015A3A06
6
7
8
12
49
30
43
25
39
24
3
4
5
CN2
49
30
43
25
39
24
3
4
5
+24V
/ALM_RST
ALM(ALM1)
SG
INP
SG
A
/A
B
V
W
E
+PA
-PA
+PB
-PB
+PC
-PC
6
7
8
12
/B
C
/C
SG
3
4
5
6
7
8
11
12
17
18
PG0V
PG5V
3
4
5
6
7
8
11
12
17
18
2
WHITE
2
BLUE
3
4
BLACK
GREEN
3
4
3
4
9
5
6
2
11
2
3
4
5
6
9
BROWN
GREEN
PURPLE
WHITE
YELLOW
8
7 7
8
BLACK
RED
SHIELD
MSMA012A3A
TB1-13
TB1-18
1 1
RED
TB1-28
TB1-23
SWING MIRROR
S MOTOR
18
19
20
FG
17
12
11
8
7
6
5
4
3
W_E
YELLOW
3
4
5
1
2
6
5
4
3
2
1
6
BLUE
BROWN
GREEN
PURPLE
WHITE
8
7 7
8
BLACK
RED
4
GREEN
4
MSMA012A3A
SHIELD
9
9
19
20
FG
3
2
BLACK
WHITE
W_W
W_V
3
2
W_U
RED
1 1
CONVEYOR WIDTH
W MOTOR
PW29
MD17
MD18
VM07
MD14
S_E
S_W
S_V
S_U
MD15
44
45
46
44
45
46
ALM8
ALM4
ALM2
CN1
S DRV
44
45
46 46
44
45
ALM2
ALM4
ALM8
W DRV
MD16
H2
H1
TB1-23
TB1-28
TB1-18
TB1-13
PW29
H2
H1
CN1
MD19
MSDC015A3A06
[4]
[11]
[27]