CP45NEO Technical Reference_CS_Ver - 第136页
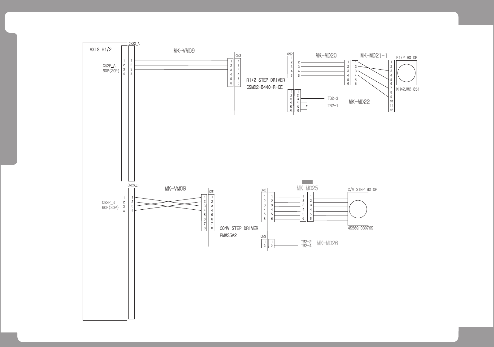
SAMSUNG TECHWIN Page 136 CP45NEO R Motor Interface (R1, R2) CN2P_B 60P(30P) CN2S_B 4 3 2 1 4 3 2 1 4 4 1 2 3 1 2 3 CN2S_A CN2P_A 60P(30P) AXIS H1/2 +24V 3 4 3 4 6 5 4 3 2 2 2 3 4 5 6 5 4 3 CN1 CSMD2-B440-R-CE CN2 CN3 1 1…

SAMSUNG TECHWIN
Page
135
CP45NEO
Z Motor Interface (Z5, Z6)
3030
29
28
2727
28
29
23
24
16 16
18
17
18
17
25
24
23
22
2121
22
25
20
19
20
19
2626
3030
29
28
2727
28
29
1010
9 9
15
11
12
13
14
15
11
12
13
14
8
7
6
5
4
3
2
1
8
7
6
5
4
3
1
2
CN1P_B
60P(30P)
CN1S_B
24
39
25
43
30
49
34
37
23
50
27
26
29
28
X
T
R
t
r
CLR
/SIGN
SIGN
/PULSE
PULSE
50
27
26
29
28
20
19
SG
INP
SG
ALM(ALM1)
/ALM_RST
+24V
24
39
25
43
30
49
+24V
/SV_ON
/CLR
34
37
23
W
V
U
COM
6
7
8
12
3
4
5
3
4
5
A
/A
B
6
7
8
12
/B
C
/C
SG
CN2
+PA
-PA
+PB
-PB
+PC
-PC
3
4
5
6
7
8
11
12
PG0V
PG5V
E
17
19
20
18
26 26
19
20
19
20
25
22
21 21
22
23
24
25
17
18
17
18
14
13
12
11
15
16
14
13
12
11
15
16
24
23
99
10 10
AXIS H5/6
2
1
3
4
5
6
7
8
1
2
3
4
5
6
7
8
CN1S_A
CN1P_A
60P(30P)
23
37
28
29
26
27
50
34
23
37
28
29
26
27
50
34
PULSE
/PULSE
SIGN
/SIGN
CLR
/CLR
/SV_ON
+24V
r
t
U
COM
X
R
T
MSDC5A5A3A06
6
7
8
12
49
30
43
25
39
24
3
4
5
CN2
49
30
43
25
39
24
3
4
5
+24V
/ALM_RST
ALM(ALM1)
SG
INP
SG
A
/A
B
V
W
E
+PA
-PA
+PB
-PB
+PC
-PC
6
7
8
12
/B
C
/C
SG
3
4
5
6
7
8
11
12
17
18
PG0V
PG5V
3
4
5
6
7
8
11
12
17
18
2
WHITE
2
BLUE
3
4
BLACK
GREEN
3
4
3
4
9
5
6
2
11
2
3
4
5
6
9
BROWN
GREEN
PURPLE
WHITE
YELLOW
8
7 7
8
BLACK
RED
SHIELD
MSMA5AZA4A
TB1-12
TB1-17
1 1
RED
TB1-27
TB1-22
Z5 AXIS
Z5 MOTOR
YELLOW
3
4
5
1
2
6
BLUE
BROWN
GREEN
PURPLE
WHITE
7
8
BLACK
RED
GREEN
4
MSMA5AZA4A
SHIELD
9
19
20
FG
BLACK
WHITE
3
2
RED
1
Z6 AXIS
Z6 MOTOR
PW28
VM12
MD11
Z5_E
Z5_W
Z5_V
Z5_U
44
45
46
44
45
46
ALM8
ALM4
ALM2
CN1
Z5 DRV
44
45
46 46
44
45
ALM2
ALM4
ALM8
MD13-2
H2
H1
TB1-22
TB1-27
TB1-17
TB1-12
PW28
H2
H1
CN1
MD13-3
MD12
Z6 DRV
MD11
Z6_E
Z6_W
4
3
Z6_V
Z6_U
2
1
MSDC5A5A3A06
MD12
18
FG
20
19
17
12
8
11
7
4
5
6
3
7
8
9
6
5
4
3
2
1
[9]
[10]

SAMSUNG TECHWIN
Page
136
CP45NEO
R Motor Interface (R1, R2)
CN2P_B
60P(30P)
CN2S_B
4
3
2
1
4
3
2
1
44
1
2
3
1
2
3
CN2S_A
CN2P_A
60P(30P)
AXIS H1/2
+24V
3
4
3
4
6
5
4
3
2
2
2
3
4
5
6
5
4
3
CN1
CSMD2-B440-R-CE
CN2
CN3
1 1
1
1
1
1
2
2
2
5
3
4
4
6
5
3
5
4
3
6
1
1
2 2
+24G
R1/2 MOTOR
MK-MD22
MK-MD20
CW
/CW
CCW
/CCW
MK-VM09
R1/2 STEP DRIVER
6
5
6
5
TB2-3
TB2-1
MK-MD21-1
/CCW
CCW
/CW
CW
MK-VM09
MK-MD26
CONV STEP DRIVER
PMM35A2
8
6
7
8
7
6
+24V
2
1
2
1
+24G
CN3
TB2-4
TB2-2
CN1
2
5
4
3
1
4
5
3
1
2
MK-MD25
1
3
2
4
4 4
2
3
1
2
3
1
CN2
4
2
3
1
4S56Q-03076S
C/V STEP MOTOR
RED
BROWN
BLUE
YELLOW
F/RA : ON
F/RB : ON
EX : OFF
SL : OFF
KH42JM2-851
BLUE
YELLOW
WHITE
RED
1
2
6
3
5
4
7
8
9
10
11
12
5 5
6 6
5
6 6
5
WHITE
BLACK
RED
BLUE
YELLOW
BROWN
BLACK
WHITE
[31]

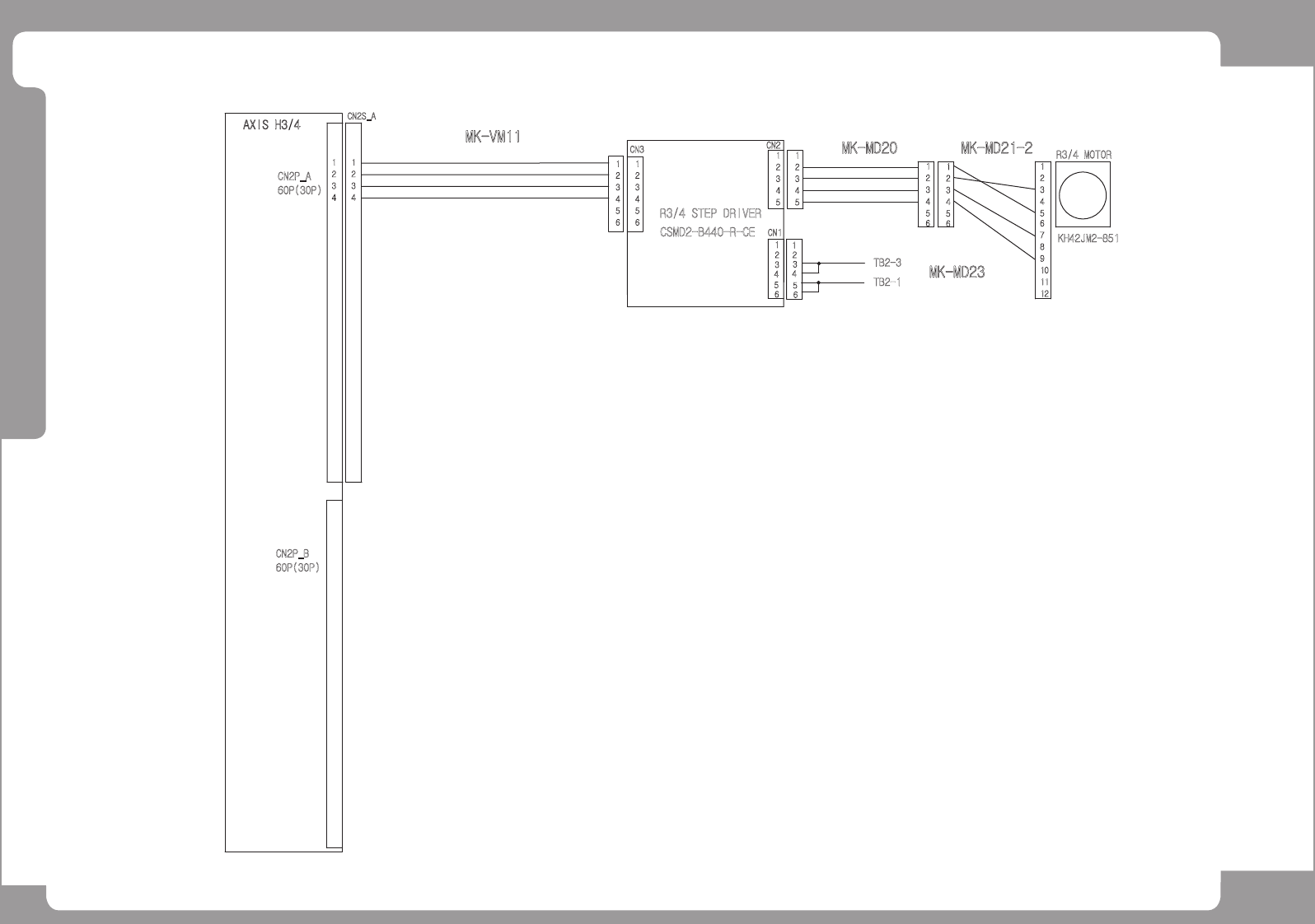
SAMSUNG TECHWIN
Page
137
CP45NEO
R Motor Interface (R3, R4)
CN2P_B
60P(30P)
44
1
2
3
1
2
3
CN2S_A
CN2P_A
60P(30P)
AXIS H3/4
+24V
3
4
3
4
6
5
4
3
2
2
2
3
4
5
6
5
4
3
CN1
CSMD2-B440-R-CE
CN2
CN3
1 1
1
1
1
1
2
2
2
5
3
4
4
6
5
3
5
4
3
6
1
1
2 2
+24G
R3/4 MOTOR
MK-MD23
MK-MD20
CW
/CW
CCW
/CCW
MK-VM11
R3/4 STEP DRIVER
6
5
6
5
TB2-3
TB2-1
MK-MD21-2
KH42JM2-851
BLUE
YELLOW
WHITE
RED
1
2
6
3
5
4
7
8
9
10
11
12