CP45NEO Technical Reference_CS_Ver - 第139页
SAMSUNG TECHWIN Page 139 CP45NEO V ision Board Interface 6 8 7 14 13 3 2 1 3 8 7 6 14 13 2 1 3 8 7 6 14 13 2 1 10 10 10 RED GREEN BLUE H SYNC V SYNC RED GND GREEN GND BLUE GND VM05 VISION MONITOR 9 +12V GND 4 7 6 5 8 CSY…

SAMSUNG TECHWIN
Page
138
CP45NEO
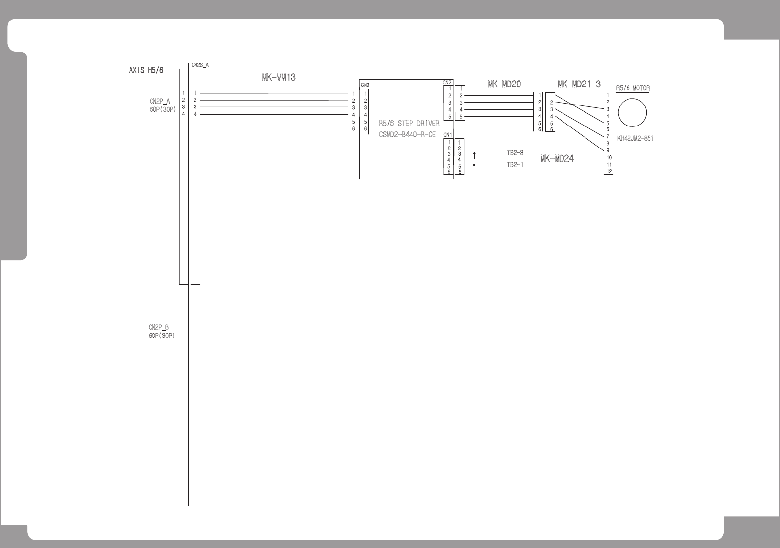
R Motor Interface (R5, R6)
CN2P_B
60P(30P)
44
1
2
3
1
2
3
CN2S_A
CN2P_A
60P(30P)
AXIS H5/6
+24V
3
4
3
4
6
5
4
3
2
2
2
3
4
5
6
5
4
3
CN1
CSMD2-B440-R-CE
CN2
CN3
1 1
1
1
1
1
2
2
2
5
3
4
4
6
5
3
5
4
3
6
1
1
2 2
+24G
R5/6 MOTOR
MK-MD24
MK-MD20
CW
/CW
CCW
/CCW
MK-VM13
R5/6 STEP DRIVER
6
5
6
5
TB2-3
TB2-1
MK-MD21-3
KH42JM2-851
BLUE
YELLOW
WHITE
RED
1
2
6
3
5
4
7
8
9
10
11
12

SAMSUNG TECHWIN
Page
139
CP45NEO
Vision Board Interface
6
8
7
14
13
3
2
1
3
8
7
6
14
13
2
1
3
8
7
6
14
13
2
1
10 1010
RED
GREEN
BLUE
H SYNC
V SYNC
RED GND
GREEN GND
BLUE GND
VM05
VISION MONITOR
9
+12V
GND
4
7
6
5
8
CSYNC3+
GND
CSYNC3-
2
VIS01
1
+12V
9P
9S
1
9
2
4
7
8
5
6
4
6
5
8
7
2
9
1
4
7
8
5
6
1
9
2
8
9
1
3
6
7
4
5
2
15
11
10
13
12
14
15
14
13
12
11
10
9
5
4
7
6
8
2
3
1
GND
(VIS02)
SYNC
VPP
VIDEO SIG
GND
VPP
GND
GND
VPP
GND
VIDEO SIG
VPP
SYNC
GND
10
4
11
7
2
3
1
12
12
11
10
7
4
1
3
2
7
10
11
12
2
3
1
4
12
11
10
7
4
1
3
2
12
11
1
3
2
7
4
10
11
12
10
4
7
2
3
1
111111
1515
121212
GND
SYNC
VPP
VIDEO SIG
GND
VPP
GND
VPP
8
7
9
10
11
12
13
1414
12
13
10
11
7
9
8
1
3
2
7
4
10
11
12
11
12
4
1
3
2
10
7
2
3
1
4
7
10
12
11
GND
VPP
GND
VIDEO SIG
SYNC
GND
1
3
2
6
4
5
2
5
4
6
3
1
10
4
7
2
3
1
2
3
1
4
7
10
1
3
2
7
4
10
FLY CAM IO BOARD
CAM1
CAM2
CAM4
CAM3
CAM5
CAM6 CAM6
CAM5
CAM4
CAM3
CAM2
CAM1
MK-VIS07
12
11
8
7
4
1
3
2
1
3
2
6
4
5
5
7
8
7
5
6
4
2
3
1
11
12
2
3
1
4
7
88
7
1
3
2
4
6
55
6
4
2
3
1
(MK-VIS04)
GND
+12V
VIDEO OUT GND
VIDEO OUT
SYNC
FIX CAM IF CABLE
5
7
GND
VIDEO OUT GND
GND
GND
11
12
VIDEO OUT GND
GND
5
7
2
3
1
4
(VIS05)
FIX CAM PANEL CABLE
CAMERA MUX CABLE
FIX CAMERA#1
FIX CAMERA#2
1212
1
3
2
7
4
11
4
1
3
2
11
7
GND
VPP
GND
VIDEO SIG
SYNC
VPP
GND
11
12
GND
VPP
11
12
7
2
3
1
4
SYNC
VIDEO SIG
GND
VPP
GND
4
7
2
3
1
11
VPP
11
12 12
GND
4
1
3
2
7
1
3
2
7
4
GND
VPP
GND
VIDEO SIG
SYNC
TO "A"
FROM "A"
FIDUCIAL CAMERA CABLE
(MK-VIS03)
FRONT
REAR
MK3 AD/DA BOARD ASS'Y
(J9060229B)
(J9060230A)
MK3 DSP BOARD ASS'Y
(J9060231A)
MK3 MEMORY BOARD ASS'Y
[22]
[25]

SAMSUNG TECHWIN
Page
140
CP45NEO
KVMS Board Interface (1/2)
+24V
1
2
3
4
+24V
24GND
24GND
TB#2
POWER
GND
RA1
RA0
2
3
1
ROCK A
GND
RA3
RA2
2
3
1
ROCK B
SIG
VCC
1
2
LAMP A
A: FRONT, B: REAR
2
1
LAMP B
VCC
SIG
FRONT LAMP
REAR LAMP
2
3
4
1
STATUS OUT
+24VF
FFD CHG SW INPUT
1
2
FDR A HOST
9
7
2
1
FDR A SW
GND
GND
GND
GND
FDR B SW
2
FDR B HOST
1
2
1
GND
START SW HOST
1
2
START SW A
2
1
2
1
START SW B
GND
IN4.4
IN4.4
IN4.4
15
1
FRONT MONITOR
MONITOR A
MONITOR B
REAR MONITOR
15
1
VGA IN
FROM MAIN B/D VGA
15
1
MOUSE HOST
KEYB/D HOST
Y ADAPTER
1
6
1
6
6
1
KBD A
6
1
1
MOUSE B
MOUSE A
6
1
6
KBD B
1
6
+24VF
15
GND
17
13
11
GND
7
+24VF
RFD CHG SW INPUT
11
GND
9
CONVEYOR IF B/D
CN17
CN18
CN17-4
RFD CHG SW
FFD CHG SW
FRONT START SW
REAR START SW
FROM KEYB/D
FROM MOUSE
FRONT KEY B/D
FRONT MOUSE
REAR MOUSE
REAR KEY B/D
C
-
NO
+
GND
5
+24VF
1
3
CN11
C
-
+
NO
C
-
+
NO
C
-
+
NO
CN6
LAMP OUT
16
GND
18
+24VF
14
GND
+24VF
+24VF
GND
FRONT SW
CVEN17-3
SW INPUT
CVEN18-3
IN4.2
IN5.2
IN5.2
GND
REAR SW
FRONT
REAR
FRONT
REAR
1A1B
1A1B
GR
GR
RD
RD
Y
X
X
Y
X
Y
X
Y
JP11
JP10
MK-RO01R
OP01
OP02
MK-RO03R
MK-RO04R
MK-RO05R
MK-RO06R
MK-RO09R
MK-RO10R
OP01-1
OP01-2
OP01-3
OP02-2
OP02-3
OP02-1
LAMP OUT
LAMP OUT
LAMP OUT
LAMP OUT