CP45NEO Technical Reference_CS_Ver - 第141页
SAMSUNG TECHWIN Page 141 CP45NEO K VMS Board Interface (2/2) HOST JA 1 EMG IN KEYPAD USED RXD 4 3 2 A: FRONT, B: REAR TXD CONVEYOR IF B/D CN26 +12V GND 5 6 FRONT TEACHING BOX 6 GND KEYPAD USED EMG IN +12V RXD TXD 1 JOG A…

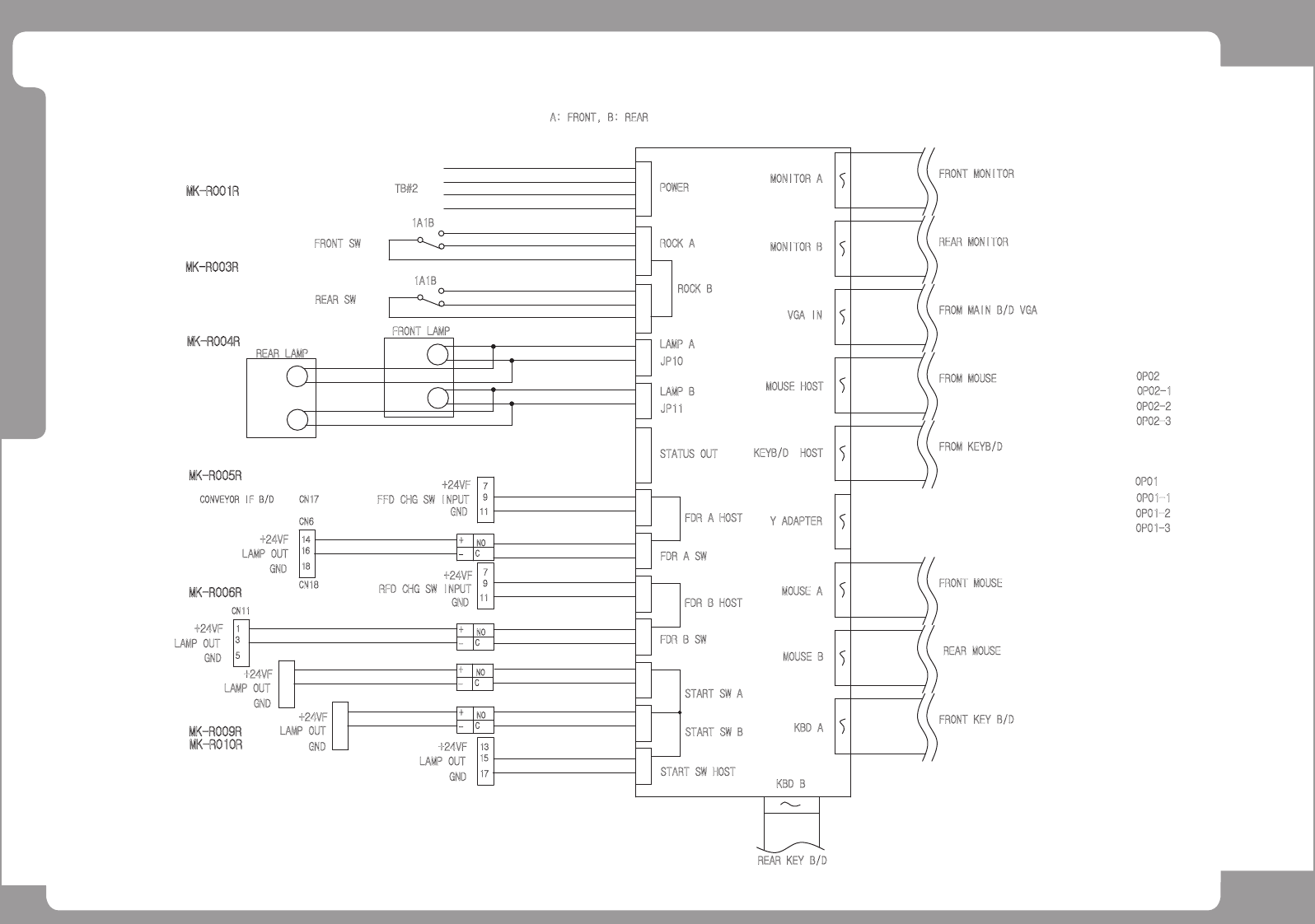
SAMSUNG TECHWIN
Page
140
CP45NEO
KVMS Board Interface (1/2)
+24V
1
2
3
4
+24V
24GND
24GND
TB#2
POWER
GND
RA1
RA0
2
3
1
ROCK A
GND
RA3
RA2
2
3
1
ROCK B
SIG
VCC
1
2
LAMP A
A: FRONT, B: REAR
2
1
LAMP B
VCC
SIG
FRONT LAMP
REAR LAMP
2
3
4
1
STATUS OUT
+24VF
FFD CHG SW INPUT
1
2
FDR A HOST
9
7
2
1
FDR A SW
GND
GND
GND
GND
FDR B SW
2
FDR B HOST
1
2
1
GND
START SW HOST
1
2
START SW A
2
1
2
1
START SW B
GND
IN4.4
IN4.4
IN4.4
15
1
FRONT MONITOR
MONITOR A
MONITOR B
REAR MONITOR
15
1
VGA IN
FROM MAIN B/D VGA
15
1
MOUSE HOST
KEYB/D HOST
Y ADAPTER
1
6
1
6
6
1
KBD A
6
1
1
MOUSE B
MOUSE A
6
1
6
KBD B
1
6
+24VF
15
GND
17
13
11
GND
7
+24VF
RFD CHG SW INPUT
11
GND
9
CONVEYOR IF B/D
CN17
CN18
CN17-4
RFD CHG SW
FFD CHG SW
FRONT START SW
REAR START SW
FROM KEYB/D
FROM MOUSE
FRONT KEY B/D
FRONT MOUSE
REAR MOUSE
REAR KEY B/D
C
-
NO
+
GND
5
+24VF
1
3
CN11
C
-
+
NO
C
-
+
NO
C
-
+
NO
CN6
LAMP OUT
16
GND
18
+24VF
14
GND
+24VF
+24VF
GND
FRONT SW
CVEN17-3
SW INPUT
CVEN18-3
IN4.2
IN5.2
IN5.2
GND
REAR SW
FRONT
REAR
FRONT
REAR
1A1B
1A1B
GR
GR
RD
RD
Y
X
X
Y
X
Y
X
Y
JP11
JP10
MK-RO01R
OP01
OP02
MK-RO03R
MK-RO04R
MK-RO05R
MK-RO06R
MK-RO09R
MK-RO10R
OP01-1
OP01-2
OP01-3
OP02-2
OP02-3
OP02-1
LAMP OUT
LAMP OUT
LAMP OUT
LAMP OUT

SAMSUNG TECHWIN
Page
141
CP45NEO
KVMS Board Interface (2/2)
HOST JA
1
EMG IN
KEYPAD USED
RXD
4
3
2
A: FRONT, B: REAR
TXD
CONVEYOR IF B/D CN26
+12V
GND
5
6
FRONT TEACHING BOX
6
GND
KEYPAD USED
EMG IN
+12V
RXD
TXD
1
JOG A
5
4
3
2
GND
REAR TEACHING BOX
GND
+12V
EMG IN
RXD
TXD
CONVEYOR IF B/D CN27
EMG IN
+12V
RXD
KEYPAD USED
KEYPAD USED
TXD
6
3
JOG B
6
5
4
1
2
1
HOST JB
5
4
3
2
6
1
5
4
3
2
6
1
5
4
3
2
6
1
5
4
3
2
6
1
5
4
3
2
PANEL
PANEL

SAMSUNG TECHWIN
Page
142
CP45NEO
Power Block Diagram
ISOLATION
SWITCH
CIRCUIT
BREAKER
NOISE
FILTER #1
TRANSFORMER
AC220
AC110
SERVO DRIVER
Y AXIS
X AXIS
Z1 AXIS
Z2 AXIS
Z3 AXIS
Z4 AXIS
Z5 AXIS
Z6 AXIS
S AXIS
W AXIS
NOISE
FILTER #2
POWER SUPPLY #1
POWER SUPPLY #2
PC POWER SUPPLY
POWER SUPPLY #4POWER SUPPLY #3
CONV. I/F B/D
HEAD I/F B/D
FRONT/REAR FEEDER I/F B/D
HEAD/STAGE ILL. I/F B/D
CONV. PACK B/D
R STEP I/F B/D
Y SUB I/F B/D
FRONT/REAR STICK FEEDER
R1/2 STEP DRIVER
R3/4 STEP DRIVER
R5/6 STEP DRIVER
CONV. STEP DRIVER
VME BACKPLANE
PC MOTHERBOARD
HDD
FDD