CP45NEO Technical Reference_CS_Ver - 第59页
Part List SAMSUNG TECHWIN Page 59 CP45NEO A ir Ass’y NO. LEVEL PART NO. PART NAME Q'TY TYPE Old No . Stock Reference 1 0.1 J9058014C AIR ASS'Y [J9058014C] 1 J9058014C 2 ..2 J6711119A UNION Y FITTING [KQ2U04-06]…

SAMSUNG TECHWIN
Page
58
CP45NEO
Air Ass’y
TBDA 10-30-ZE102B2
CDADS 12*25-ZE102B2
BDAS 16-5-CS5TB2
JNC4-M5
(SS5Y3-60-07D-7, AN203-KM8)
AR4000-04
AF4000-04BC
PL12-04
PC12-04
PL12-04
PC12-04
PV12
CM24
HH24
TU0425
UB1280B
PL4-M5 PL4-M5
JNC4-M5
M-5ALU-4
M-5ALU-4
PT3/8
0131-611008
PT 1/4
PL12-03
PC6-02
PC8-02
PC4-02
POC4-M5M
POC4-M5M
PB4-M5
POC4-M5M
POC4-M5M
2
0134-661020 0134-661021
POC4-M5M
POC4-M5M
ASN2
PB4-M5
0134-661020
POC4-M5M
POC4-M5M
0134-661021
2
TU0604
AS2001F-06
WDDA40X30
SS4-M5MA
CJPB6-10H4-B
AS1301F-M5-04
BDAS6X5-1A-ZC153A2 BDAS6X25-1A-ZC153A2
AS1201F
PL4-M5
AS2001F-04
PC6-02
SY3160-5L-C6 SY3160-5L-C4 SY3160-5L-C4 SY3160-5L-C4 SY3160-5L-C4 SY3160-5L-C4 SY3160-5L-C4 SY3160-5L-C4
KQP-04-X19
KCE04-00
GP46-10-01L5
KQ2E04-01S
TU0425
PL6-02
JNC4-M5
TU0425
TU0425
TU0425
KQ2T04-00
TU0425
TU0425
TU0425
ASN2
ASN2 ASN2
CDADS 12*25-ZE102B2
PL4-02
KQ2F04-02
G46-7-02-C
KQL04-01S
KQL08-02S
BUSH(PT 1/2*1/4)
VACUUM PUMP
X40F6-KN
SS8-1/8
TU0806
TU0604
TU0806
F-3120-80
F-3120-20
F-3120-80
F-3120-80
F-3120-25
F-3120-80
11-4100-00-01
FILTER
F970-43
HEAD 6
AIR DISTRIBUTOR
BDAS 6-15-CS11T-A2
AS1201F-M3-04 AS1201F-M3-04
M-5HL-4 M-5AU-4
KJL04-M3
TU0425 TU0425
TU0425 TU0425
TU0425
0131-611008
PT 1/4
PL8-03
PL4-02
PC4-02
PL4-02
PC4-02
TU0805
KGUD04-06
KCE04-00
TU0425
TU0425
KGUD04-06
KCE04-00
PL6-02
PL6-02
TU0604
TU0604
PC8-02
PL8-03
TU0806
SS8-1/2
11-4100-00-01
HEAD 5 HEAD 4 HEAD 3 HEAD 2 HEAD 1
J7154102A
040-4E1-75-PLL-24
11-4100-00-01
F-3120-80
F-3120-80
F-3120-80
F-3120-20
F970-43
FILTER
F-3120-25
F-3120-80
11-4100-00-01
11-4100-00-01
F-3120-80
F-3120-80
F-3120-80
F-3120-20
F970-43
FILTER
F-3120-25
F-3120-80
11-4100-00-01
11-4100-00-01
F-3120-80
F-3120-80
F-3120-80
F-3120-20
F970-43
FILTER
F-3120-25
F-3120-80
11-4100-00-01
11-4100-00-01
F-3120-80
F-3120-80
F-3120-80
F-3120-20
F970-43
FILTER
F-3120-25
F-3120-80
11-4100-00-01
11-4100-00-01
F-3120-80
F-3120-80
F-3120-80
F-3120-20
F970-43
FILTER
F-3120-25
11-4100-00-01
F-3120-80
F-3120-80
11-4100-00-01
PRESSURE SENSOR
MPX5100AP
11-4100-00-01
KQ2T04-00
KCE04-00
J7154106
44B-BAA-GDFA-1BA-D
J7154106
44B-BAA-GDFA-1BA-D
J7154106
44B-BAA-GDFA-1BA-D
J7154106
44B-BAA-GDFA-1BA-D
J7154106
44B-BAA-GDFA-1BA-D
J7154106
44B-BAA-GDFA-1BA-D
TU0425
TU0425 KQU04-06
1
2
RVUM 4-4
3
4
6
7
F-3120-70
TU0604
(J6713022A)
(J6713022A)
11-4100-00-01
F-3120-80
TU0604
F-3120-70
11-4100-00-01
PRESSURE SENSOR
MPX5100AP
(J6713022A)
11-4100-00-01
F-3120-80
TU0604
F-3120-70
11-4100-00-01
PRESSURE SENSOR
MPX5100AP
(J6713022A)
11-4100-00-01
F-3120-80
TU0604
F-3120-70
11-4100-00-01
PRESSURE SENSOR
MPX5100AP
(J6713022A)
11-4100-00-01
F-3120-80
TU0604
F-3120-70
11-4100-00-01
PRESSURE SENSOR
MPX5100AP
(J6713022A)
11-4100-00-01
F-3120-80
TU0604
F-3120-70
11-4100-00-01
PRESSURE SENSOR
MPX5100AP
8
5
9
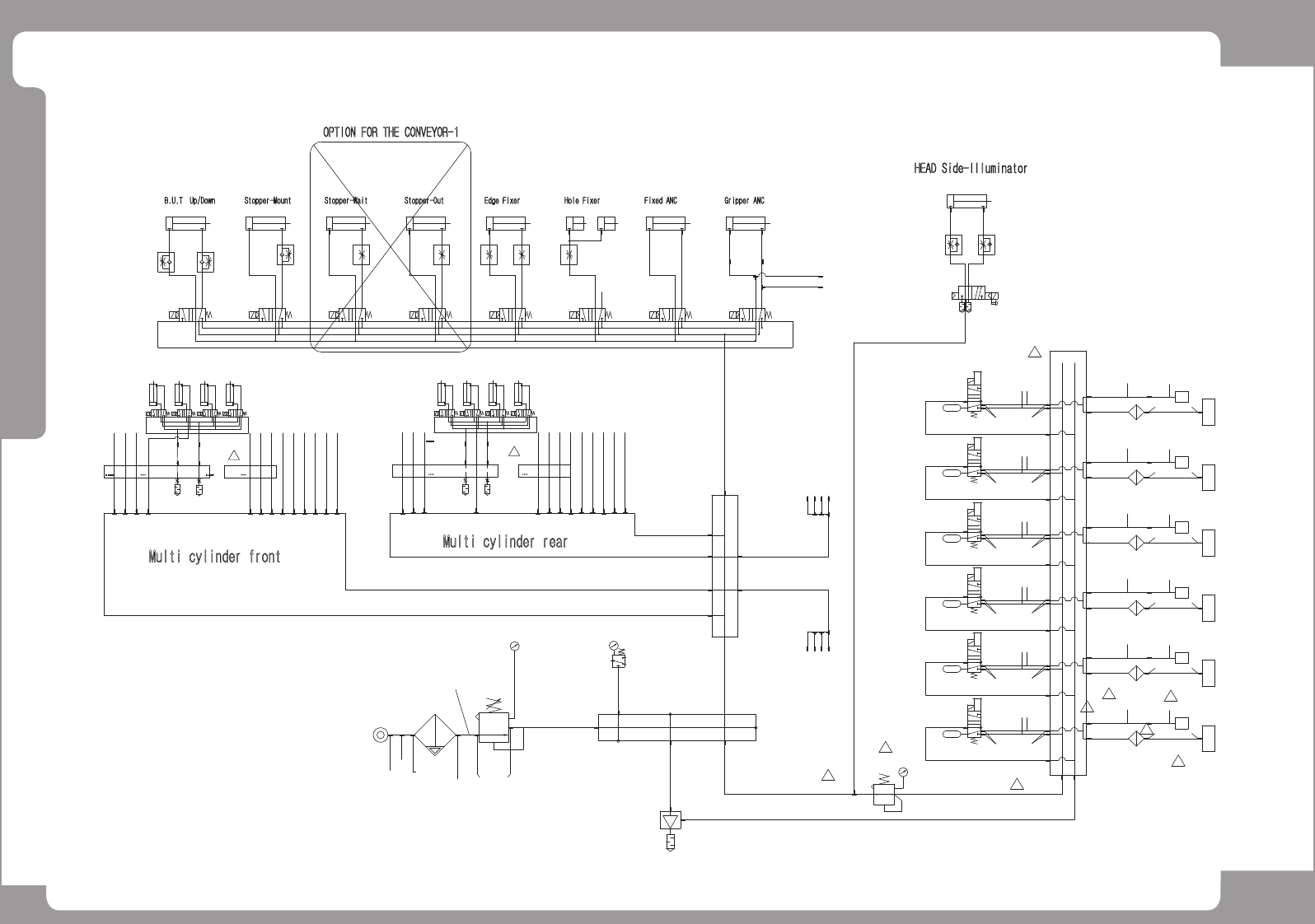
Stopper-Mount Stopper-Wait Stopper-Out Edge Fixer
Multi cylinder front
Multi cylinder rear
B.U.T Up/Down Hole Fixer Fixed ANC Gripper ANC
CONVEYOR-1
CONVEYOR-3 CONVEYOR-3
CONVEYOR-1
CP-50M
CONVEYOR-1
CP-50M
CONVEYOR-1
CP-50M
CONVEYOR-3
CONVEYOR-1
CP-50M
CONVEYOR-3
CP-50M CP-50M
CP-40 CP-40 CP-40 CP-40
CP-40
HEAD Side-Illuminator
CP-45FV
CP-45FV
CP-45FV (OPTION)
CP-45FV
CP-45FV
CP-45FV
CP-45FV
CP-45FV (OPTION)
OPTION FOR THE CONVEYOR-1

Part List
SAMSUNG TECHWIN
Page
59
CP45NEO
Air Ass’y
NO. LEVEL PART NO. PART NAME Q'TY TYPE
Old No. Stock
Reference
1 0.1
J9058014C AIR ASS'Y [J9058014C]
1
J9058014C
2 ..2
J6711119A UNION Y FITTING [KQ2U04-06]
1
KQ2U04-06
3 ..2
J6711166A DOUBLE UNION [UWD06-04]
2
UWD06-04
○
4 ..2
J1300620 SPEED CONTROLLER [AS2001F-04/SP100F-04]
1
AS2001F-04/SP100F-04
○
5 ..2
J6713035A AIR TUBE(POLYYRETHANE)[U2-4-4*2.5(BLUE)]
1.5
U2-4-4*2.5(BLUE)
6 ..2
J6713036A AIR TUBE(POLYYRETHANE)[U2-4-4*2.5(YELLOW
1.5
U2-4-4*2.5(YELLOW)
7 ..2
J6713017A AIR TUBE (POLYURETHANE)
8
U2-4-6*4 (BLACK)
8 ..2
J6713034A AIR TUBE(POLYYRETHANE)[U2-4-6*4(YELLOW)]
2
U2-4-6*4(YELLOW)
9 ..2
J6713018A AIR TUBE (POLYURETHANE)
2
U2-4-8*5 (BLACK)
10 ...3
J6707003A VACUUM PUMP [X40F6-KN]
1
X40F6-KN
○
11 ...3
J6711140A STRAIGHT FITTING [SS8-1/8]
1
SS8-1/8
○
12 ...3
J6711139A STRAIGHT FITTING [SS8-1/2]
1
SS8-1/2
○
13 ...3
J6711169A ELBOW FITTING [BTL08-01]
2
BTL08-01
○
14 ...3
J6712008A PLUG [PT 1/8]
3
PT 1/8
15 ...3
J9061897A AIR SOL V/V CABLE ASS'Y [J9061897A]
1
J9061897A
○
16 ....4
J6702021A SOLENOID VALVE [K180-4E1-21-DC24V]
1
K180-4E1-21-DC24V
○

SAMSUNG TECHWIN
Page
60
CP45NEO
Air Ass’y
Part Photo
J1301187 ELBOW FITTING [KQ2L12PL12-04] J6708016A
AIR FILTER [AF40-04BC]