NXT head partlist - 第108页
㈇ᅽ ┿✵࣏ࣥࣉࡼࡾ 1HJSUHVV )URP9DFXXPSXPS 237,21 % $ ┿✵◚ቯ 12==/( 12==/( 12==/( 12==/( >$@ >%@ >&@ >'@ 3RVSUHVV ṇᅽ .3D $LUEORZ ࣀࢬࣝࢡ࣮ࣜࢽࣥࢢ 1R]]OHFOHDQLQJ ⮬ືࣂࢵࢡࢵࣉࣆࣥᶵ⬟ $XWREDFNXSSLQHTXLSPHQW …

H04SF,H04S HEAD 4/5
H04SF,H04S ヘッド 4/5
2UGKHE000112
No. Dr
g
.No. & Code No. QTY Descri
p
tion Ratin
g
Materials Remarks
番号 図番 & コード番号 個数 品名
規
格材質 備考
1 2MGTHE000301 1 SEAL, BAR CODE シール バーコード OT
H04SF, GY0A1, Without Picker, unit serial number
5 2MGTHE000700 1 NAMEPLATE
銘
板PL
6 2MGTHE000800 1 BLOCK, REFERENCE
ブ
ロック 基準 FE
7 H52684 2 BOLT, HEX SOCKET ボルト 六角穴 M02.5X020 FE
8 W1020H 2 WASHER, LOCK ワッシャ ス
プ
リン
グ
2.5M
/
MFE
9 H65744 1 PIN ピン JPBB3-5 OT
11 2AGTHE000201 1 PIN, REFERENCE ピン 基準 OT
12 2AGTHE000300 1 PIN, REFERENCE ピン 基準 OT
51 PX09851 1 SEAL, BAR CODE シール バーコード OT
H04S,HY0A1, Without Picker, unit serial number
55 PX09900 1 NAMEPLATE
銘
板PL
56 AA18D06 1 PIN, REFERENCE ピン 基準 OT
57 H5268X 2 BOLT, HEX SOCKET ボルト 六角穴 M02.5X010 FE
58 W1020H 2 WASHER, LOCK ワッシャ ス
プ
リン
グ
2.5M
/
MFE
107
PTS-NAHEAD-02JE

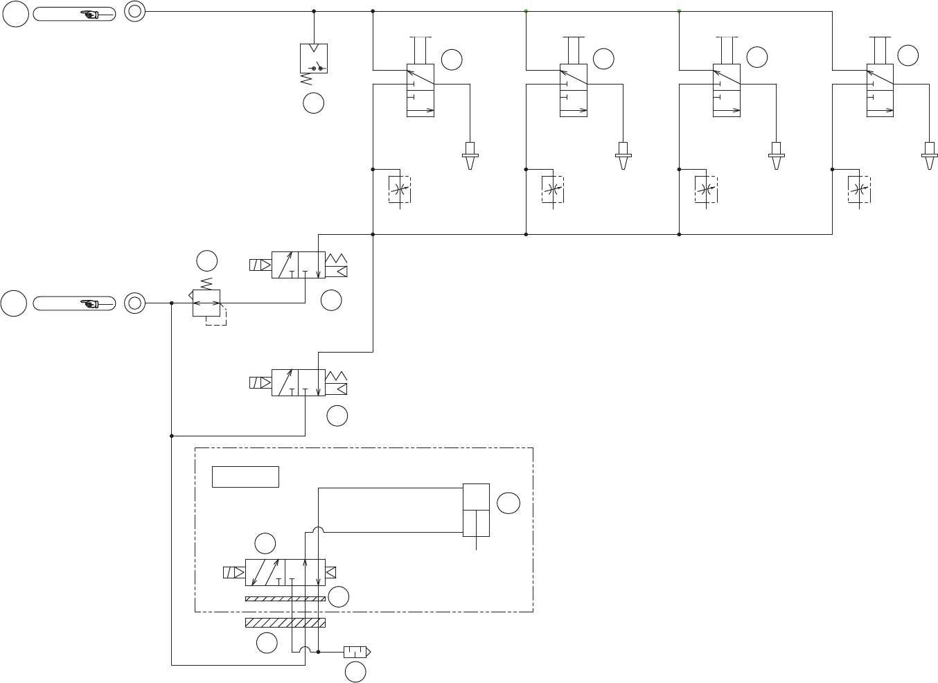
㈇ᅽ
┿✵࣏ࣥࣉࡼࡾ
1HJSUHVV
)URP9DFXXPSXPS
237,21
%
$
┿✵◚ቯ
12==/( 12==/( 12==/( 12==/(
>$@ >%@ >&@ >'@
3RVSUHVV
ṇᅽ
.3D
$LUEORZ
ࣀࢬࣝࢡ࣮ࣜࢽࣥࢢ
1R]]OHFOHDQLQJ
⮬ືࣂࢵࢡࢵࣉࣆࣥᶵ⬟
$XWREDFNXSSLQHTXLSPHQW
Ref.BED
Ref.BED
a1
a1
a2
a2
5
6
10
9
8
7
1
1
2
3
3
3
3
+6)+6࣊ࢵࢻ
+6)+6+($'
2UGKHE000112
108
PTS-NAHEAD-02JE

H04SF,H04S HEAD 5/5
H04SF,H04S ヘッド 5/5
2UGKHE000112
No. Dr
g
.No. & Code No. QTY Descri
p
tion Ratin
g
Materials Remarks
番号 図番 & コード番号 個数 品名
規
格材質 備考
1 XB03330 2 VALVE, SOL バル
ブ
SOL OT
2 XB00763 1 VALVE, PRESSURE REDUCING バル
ブ
減圧 OT
3 XS01186 4 SPOOL ス
プ
ール OT
5 S1058B 1 SILENCER サイレンサ AN120-M3 OT
6 H62140 1 PLATE
プ
レート SYJ3000-21-12A OT
7 XS00842 1 SENSOR, PRESSURE センサ 圧力 OT
8 PJ06032 1 PLATE, ACRYLIC
プ
レート アクリル OT
9 H1122D 1 VALVE, SOL バル
ブ
SOL SYJ3140-5M0U FE
10 XS01844 1 CYLINDER シリンダ OT
109
PTS-NAHEAD-02JE