NXT head partlist - 第124页
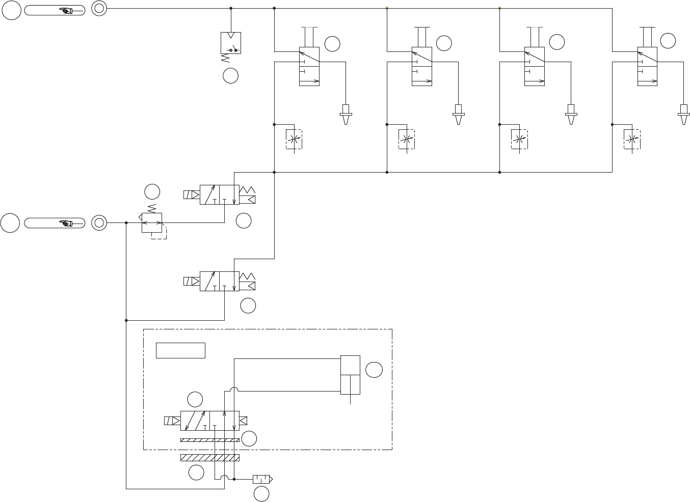
㈇ᅽ ┿✵࣏ࣥࣉࡼࡾ 1HJSUHVV )URP9DFXXPSXPS 237,21 % $ ┿✵◚ቯ 12==/( 12==/( 12==/( 12==/( >$@ >%@ >&@ >'@ 3RVSUHVV ṇᅽ .3D $LUEORZ ࣀࢬࣝࢡ࣮ࣜࢽࣥࢢ 1R]]OHFOHDQLQJ ⮬ືࣂࢵࢡࢵࣉࣆࣥᶵ⬟ $XWREDFNXSSLQHTXLSPHQW …
ࡇࡢ࣮࣌ࢪࡣࣈࣛࣥࢡ࣮࣌ࢪ࡛ࡍࠋ
This page is intentionally blank.
123
PTS-NAHEAD-02JE

㈇ᅽ
┿✵࣏ࣥࣉࡼࡾ
1HJSUHVV
)URP9DFXXPSXPS
237,21
%
$
┿✵◚ቯ
12==/( 12==/( 12==/( 12==/(
>$@ >%@ >&@ >'@
3RVSUHVV
ṇᅽ
.3D
$LUEORZ
ࣀࢬࣝࢡ࣮ࣜࢽࣥࢢ
1R]]OHFOHDQLQJ
⮬ືࣂࢵࢡࢵࣉࣆࣥᶵ⬟
$XWREDFNXSSLQHTXLSPHQW
Ref.BED
Ref.BED
a1
a1
a2
a2
5
6
10
9
7
1
1
2
3
3
3
8
3
+࣊ࢵࢻ
++($'
UH00856
124
PTS-NAHEAD-02JE

H04 HEAD 4/4
H04 ヘッド 4/4
UH00856
No. Dr
g
.No. & Code No. QTY Descri
p
tion Ratin
g
Materials Remarks
番号 図番 & コード番号 個数 品名
規
格材質 備考
1 XB03330 2 VALVE, SOL バル
ブ
SOL OT
2 XB00763 1 VALVE, PRESSURE REDUCING バル
ブ
減圧 OT
3 XS01186 4 SPOOL ス
プ
ール OT
5 S1058B 1 SILENCER サイレンサ AN120-M3 OT
6 H62140 1 PLATE
プ
レート SYJ3000-21-12A OT
7 XS00842 1 SENSOR, PRESSURE センサ 圧力 OT
8 PJ06032 1 PLATE, ACRYLIC
プ
レート アクリル OT
9 H1122D 1 VALVE, SOL バル
ブ
SOL SYJ3140-5M0U FE
10 XS01844 1 CYLINDER シリンダ OT
125
PTS-NAHEAD-02JE