NXT head partlist - 第166页
㈇ᅽ ┿✵࣏ࣥࣉࡼࡾ 1HJSUHVV )URP9DFXXPSXPS ࠉὀ⮬ືࣂࢵࢡࢵࣉࣆࣥᶵ⬟࢜ࣉࢩࣙࣥࢆྲྀࡅࡿሙྜࡣࠊ ࠉရ␒㸪ရ␒㸪ရ␒ࢆ㏣ຍࡋࠊရ␒㸪ရ␒ࡣせ࡞ࡾࡲࡍࠋ 1RWH:KHQWKHRSWLRQDODXWREDFNXSSLQHTXLSPHQWLVDWWDFKHGSDUWQXPEHUV DUHDGGH…
ࡇࡢ࣮࣌ࢪࡣࣈࣛࣥࢡ࣮࣌ࢪ࡛ࡍࠋ
This page is intentionally blank.
165
PTS-NAHEAD-02JE

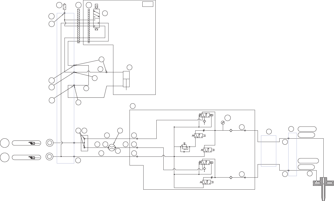
㈇ᅽ
┿✵࣏ࣥࣉࡼࡾ
1HJSUHVV
)URP9DFXXPSXPS
ࠉὀ⮬ືࣂࢵࢡࢵࣉࣆࣥᶵ⬟࢜ࣉࢩࣙࣥࢆྲྀࡅࡿሙྜࡣࠊ
ࠉရ␒㸪ရ␒㸪ရ␒ࢆ㏣ຍࡋࠊရ␒㸪ရ␒ࡣせ࡞ࡾࡲࡍࠋ
1RWH:KHQWKHRSWLRQDODXWREDFNXSSLQHTXLSPHQWLVDWWDFKHGSDUWQXPEHUV
DUHDGGHGDQGSDUWQXPEHUVDQGDUHQRWUHTXLUHG
[
[
[
;%
ȭ
0
0
ȭ
0
0
0
ȭ
ȭ
ȭ
ȭ
ȭ
$
%
ȭ
0
0
0
0
0
0
0
0
237,21
ࣀࢬࣝ྾╔
ࣃ࣮ࢶ྾╔
3DUWSLFNXS
1R]]OHSLFNXS
⮬ືࣂࢵࢡࢵࣉࣆࣥᶵ⬟
$XWREDFNXSSLQHTXLSPHQW
3RVSUHVV
ṇᅽ
.3D
Ref.BED
Ref.BED
a1
a1
a2
a2
ȭ
34
29
23
1
20
26
22
23
25
27
21
28
6
9
9
16
15
14
5
10
11
16
10
10
8
7
12
12
4
19
12
12
17
30
30
30
30
+࣊ࢵࢻ
++($'
UH00665
166
PTS-NAHEAD-02JE

H01 HEAD 5/5
H01 ヘッド 5/5
UH00665
No. Dr
g
.No. & Code No. QTY Descri
p
tion Ratin
g
Materials Remarks
番号 図番 & コード番号 個数 品名
規
格材質 備考
1 PT01515 1 BODY 本体 FE
4 AA37135 1 HOUSING ハウジン
グ
OT
5 PM35524 1 BOLT, JOINT ボルト ジョイント FE
6 XS01582 1 SENSOR センサ OT
7 S4033G 1 SENSOR, PRESSURE センサ 圧力 PSE543-M5 OT
8 A4067T 2 ELBOW エルボ M-5ALHU-4 OT
9 A4068H 2 ELBOW エルボ M-5ALU-4 OT
10 N2030T 3 NIPPLE ニッ
プ
ル M-5AU-4 OT
11 A4067A 1 ELBOW エルボ M-3ALU-4 OT
12 A4068G 4 ELBOW エルボ M-5ALU-3 OT
14 PZ14431 1 TUBE チュー
ブ
OT
15 PZ24381 1 TUBE チュー
ブ
OT
16 PZ07472 2 TUBE チュー
ブ
OT
17 PZ09531 1 HOSE, AIR ホース エアー OT
19 RH04339 1 HARNESS ハーネス OT
20 S1058B 1 SILENCER サイレンサ AN120-M3 OT
21 H62140 1 PLATE
プ
レート SYJ3000-21-12A OT
22 A4067G 1 ELBOW エルボ M-3AU-3 OT
23 A40669 3 ELBOW エルボ M-3ALU-3 OT
25 PZ15280 1 TUBE チュー
ブ
OT
26 PZ15271 1 TUBE チュー
ブ
OT
27 H1122D 1 VALVE, SOL バル
ブ
SOL SYJ3140-5M0U OT
28 XS01854 1 CYLINDER シリンダ OT
29 PJ06431 1 PLATE, ACRYLIC
プ
レート アクリル OT
30 H3145H 4 PLUG
プ
ラ
グ
M-3P OT
34 XB02474 1 VALVE UNIT バル
ブ
ユニット OT
167
PTS-NAHEAD-02JE