NXT head partlist - 第33页
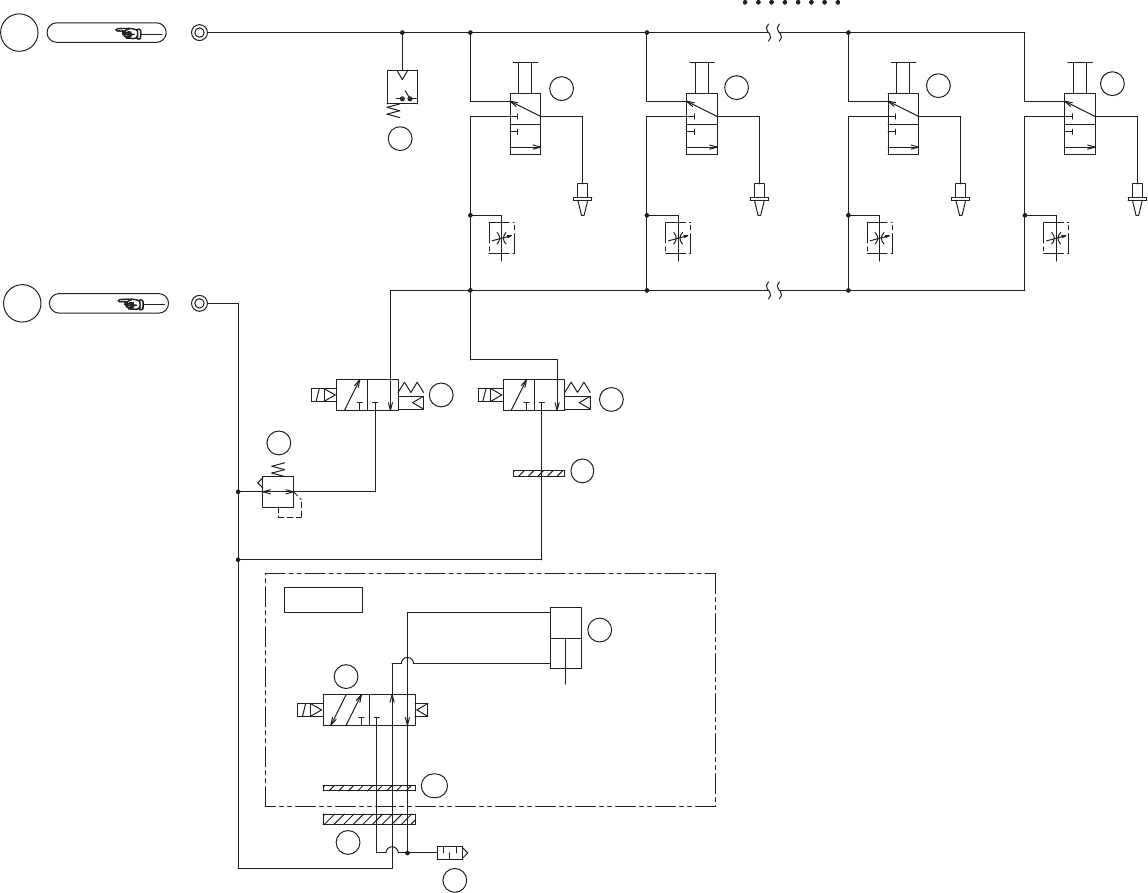
V12 HEAD 4/4 V12 ヘッド 4/4 UH03338 No. Dr g .No. & Code No. QTY Descri p tion Ratin g Materials Remarks 番号 図番 & コード番号 個数 品名 規 格材 質 備 考 1 XS00842 1 SENSOR, PRESSURE センサ 圧力 OT 2 XS03764 12 SPOOL ス プ ール OT 4 H11352 2…

㈇ᅽ
┿✵࣏ࣥࣉࡼࡾ
1HJSUHVV
)URP9DFXXPSXPS
Ref.BED
a2
a2
3RVSUHVV
ṇᅽ
.3D
Ref.BED
a1
a1
ࣀࢬࣝࢡ࣮ࣜࢽࣥࢢ┿✵◚ቯ
$LUEORZ
1R]]OHFOHDQLQJ
237,21
⮬ືࣂࢵࢡࢵࣉࣆࣥᶵ⬟
$XWREDFNXSSLQHTXLSPHQW
12==/( 12==/( 12==/( 12==/(
>$@ >%@ >.@ >/@
㸿
㹀
2
2
2
2
1
6
7
5
4
4
9
13
11
8
UH03338
9࣊ࢵࢻ
9+($'
32
PTS-NAHEAD-02JE

V12 HEAD 4/4
V12 ヘッド 4/4
UH03338
No. Dr
g
.No. & Code No. QTY Descri
p
tion Ratin
g
Materials Remarks
番号 図番 & コード番号 個数 品名
規
格材質 備考
1 XS00842 1 SENSOR, PRESSURE センサ 圧力 OT
2 XS03764 12 SPOOL ス
プ
ール OT
4 H11352 2 VALVE, SOL バル
ブ
SOL SYJ314R-5G OT
5 XB00763 1 VALVE, PRESSURE REDUCING バル
ブ
減圧 OT
6 H62140 1 PLATE
プ
レート SYJ3000-21-12A OT
7 S1058B 1 SILENCER サイレンサ AN120-M3 OT
8 H1122D 1 VALVE, SOL バル
ブ
SOL SYJ3140-5M0U OT
9 XS01844 1 CYLINDER シリンダ OT
11 2MGKHA008101 1 PLATE, ACRYLIC
プ
レート アクリル OT
13 PJ22721 1 PLATE, ACRYLIC
プ
レート アクリル OT
33
PTS-NAHEAD-02JE

㸨㹆㹘㸮㹂㸯ࠉ㸯㸰㸱㸲㸳㸴㸨
1
2
4
5
31
32
6
7
8
9
9
10
11
12
13
14
15
16
20
21
22
23
24
25
26
27
28
29
30
18
19
3
4.1
33
31
32
9+($'$872%$&.833,1(48,30(17
9࣊ࢵࢻ⮬ືࣂࢵࢡࢵࣉࣆࣥᶵ⬟
AA9TG05
34
PTS-NAHEAD-02JE