NXT head partlist - 第55页
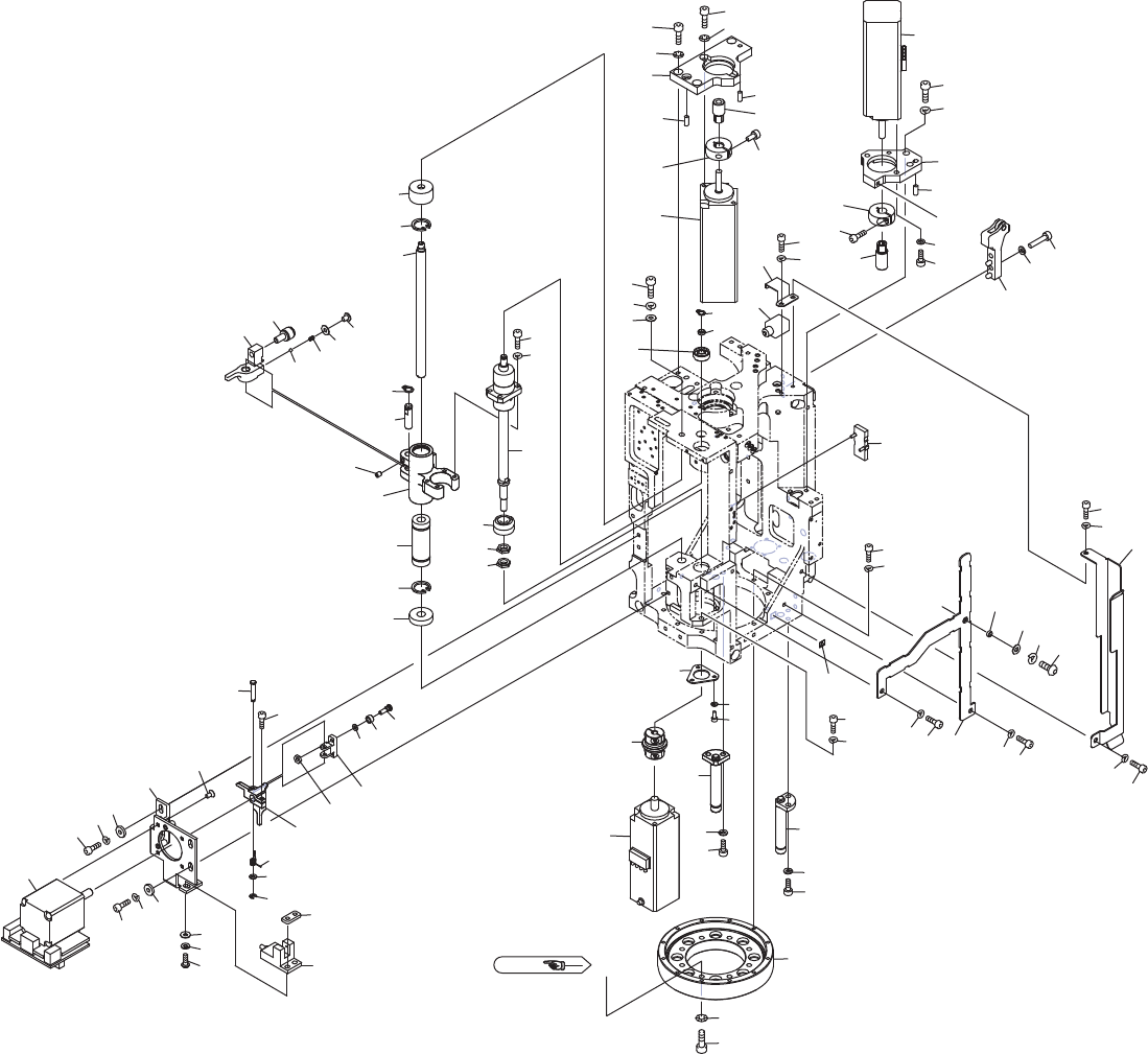
H08M HEAD 1/4 H08M ヘッド 1/4 2UGKHF000130 No. Dr g .No. & Code No. QTY Descri p tion Ratin g Materials Remarks 番号 図番 & コード番号 個数 品名 規 格材 質 備 考 1 2MGKHF005001 1 PLATE プ レート AL 2 R50035 2 ROLLER, NEEDLE ローラ ニードル φ 3X…

A
A
A
A
B
B
Ref.2/
1
2
2
3
4
5
6
7
8
9
10
11
24
25
26
33
34
35
36
37
37
38
39
40
41
42
43
44
45
46
16.1
48
49
50
51
52
53
54
55
56
57
58
59
62
63
64
65
66
67
68
69
67
68
69
70
71
72
73
74
105
106
108
107
75
76
77
78
79
80
81
82
83
84
85
86
88
88
89
90
89
90
92
93
94
109
96
97
97
98
98
99
100
101
110
103
102
104
12
13
14
16
17
18
19
20
21
22
23
15
60
92.1
92.2
79
21
22
+0+($'
+0࣊ࢵࢻ
2UGKHF000130
54
PTS-NAHEAD-02JE

H08M HEAD 1/4
H08M ヘッド 1/4
2UGKHF000130
No. Dr
g
.No. & Code No. QTY Descri
p
tion Ratin
g
Materials Remarks
番号 図番 & コード番号 個数 品名
規
格材質 備考
1 2MGKHF005001 1 PLATE
プ
レート AL
2 R50035 2 ROLLER, NEEDLE ローラ ニードル
φ
3X7.8 AWC3 OT
3 H5275A 3 BOLT, HEX SOCKET ボルト 六角穴 M03X008 FE
4 W1010A 3 WASHER, CONICAL ワッシャ 皿 M-3-L FE
5 XM01231 1 MOTOR, AC SERVO モータ ACサーボ OT
6 H5275A 2 BOLT, HEX SOCKET ボルト 六角穴 M03X008 FE
7 W1010A 2 WASHER, CONICAL ワッシャ 皿 M-3-L FE
8 PM0CMZ4 1 GEAR ギヤ FE
9 PM76241 1 COLLAR カラー FE
10 H5275A 1 BOLT, HEX SOCKET ボルト 六角穴 M03X008 FE
11 XM01013 1 MOTOR, AC SERVO モータ ACサーボ OT
12 H5275A 2 BOLT, HEX SOCKET ボルト 六角穴 M03X008 FE
13 W1010A 2 WASHER, CONICAL ワッシャ 皿 M-3-L FE
14 2MGKHF004900 1 PLATE
プ
レート FE
15 H5289N 2 BOLT, HEX SOCKET ボルト 六角穴 M04X014 FE
16 W1022A 2 WASHER, LOCK ワッシャ ス
プ
リン
グ
4M
/
MFE
16.1 R50035 2 ROLLER, NEEDLE ローラ ニードル
φ
3X7.8 AWC3 OT
17 PM76241 1 COLLAR カラー FE
18 H5275A 1 BOLT, HEX SOCKET ボルト 六角穴 M03X008 FE
19 PM06FL6 1 GEAR ギヤ FE
20 PB04BN0 1 BKT, RETAINER BKT 押え FE
21 H52683 2 BOLT, HEX SOCKET ボルト 六角穴 M02.5X005 FE
22 W1020H 2 WASHER, LOCK ワッシャ ス
プ
リン
グ
2.5M
/
MFE
23 XS00842 1 SENSOR, PRESSURE センサ 圧力 OT
24 AA06D10 1 ROLLER ローラ OT
25 H5278A 2 BOLT, HEX SOCKET ボルト 六角穴 M03X015 FE
26 W1021A 2 WASHER, LOCK ワッシャ ス
プ
リン
グ
3M
/
MFE
33 PZ48711 1 SHAFT シャフト FE
34 H5274A 1 BOLT, HEX SOCKET ボルト 六角穴 M03X006 FE
35 W1021A 1 WASHER, LOCK ワッシャ ス
プ
リン
グ
3M
/
MFE
36 W1040R 1 WASHER, FLAT ワッシャ 平 3M
/
MX0.5X7(1W-3)(3カクロ) FE
37 S10015 2 CIR-CLIP サークリッ
プ
RTW 12 OT
38 PG07300 1 STOPPER ストッパ PL
39 H42740 1 BEARING, SLIDE ベアリン
グ
スライド NL-6VUU-SW OT
40 PG06500 1 STOPPER ストッパ PL
41 PM0CXR1 1 SLIDER スライダ OT
42 PM76232 1 PIN ピン FE
43 S1027A 1 CIR-CLIP サークリッ
プ
STW 5 OT
44 N4019C 1 SCREW, HEX SOCKET SET ネジ 六角穴止め M03X004 ヒラサキ(ステンレス) FE
45 PM0CXS2 1 ARM アーム FE
46 K1090B 1 CAM FOLLOWER カムフォロア CFS4-A OT
48 PM04565 2 PIN, ROLLER ピン ローラ FE
49 PM04574 2 ROLLER ローラ FE
50 PM04552 2 COLLAR カラー FE
51 PH00907 1 ARM アーム FE
52 N1074Z 2 NUT, HEX ナット 六角 M02.5(ステンレス) OT
53 PM064M2 1 ARM アーム FE
54 H5265A 1 BOLT, HEX SOCKET ボルト 六角穴 M02X005 FE
55 PM46182 1 PIN ピン FE
56 PZ04721 1 SPRING, TORSION ス
プ
リン
グ
ネジリ FE
57 W1039K 1 WASHER, FLAT ワッシャ 平 2.5M
/
MX0.5X5(ステンレス) FE
55
PTS-NAHEAD-02JE

H08M HEAD 1/4
H08M ヘッド 1/4
2UGKHF000130
No. Dr
g
.No. & Code No. QTY Descri
p
tion Ratin
g
Materials Remarks
番号 図番 & コード番号 個数 品名
規
格材質 備考
58 S1003D 1 CIR-CLIP サークリッ
プ
ST-EW-2(3カ シロ) OT
59 2MGKHF004100 1 BKT, MOTOR BKT モータ AL
60 H62140 1 PLATE
プ
レート SYJ3000-21-12A OT
62 S4029E 1 SENSOR センサ PM-Y44P OT
63 PP00171 1 NUT ナット FE
64 K5256A 2 SCREW, HEX SOCKET BUTTON 小ネジ 六角穴ボタン M03X008 FE
65 W1021A 2 WASHER, LOCK ワッシャ ス
プ
リン
グ
3M
/
MFE
66 W1040R 2 WASHER, FLAT ワッシャ 平 3M
/
MX0.5X7(1W-3)(3カクロ) FE
67 H5275A 4 BOLT, HEX SOCKET ボルト 六角穴 M03X008 FE
68 W1021A 4 WASHER, LOCK ワッシャ ス
プ
リン
グ
3M
/
MFE
69 W1042A 4 WASHER, FLAT ワッシャ 平 4W- 3 FE
70 K5169R 4 SCREW, C
/
R COUNTERSUNK 小ネジ 十穴皿 M02.6X005(ステンレス) FE
71 XM01173 1 MOTOR, STEPPING モータ ステッピン
グ
OT
72 XB03791 1 BALL SCREW ボールネジ OT
73 H5268Z 4 BOLT, HEX SOCKET ボルト 六角穴 M02.5X008 FE
74 W1020H 4 WASHER, LOCK ワッシャ ス
プ
リン
グ
2.5M
/
MFE
75 S10267 1 CIR-CLIP サークリッ
プ
STW 4 OT
76 PM04642 1 COLLAR カラー AL
77 H4581B 1 BEARING, MINIATURE ベアリン
グ
ミニチュア 694ZZ OT
78 H4897A 1 BEARING ベアリン
グ
AC5-14DBSP2 OT SET
79 PM04723 2 NUT ナット AL
80 PB97201 1 RETAINER, BEARING 押え ベアリン
グ
FE
81 H5265A 3 BOLT, HEX SOCKET ボルト 六角穴 M02X005 FE
82 W1020A 3 WASHER, LOCK ワッシャ ス
プ
リン
グ
2M
/
MFE
83 XK04101 1 COUPLING カッ
プ
リン
グ
OT
84 XM00256 1 MOTOR, AC SERVO モータ ACサーボ OT
85 H5276A 2 BOLT, HEX SOCKET ボルト 六角穴 M03X010 FE
86 W1021A 2 WASHER, LOCK ワッシャ ス
プ
リン
グ
3M
/
MFE
88 AB22102 2 PIN, REFERENCE ピン 基準 OT
89 H5275A 4 BOLT, HEX SOCKET ボルト 六角穴 M03X008 FE
90 W1021A 4 WASHER, LOCK ワッシャ ス
プ
リン
グ
3M
/
MFE
92 XB03710 1 BEARING ベアリン
グ
OT
92.1 H5275A 8 BOLT, HEX SOCKET ボルト 六角穴 M03X008 FE
92.2 W1010A 8 WASHER, CONICAL ワッシャ 皿 M-3-L FE
93 H52680 12 BOLT, HEX SOCKET ボルト 六角穴 M02.5X015 FE
94 W1020H 12 WASHER, LOCK ワッシャ ス
プ
リン
グ
2.5M
/
MFE
96 PB0ADC3 1 BKT, WIRING BKT 配線 FE
97 H5273A 2 BOLT, HEX SOCKET ボルト 六角穴 M03X005 FE
98 W1021A 2 WASHER, LOCK ワッシャ ス
プ
リン
グ
3M
/
MFE
99 K5255T 1 SCREW, HEX SOCKET BUTTON 小ネジ 六角穴ボタン M03X006 FE
100 W1021A 1 WASHER, LOCK ワッシャ ス
プ
リン
グ
3M
/
MFE
101 W1038R 1 WASHER, FLAT ワッシャ 平 3M
/
MX0.5X7(ステンレス) FE
102 2MGKHF009401 1 COVER, WIRING カバー 配線 AL
103 H5273A 1 BOLT, HEX SOCKET ボルト 六角穴 M03X005 FE
104 W1021A 1 WASHER, LOCK ワッシャ ス
プ
リン
グ
3M
/
MFE
105 K52543 1 SCREW, C
/
R FLAT 小ネジ 十穴平 M03X004ヒラトウH=1.0ニッケル FE
106 W1040R 1 WASHER, FLAT ワッシャ 平 3M
/
MX0.5X7(1W-3)(3カクロ) FE
107 PZ49600 1 SPRING ス
プ
リン
グ
FE
108 H5065B 1 BALL, STEEL ボール スチール 2.5[mm] FE
109 PX00182 1 NAMEPLATE
銘
板PL
110 S61279 1 SPACER スペーサ CF-301.6ZE FE
56
PTS-NAHEAD-02JE