NXT head partlist - 第67页
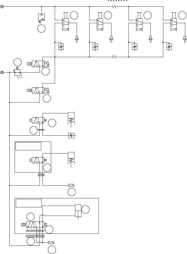
H08M HEAD 4/4 H08M ヘッド 4/4 2UGKHF000130 No. Dr g .No. & Code No. QTY Descri p tion Ratin g Materials Remarks 番号 図番 & コード番号 個数 品名 規 格材 質 備 考 1 XB03330 2 VALVE, SOL バル ブ SOL OT 2 XB00763 1 VALVE, PRESSURE REDUCING…

$XWREDFNXSSLQHTXLSPHQW
1R]]OHFOHDQLQJ
12==/(
12==/(
㹙㹆㹛㹙㹉㹛㹙㹀㹛㹙㸿㹛
┿✵◚ቯ
ࣀࢬࣝ
ࢡ࣮ࣜࢽࣥࢢ
ࠉ
㸿
㹀
⮬ືࣂࢵࢡࢵࣉࣆࣥᶵ⬟
ࢩࣜࣥࢪୗ㝆
6<5,1*('2:1
ࢩࣜࣥࢪୗ㝆ࢩࣜࣥࢲ
6<5,1*('2:1&</,1'(5
,36'2:1&</,1'(5
㹇㹎㹑⫼ᬒୗ㝆ࢩࣜࣥࢲ
㹇㹎㹑
12==/(
12==/(
$LUEORZ
㈇ᅽ
┿✵࣏ࣥࣉࡼࡾ
1HJSUHVV
)URP9DFXXPSXPS
3RVSUHVV
ṇᅽ
.3D
237,21
237,21
3333
8
2
1
1
5
5
6
13
9
7
6
10
11
+0+($'
+0࣊ࢵࢻ
2UGKHF000130
66
PTS-NAHEAD-02JE

H08M HEAD 4/4
H08M ヘッド 4/4
2UGKHF000130
No. Dr
g
.No. & Code No. QTY Descri
p
tion Ratin
g
Materials Remarks
番号 図番 & コード番号 個数 品名
規
格材質 備考
1 XB03330 2 VALVE, SOL バル
ブ
SOL OT
2 XB00763 1 VALVE, PRESSURE REDUCING バル
ブ
減圧 OT
3 XS03764 8 SPOOL ス
プ
ール OT
5 H1126W 2 VALVE, SOL バル
ブ
SOL V114A-5GR OT
6 S1058B 2 SILENCER サイレンサ AN120-M3 OT
7 H62140 1 PLATE
プ
レート SYJ3000-21-12A OT
8 XS00842 1 SENSOR, PRESSURE センサ 圧力 OT
9 PJ06032 1 PLATE, ACRYLIC
プ
レート アクリル OT
10 H1122D 1 VALVE, SOL バル
ブ
SOL SYJ3140-5M0U OT
11 XS01844 1 CYLINDER シリンダ OT
13 PJ24640 1 PLATE, ACRYLIC
プ
レート アクリル OT
67
PTS-NAHEAD-02JE

1
2
3
4
5
6
8
9
10
11
12
13
14
15
16
17
18
19
20
21
22
24
25
26
27
28
29
30
31
33
32
34
35
23
23
1
2
36
37
+0+($'$872%$&.833,1(48,30(17
+0࣊ࢵࢻ⮬ືࣂࢵࢡࢵࣉࣆࣥᶵ⬟
2UGKHF000130
68
PTS-NAHEAD-02JE