N7201A616E00_0317 - 第103页
NPM-W 2 EJM7DE-MB-02O-0 0 First layer Second layer Third layer Fourth layer 2-2-2 -2 Displays machine data at each nozzle positio n. Material preparation Nozzle (placemen t head) Displays production data and the feeder s…

NPM-W2 EJM7DE-MB-02O-00
First layer Second layer Third layer Fourth layer
2-2-2-1
Operator mode 1
Compo-
nent
names
Menu configuration 1
Operating procedure
2-2-2
Production start
Starts automatic production.
Adjustment soft switch
Temporarily changes the operating environment to debug the machine.
Production
menu
(before
production)
Remaining monitor
Checks information on the component shortage of each table in line.
Checks pickup status.
Pickup monitor
Status monitor
Displays production information during operations, parts shortages and
other status.
Production
menu
(during
production)
Inspection monitor
Displays inspection status during operation.
Continuous preparation
Controls individual preparation before production, per process.
Handles files; for example, loading machine data and saving machine
parameters.
File operation
Preparation
menu
Changes the operation mode.
Operation mode change
Home menu
*1)
*2)
*1)
*2)
*1)・For single lane mode
・For alternate mode on the dual lane mode
*2)・For independent mode on the dual lane mode
*1)
*2)

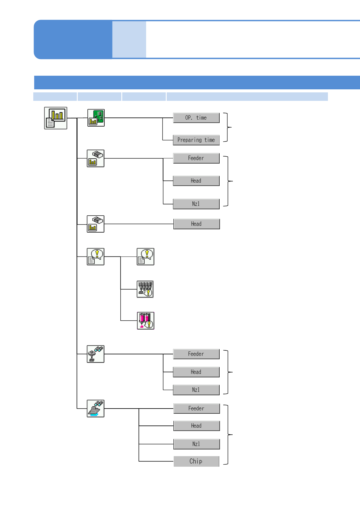
NPM-W2 EJM7DE-MB-02O-00
First layer Second layer Third layer Fourth layer
2-2-2-2
Displays machine data at each nozzle position.
Material
preparation
Nozzle (placement head)
Displays production data and the
feeder status in color.
Checks feeder status.
Checks the correction values
obtained from pickup position learning
during production, per feeder address.
Feeder
Operates the transcription unit.
(displayed when the transcription unit is mounted)
Checks production data and the tray
status in color.
Checks tray status.
Checks the correction values
obtained from pickup position learning
during production, per tray address.
Tray
Conveyor
Replaces the PCB support pin unit.
Displays PCB positions, and transfers
PCBs from their respective positions.
Adjusts rail width.
Calculates the consumption of components relative to the planned volume in
advance.
Production plan
Exchanges a nozzle (including a syringe).
Nozzle (dispensing head)
Checks the pos./No. of support pins (for
automatic change). (displayed when
automatic change specifications are
selected for the support pin)
Preparation

NPM-W2 EJM7DE-MB-02O-00
First layer Second layer Third layer Fourth layer
2-2-2-3
Pickup
information
Displays information on
operating time per stage.
Displays up to 20 emergency stop errors in chronological
order, with the most recent first.
Stop history
Displays the latest 50 errors in the vacuum sensor that
occurred during automatic operation in chronological order.
History
Pickup monitor
Displays component pickup
information.
Operating
information
Vacuum sensor error history
Production
information
menu
Displays component pickup
information.
Operator mode 2
Compo-
nent
names
Menu configuration 2
Operating procedure
2-2-2
Dispensing information
Displays dispensing (including
dummy dispensing) information.
Displays component inspection
information.
Inspection
information
Displays the latest 50 errors in the dummy dispensing
recognition that occurred during automatic operation in
chronological order.
Dummy dispensing recognition error history