M1_ServiceManual_e.pdf - 第14页

1 Installation 1-7 Pre-Process and Post-Process of Mounter Connecting Pre-Process and Post-Process When using other manufacturer’s m achines as the pre-process or post-process, connect them as shown in the below diagram.…

100%1 / 48
1 Installation
1-6
Connecting Loader with Mounter
There is an entrance sensor at the entrance of the mounter. If the loader is installed upstream of the mounter,
the entrance sensor must be moved to avoid interruption with the loader.
After the sensor has been moved, align the conveyors for smooth board transfer.
NOTE: While moving a sensor and aligning conveyors, the power to the mounter must be turned off.
a: The sensor position without a loader.
b: The sensor position with a loader installed upstream of the mounter.
Loader rack
Loaders frame
Normal position
Entrance Sensor
Position with loader installed
1 Installation
1-7
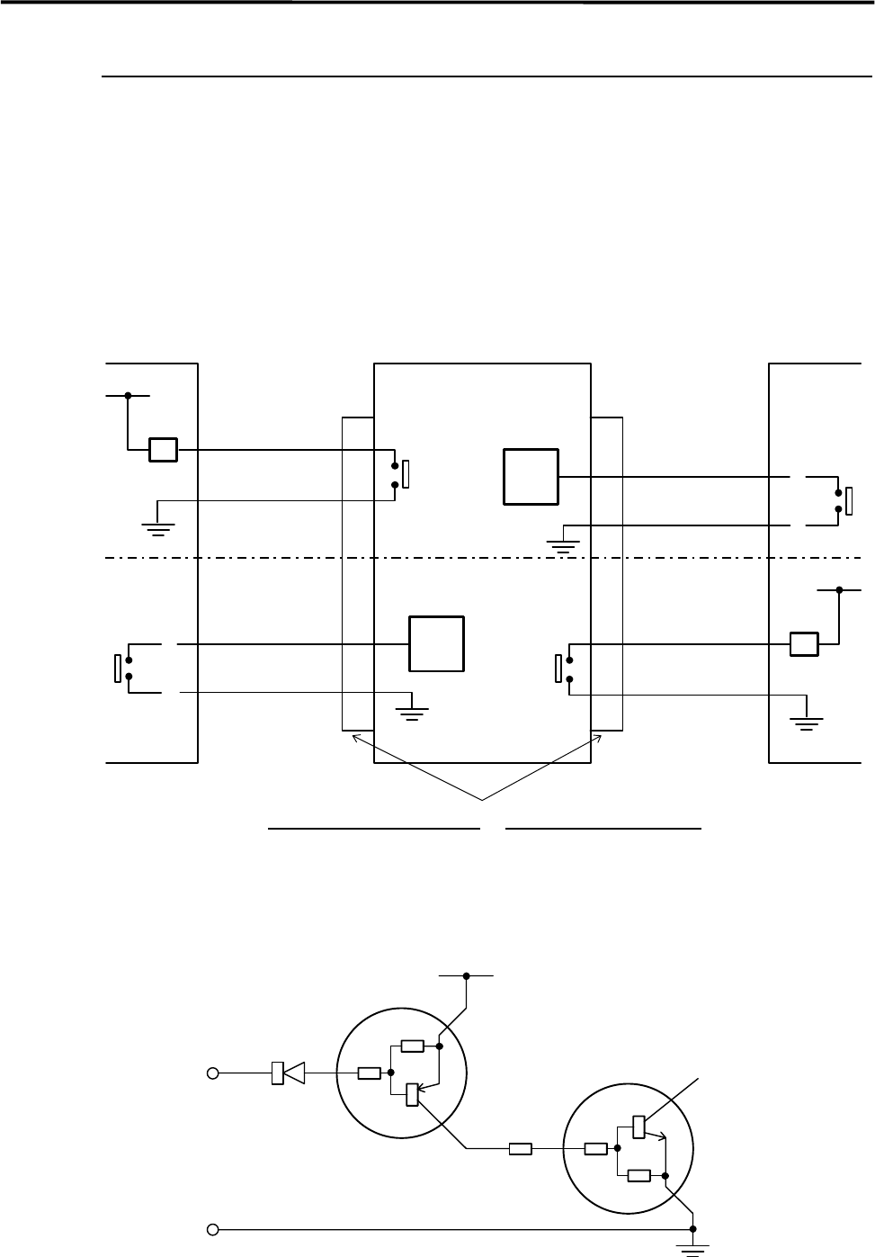
Pre-Process and Post-Process of Mounter
Connecting Pre-Process and Post-Process
When using other manufacturer’s machines as the pre-process or post-process, connect them as shown in
the below diagram. No-voltage output (relay) is recommended for post-process.
Standard spec. : Upper half of the diagram.
SMEMA Interface spec. : Whole diagram.
*INPUT CIRCUIT
*INPUT CIRCUIT
2
1
CN2 CN1
Post-process
Connector (Cable side)
AMP
206044-1(plug)
66099-2 or equivalent (pin)
206070-1(cable clamp)
Connector (Mounter side)
AMP
206043-1(receptacle)
MounterPre-process
BOARD
AVAILABLE
BOARD
AVAILABLE
MACHINE
NOT READY
2.2K Ω
10K Ω
10K Ω
10K Ω
10K Ω
COM
Input
terminal
*INPUT CIRCUIT
+5V
30VDC 1A or less
100VAC 0.5A or less
RELAY
RELAY
MACHINE
NOT READY
3
4
2
1
3
4
1 Installation
1-8
Sequence of Receiving PC board (Standard spec.)
When the mounter is ready to accept PC board, it sends out signals through MACHINE NOT READY
line to the pre-process.
The conveyor will be activated when the entrance sensor is activated while the mounter is sending out
the signals through MACHINE NOT READY line.
The mounter stops to send out the signals through MACHINE NOT READY line after the entrance
sensor was deactivated and the time set at WAIT-1 has passed.
The conveyor is deactivated when the arrival sensor is activated.
If the arrival sensor will not be activated within 10 seconds after the conveyor was activated, an error
[CONVEYOR TROUBLE] will result.
Pressing START button restarts the operation paused by the error.
MACHINE NOT READY
MACHINE NOT READY
CONVEYOR
ARRIVAL SENSOR
ENTRANCE SENSOR
ON
WAIT-1
WAIT-1
OR
ENTRANCE SENSOR