NPM料号 - 第55页
Ref No. Remarks R 1 Q'ty 9-C X軸:NPM-D3 X-Ax is:NPM-D3 イラスト No. Part No. 品 名 品 番 数量 R 2 パーツリスト Kit No. キット品番 Kit Name キット名称 N610160756AA Part Nam e 備 考 セク ション No . PARTS LIST Section No. R 3 PLATE 2 1 N210093674AB BR…

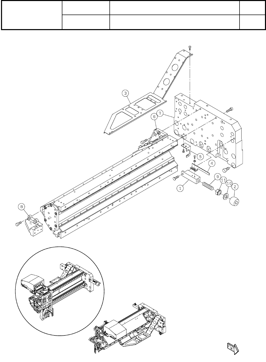
9-C
X軸:NPM-D3
X-Axis:NPM-D3
パーツレイアウト
Kit No.
キット品番
Kit Name
キット名称
N610160756AA
セクションNo.
PARTS LAYOUT
Section No.
--
S35
( KN610160756AA-21-3 )

Ref
No.
Remarks R
1
Q'ty
9-C
X軸:NPM-D3
X-Axis:NPM-D3
イラスト
No.
Part No.
品 名品 番 数量
R
2
パーツリスト
Kit No.
キット品番
Kit Name
キット名称
N610160756AA
Part Name
備 考
セクションNo.
PARTS LIST
Section No.
R
3
PLATE
2
1 N210093674AB
BRACKET
2
2 N210191488AA
BOLT
2
3 N210184016AA
PLATE
2
4 N210194631AC
BRACKET
2
5 N210183605AD
PLATE
2
6 N210134648AD
BRACKET
2
7 N210103043AB
COVER
2
8 N210188364AB
BRACKET
2
9 N210084790AB
BRACKET
2
10 MTPB008229AA
BRACKET
4
11 N210189801AB
HEAD PLATE
2
13 MTKP002609AB
MOTOR
2
14 N510067049AA
S
DS3045C1C1AA5C1
PIN
8
15 N510020608AA MMS5-15
SCREW
8
16 N510018278AA
Cross recessed Truss head machine screw M4X5-4.8 A2S (Trivalent)
PIN
8
18 N510020589AA MMS3-8
SPACER
4
19 N510026166AA CF-314E
COUPLER
2
20 N510045363AA MA-MS-SC4-06X08(CS33418-4)
SPACER
4
21 N510036999AA ASF-2605E
BOLT
4
22 N510067793AA Low Head Cap Screw M4X10-8.8 SOB
SPACER
4
23 N510029513AA ASF-410E
BOLT
4
24 N510067791AA Low Head Cap Screw M4X6-8.8 SOB
S36
--
( KN610160756AA-21-3 )

9-D
X軸:NPM-D3
X-Axis:NPM-D3
パーツレイアウト
Kit No.
キット品番
Kit Name
キット名称
N610160756AA
セクションNo.
PARTS LAYOUT
Section No.
--
S37
( KN610160756AA-21-4 )