P-199-001e - 第180页
MODEL TCM-3700-2 0109-001 178 ࠻ࡦࠬࡈࠔㇱ TRANSFER SECTION Fig. 9-3 ࠻ࡦࠬࡈࠔ㚟േㇱ Transfer Driver 14 15 16 21 18 19 20 22 23 59 38 39 40 41 42 43 44 45 46 66 67 68 65-1 47 54 63 64 57 65 66 67 68 16 17 See Fig.9-1 Key No.2 See F…

MODEL TCM-3700-2
0109-001
177
Key No. PART No. PART NAME Q’ty REMARKS
NOTE
9-2
1 630 084 4146 BRACKET(STOPPER) 1 739F--01B-027
1 -1 630 084 4160 BRACKET(STOPPER) 1 739F--01B-037
1 -2 630 084 4177 BLOCK(STOPPER) 1 739F--01B-038
1 -3 411 141 2905 WASHER SPR 4 2 SW4
1 -4 630 000 7701 BOLT,HEX-SCT 2 M4X40
2 411 141 4305 WASHER V 6X12.5X1.6 2 FW6
3 411 141 3001 WASHER SPR 6 2 SW6
4 630 000 7923 BOLT,HEX-SCT 2 M6X35
5 630 084 4153 SUPPORT 1 739F--01B-030
6 411 141 4305 WASHER V 6X12.5X1.6 2 FW6
7 411 141 3001 WASHER SPR 6 2 SW6
8 630 000 7886 BOLT,HEX-SCT 2 M6X16
9 411 141 0703 NUT HEX 6 6 M6
10 630 053 5181 PLATE(PHOTO L) 2 739F--01B-028
12 411 141 4305 WASHER V 6X12.5X1.6 4 FW6
13 411 141 3001 WASHER SPR 6 4 SW6
14 630 000 7879 BOLT,HEX-SCT 4 M6X12
15 630 000 0245 SENSOR,PHOTO 6 PHS45, PHS43, PHS47,
PHS104, PHS44, PHS124
739F--01H-004
16 630 000 0269 SENSOR,PHOTO(CONNECTOR) 6 739F--01H-025
17 411 088 9005 WASHER F 3X6X0.5 12 FWS3 F
18 411 086 4408 WASHER SPR 3 12 SW3 F
19 411 162 1604 SCR PAN 3X20 12 M3X20 PAN

MODEL TCM-3700-2
0109-001
178
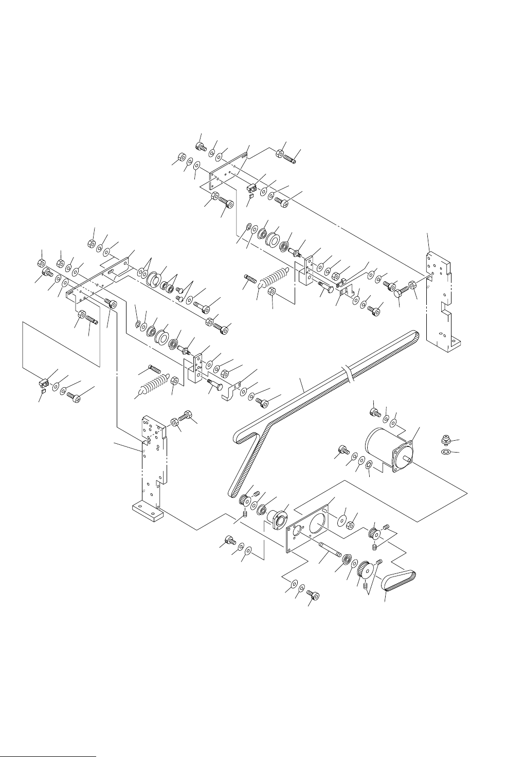
࠻ࡦࠬࡈࠔㇱ TRANSFER SECTION
Fig. 9-3 ࠻ࡦࠬࡈࠔ㚟േㇱ Transfer Driver
14
15
16
21
18
19
20
22
23
59
38
39
40
41
42
43
44
45
46
66
67
68
65-1
47
54
63
64
57
65
66
67
68
16
17
See Fig.9-1
Key No.2
See Fig.9-1
Key No.1
41
55
38
39
40
41
42
43
44
45
46
79
80
81
82
41
47
54
55
58
63
64
1
2
3
4
7
6
5
5-1
8
9
10
11
12
13
26
25
24
3
4
28
54
55
69
71
72
73
52
53
48
49
50
60
61
62
70
27
30
31
29
32
33
34
35
36
37
55
51
60
61
62
54
48
49
53
52
50
51-1
69
71
72
73
70
87
86

MODEL TCM-3700-2
0109-001
179
Key No. PART No. PART NAME Q’ty REMARKS
NOTE
9-3
1 630 053 5082 BRACKET(MOTOR) 1 739F--01B-003
2 630 005 7980 MOTOR,STEPPING 1 PM19(TR), #103-8573-5040
739F--01H-010
3 411 141 4107 WASHER V 5X10X1 2 FW5
4 411 141 6705 WASHER SPR 5 2 SW5
5 630 000 7756 BOLT,HEX-SCT 1 M5X12
5 -1 411 087 1109 WASHER IN TW 5 1
6 630 000 7770 BOLT,HEX-SCT 1 M5X20
7 630 001 0220 WASHER 1 739F--01H-021
8 411 141 0505 NUT HEX 5 1 M5
9 630 049 3894 PULLEY,TIMING(10L050) 1 739F--01H-007
10 630 000 8951 SET SCREW 2 M5X8 SET
11 411 141 4305 WASHER V 6X12.5X1.6 2 FW6
12 411 141 3001 WASHER SPR 6 2 SW6
13 630 000 7893 BOLT,HEX-SCT 2 M6X20
14 630 053 5105 HOLDER(BEARING) 1 739F--01B-005
15 630 048 8739 SHAFT(1) 1 739F--01B-004
16 630 001 1432 BEARING,RADIAL 2 739F--01H-012
17 411 141 6507 WASHER F 12X21X2.5 1 FWS12
18 630 049 3887 PULLEY,TIMING(16L050) 1 739F--01H-006
19 630 000 8951 SET SCREW 2 M5X8 SET
20 630 053 7529 BELT,TIMING 1 739F--01H-008
21 411 141 6507 WASHER F 12X21X2.5 1 FWS12
22 630 049 3900 PULLEY,TIMING(10L050) 1 739F--01H-023
23 630 000 8944 SET SCREW 2 M5X6 SET
24 411 141 4107 WASHER V 5X10X1 3 FW5
25 411 141 6705 WASHER SPR 5 3 SW5
26 630 000 7763 BOLT,HEX-SCT 3 M5X16
27 630 053 5136 PLATE(L) 1 739F--01B-007
28 630 053 5143 PLATE(R) 1 739F--01B-017
29 411 141 6309 WASHER F 10X18X2 4 FWS10
30 630 048 8777 PULLEY(IDLE) 2 739F--01B-006
31 630 001 1272 BEARING,RADIAL 4 739F--01H-011
32 411 050 5004 SCR TRS 3X6 4 M3X6 TRS
33 411 141 6309 WASHER F 10X18X2 2 FWS10
34 630 000 8159 BOLT,HEX-SCT 2 M10X40
35 411 141 4701 WASHER V 10X21X2 2 FW10
36 411 141 3209 WASHER SPR 10 2 SW10
37 411 141 1106 NUT HEX 10 2 M10
38 630 048 8890 LEVER 2 739F--01B-009
39 630 048 8883 SHAFT(2) 2 739F--01B-008
40 630 049 3870 PULLEY,TIMING(14L050) 2 739F--01H-002
41 630 001 1425 BEARING,RADIAL 4 739F--01H-018
42 411 141 6309 WASHER F 10X18X2 2 FWS10
43 411 000 7102 RING C 10 2 739F--01H-027
44 411 141 6101 WASHER F 8X15.5X1.6 2 FWS8
45 411 141 3100 WASHER SPR 8 2 SW8
46 411 141 0901 NUT HEX 8 2 M8
47 630 048 8906 SHAFT(LEVER) 2 739F--01B-010
48 411 141 6101 WASHER F 8X15.5X1.6 2 FWS8