TR8S_TR8SR-Rev05 - 第40页
- - 19. SYSTEMD IAGRAM(1)

- -
REF.NO NOTE PARTNO DESCRIPTION Qty
1 401-28000 TAPE_GUIDE_BR_R_FB 1
2 401-54743 TAPE_GUIDE_BR_L_HARF 1
3 401-54693 TAPE_GUIDE_BR_HALF_BANK 1
4 401-54713 FEEDER_POSITION_LABEL_14 1
5 SM-0040601-SC SCREWM4X0.7L=6 4
6 SL-6041092-TN SCREW 1
7 SL-6061292-TN SCREW 2
8 400-84676 SEPARATION_PLATE 13
9 401-28045 TRASH_BOX_HOLDER_S 2
10 400-94864 TAPE_HOLDER_HANDLE 1
11 SL-6061292-TN SCREW 2
12 400-98844 ADJUSTER_FOOT 1
13 NM-6080001-SC NUTM8X1.25 1
14 401-10285 TAPE_HOLDER_PL 2
15 401-54694 REEL_FIXING_BAR14 2
16 401-54695 TAPE_SUPPORT_HALF 2
17 401-54696 TAPE_HOLDER_BR_HALF 3
18 SL-4040891-SC SCREWM4L=8 8
19 SL-6040892-TN BOLT 4
20 400-84674 REEL_SUPPORT_ANGLE 8
21 SM-0030601-SC SCREWM3X0.5L=6 8
22 SL-4030691-SC SCREWM3L=6 16
23 401-54698 CASTER_BRACKET_HALF 1
24 401-54699 TRASH_BOX_HOLDER_HALF 1
25 400-94860 TH_CASTER 2
26 SM-6040602-TN BOLT 12
27 401-10284 TH_ROLLER 2
28 NM-6060001-SC NUTM6 2
29 401-54697 TRASH_BOX_ASM_HALF 1
30 401-54689 TAPE_TRASH_GUIDE 1
31 401-54746 TAPE_TRUSH_GUIDE_PLATE 1
32 E2506-716-000 MOPMAGNET 2
33 WP-0641601-SC WASHER 1
34 SM-1031001-SC SCREWM3X0.5L=10 13
35 E1612-706-C00 REELSH 13
36 SL-4041091-SC SCREWM4L=10 4

- -
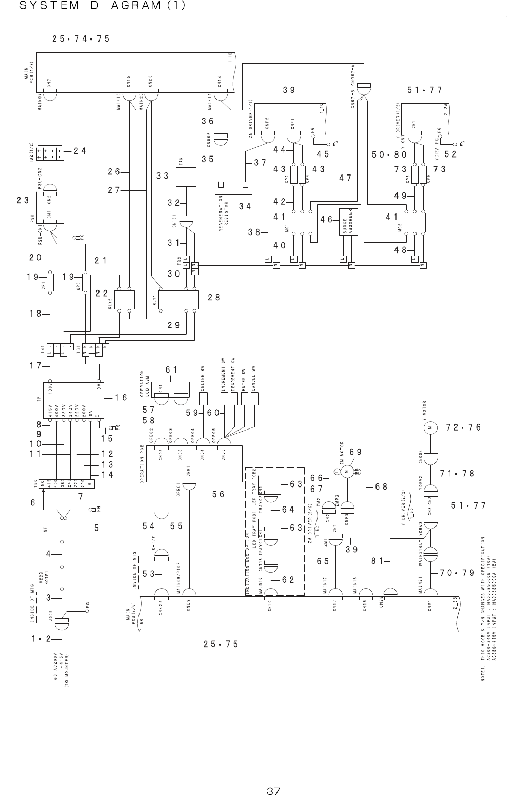
19.SYSTEMDIAGRAM(1)

- -
REF.NO NOTE PARTNO DESCRIPTION Qty
1 E9454-723-AA0 ACCABLEASM(CE) 1
2
#01
400-49752 ACPWRCABLE(TR5CE)ASM 1
3 401-53361 ACPOWERINPUTCABLEASM 1
4 401-54358 MCCB-NFWIREASM 1
5 400-45714 NOISEFILTER 1
6 400-49675 NFOUTPUTCABLEASM 1
7 400-49674 NFFGCABLEASM 1
8 400-49493 TFINPUTCABLE(415V)ASM 1
9 400-49494 TFINPUTCABLE(400V)ASM 1
10 400-49495 TFINPUTCABLE(380V)ASM 1
11 401-37853 TFINPUTCABLE(240V)ASM 1
12 401-37854 TFINPUTCABLE(220V)ASM 1
13 401-37855 TFINPUTCABLE(200V)ASM 1
14 400-49499 TFINPUTCABLE(0V)ASM 1
15 400-49500 TFFGCABLEASM 1
16 400-45701 TRANSFORMER 1
17 401-53362 TFOUTPUTCABLEASM 1
18 401-37851 PSUINPUTCABLE1ASM 1
19 HA-0052400-00 CIRCUITPROTECTOR 1
20 401-53368 PSUINPUTCABLE2ASM 1
21 400-49505 RELAY2DRIVECABLEASM 1
22 HB-0014000-00 RELAY 1
23 HX-0055000-00 POWERSUPPLY 1
24 401-53363 PSU-MAINPCBCABLEASM 1
25
#02
401-69065 MAINPCBASM8S 1
26 401-55251 RELAY2I/OCABLEASM 1
27 401-55253 RELAY1DRIVECABLEASM 1
28 HB-0014200-00 RELAY 1
29 400-45011 RELAY1INPUTCABLEASM 1
30 400-49680 RELAY1OUTPUTCABLEASM 1
31 401-55252 FANMOTORCABLEASM 1
32 401-55280 ACFANMOTORASM 1
33 HM-0003300-0A FAN 1
34 400-45704 REGENERATINGRESISTOR 1
35 401-55255 REGENERATINGRESISTORCABLE(ZM-G3_G4)ASM 1
36 401-55254 RELAY35DRIVECABLE1ASM 1
37 400-49683 REGENERATINGRESISTORCABLE(ZM-P,C)ASM 1
38 401-53365 ZMDRIVERPOWERCABLE(L11_L21)ASM 1
39 400-45702 SERVOAMP 1
40 401-13754 MC1INPUTCABLEASM 1
41 HA-0053000-00 MAGNETICCONTACTOR 1
42 401-37847 ZMDRIVERPOWERCABLE(L1_L2)1ASM 1
43 HA-0052400-0C CIRCUITPROTECTOR 1
44 401-53369 ZMDRIVERPOWERCABLE2L1_L2ASM 1
45 401-55261 ZMDRIVERFGCABLEASM 1
46 400-45025 SURGEABSORBERASM 1
47 401-37829 MC12CONTACTCABLEASM 1
48 401-13756 MC2INPUTCABLEASM 1
49 401-53366 YDRIVERPOWERCABLE1ASM 1
50
#05
401-53367 YDRIVERPOWERCABLE2ASM 1
51
#05
400-45711 STEPPINGMOTORDRIVER 1
52 401-55262 YDRIVERFGCABLEASM 1
53 400-94573 I/FCABLEASM 1
54 400-96157 MTC/MTSI/FCABLEASM 1
55 401-55835 PANELCABLEASM 1
56 400-42579 OPERATIONPCBASM 1
57 400-49734 LCDI/FCABLEASM 1
58 401-53388 LCDBLCABLEASM 1
59 401-53389 ONLINESWASM 1
60 401-53390 OPERATIONSWASM 1
61 401-54360 OPERATIONLCDASM 1
62 400-45202 TRAYLEDCABLE1ASM 1
63 400-42218 TRAYLED(15)PCBASM 1
64 400-45203 TRAYLEDCABLE2ASM 1
65 401-53370 ZMDRIVERCABLEASM 1
66 400-45048 ZMENCODERCABLEASM 1
67 401-53371 ZMMOTORCABLEASM 1
68 400-49521 ZMBRAKECABLEASM 1
69 400-45703 SERVOMOTOR 1
70
#05
400-49522 YDRIVERCABLEASM 1
71
#05
401-53372 YMOTORCABLEASM 1
72
#05
400-45060 YMOTORASM 1
73 HA-0052400-0A CIRCUITPROTECTOR 1
74
#03
401-85664 MAINPCBASM8SR 1
75
#04
401-69065 MAINPCBASM8S 1
76
#06
402-22210 YMOTORASM 1
77
#06
402-22208 STEPPINGMOTORDRIVER 1
78
#06
402-22236 YMOTORCABLEASM 1
79
#06
402-22229 YDRIVERCABLEASM 1
80
#06
402-22222 YDRIVERPOWERCABLE2ASM 1
81
#06
402-22238 YDRIVERRLYCABLEASM 1