TR8S_TR8SR-Rev05 - 第46页
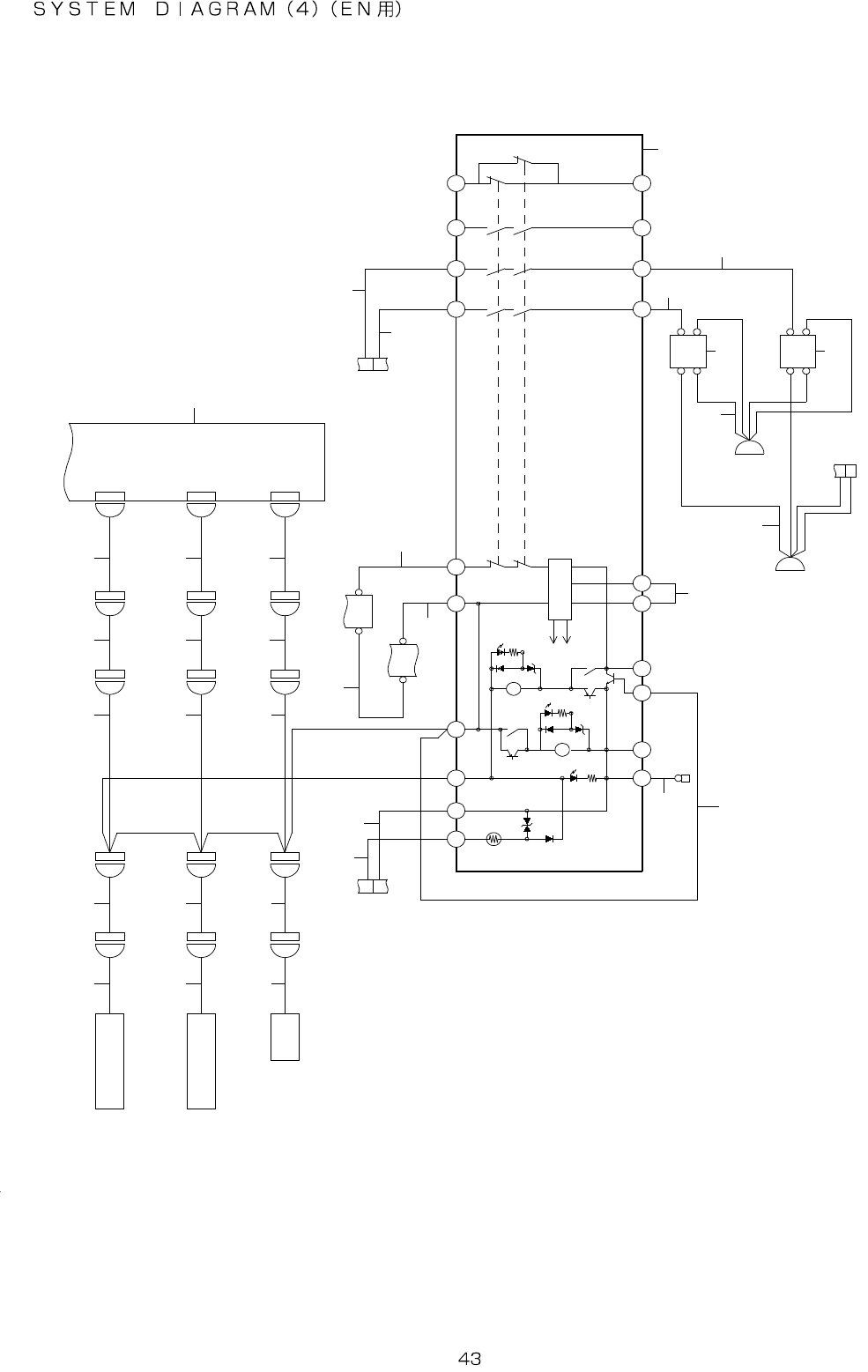
- - 22. SYSTEMDIAG RAM(4)(FOREN) 3 _ 4 A + E N G S W C N 1 2 1 C N 1 2 1 C N 1 0 7 - A C N 1 2 4 D O O R S O P E N S W C N 0 7 5 C N 1 2 0 C N 0 7 4 - A C N 1 2 3 D O O R M O P E N S W C N 0 7 3 C N 1 1 9 S C N P C…

- -
REF.NO NOTE PARTNO DESCRIPTION Qty
1 HD-0017000-00 SENSOR 1
2
#01
401-53404 YLIMIT+SENSORCABLEASM 1
3 400-41117 SCNPCBASM 1
4 HD-0017100-00 SENSOR 1
5 401-53405 YORG/LIMIT-SENSORCABLEASM 1
6 401-53406 TRAYHLD/RLSMSENSORCABLEASM 1
7 401-53407 TRAYHLD/RLSSSENSORCABLEASM 1
8 HD-0009000-00 PHOTOSENSOR 1
9
#01
401-53408 TRAYSENSOR+CABLEASM 1
10 401-53409 TRAYSENSOR-CABLEASM 1
11 401-53410 TRAYHOLDS.V.CABLE1ASM 1
12 400-49728 TRAYHLDS.V.ASM 1
13 401-53411 FANMOTOR(YMOTOR)CABLEASM 1
14 400-49579 FANMOTOR(YMOTOR)ASM 1
15 401-53412 CMPNTSENSORRCABLEASM 1
16 401-52797 CMPNTSENSORRASM(SNI) 1
17 401-53413 CMPNTSENSORLCABLEASM 1
18 401-52798 CMPNTSENSORLASM(SNI) 1
19 401-53384 CMPNTSENSORL3CABLEASM 1
20 401-53402 CMPNT35.0SENSORASM 1
21 401-53385 CMPNTSENSORR3CABLEASM 1
22
#01
401-53403 FEEDERFLOATRLYCABLEASM 1
23
#01
401-29057 SEPARATESENSORRECEIVERASM 1
24
#01
401-29058 SEPARATESENSOREMISSIONASM 1
25 400-49700 SLOWMODECABLEASM 1
26 400-42575 SLOWMODECTRLPCBASM 1
27 401-53414 SLOWMODE(TRAYHLD1)CABLEASM 1
28 401-56126 SLOWMODE(TRAYHLD1)ASM 1
29
#01
401-69065 MAINPCBASM8S 1
30 400-49701 SLOWMODEPOWERCABLEASM 1
31 401-53415 SLOWMODE(TRAYHLD2)CABLEASM 1
32 401-56127 SLOWMODE(TRAYHLD2)ASM 1
33 HD-0022300-00 PHOTOSENSOR 1
34 400-83282 STKSINPOSITIONSENSORCABLEASM 1
35 401-55567 STKMINPOSITIONSENSORCABLEASM 1
36 401-55945 RECONSTRUCTIONISSCNPCBASM 1
37 400-83280 SCNANTENNAMCABLE(5S)ASM 1
38 400-83281 SCNANTENNASCABLE(5S)ASM 1
39 400-75451 MTC/MTR_INPUTS_CABLE 1
40 400-73667 ANTENNAARRAY14MMPITCH/15POSITION 1
41 400-73757 5SSANTENNAARRAYRFIDI/FCABLEASM 1
42 400-96157 MTC/MTSI/FCABLEASM 1
43 400-96123 RFIDI/FCABLEASM 1
44 400-73756 5SMANTENNAARRAYRFIDI/FCABLEASM 1
45
#02
401-83373 YLIMIT+SENSORCABLEASM 1
46
#02
401-83374 TRAYSENSOR+CABLEASM 1
47
#02
401-83375 FEEDERFLOATSENSCABLEASM 1
48
#02
401-81501 SEPARATESENSORRECEIVERASM 1
49
#02
401-81502 SEPARATESENSOREMISSIONASM 1
50
#02
401-85664 MAINPCBASM8SR 1

- -
22.SYSTEMDIAGRAM(4)(FOREN)
3 _ 4 A
+
E N G S W
C N 1 2 1 C N 1 2 1 C N 1 0 7 - AC N 1 2 4
D O O R S O P E N S W
C N 0 7 5 C N 1 2 0 C N 0 7 4 - AC N 1 2 3
D O O R M O P E N S W
C N 0 7 3 C N 1 1 9
S C N P C B ( 5 / 5 )
C N 0 7 2 - AC N 1 2 2
1 _ 1 B
( C E )
C N 0 6 7 - B
1 41 3
8
R L Y 1 6
1 2
1 41 3
8
R L Y 1 4
1 _ 5 B
( C E )
C N 0 6 7 - A
T B 2
-
-
1 2
T B 2
-
2 2 2 1
M C 2
2 2 2 1
M C 1
S R L Y 1
K 2
K 1
b K 2
K 2
K 1
a
K 1
T H
S A
b
a C o n t r o l
C i r c u i t
4 23 42 41 4
BA
T 2 3 T 2 2
T 2 1
P E
A 2
4 13 32 31 3
T 1 2T 1 1
A 1
+
T B 2
F G
+
T B 2
C N 1 0 7 - A
C N 4 0
C N 1 0 7 - A
C N 4 9
S C N 0 7
C N 0 1
2 4 6
1 3 5
7 7 7
1 0
9
8 1 1 1 3
1 41 2
1 7
1 9
1 8
T 3 2T 3 1
1 6
1 5
2 2
2 3
2 4
2 0
2 1
2 5
2 6
2 7 2 7
2 8
2 9
3 0

- -
REF.NO NOTE PARTNO DESCRIPTION Qty
1 400-45228 DOORMOPENSWASM 1
2 401-53393 DOORMOPENSWCABLE2ASM 1
3 400-45233 DOORSOPENSWASM 1
4 401-53395 DOORSOPENSWCABLE2ASM 1
5 400-49697 EMERGENCYSW(REAR)ASM 1
6 401-53396 EMERGENCYSWCABLEREARCEASM 1
7 401-53391 SAFETYRELAYUNITCABLEASM 1
8 401-53392 DOORMOPENSWCABLE1ASM 1
9 400-50207 DOORMOPENSENSORCABLE1ASM 1
10 400-41117 SCNPCBASM 1
11 401-53394 DOORSOPENSWCABLE1ASM 1
12 401-55557 DOORSOPENSENSORCABLE1ASM 1
13 400-49750 RELAY10I/OCABLE1ASM 1
14 400-49556 EMERGENCYSW(REAR)CABLE1ASM 1
15 401-17274 SRLYPOWERCABLE(+)ASM 1
16 401-17275 SRLYPOWERCABLE(-)ASM 1
17 401-37843 MC1-22CABLEASM 1
18 401-37842 MC2-21CABLEASM 1
19 401-37844 SRLY1-T32CABLEASM 1
20 400-49642 SRLY-23CABLEASM 1
21 400-49643 SRLY-13CABLEASM 1
22 401-13776 SRLY1-T23CABLEASM 1
23 401-53397 SRLY-FGCABLEASM 1
24 401-17282 SRLY-ABCABLEASM 1
25 400-49747 RELAY14_16OUTPUTCABLEASM 1
26 400-49748 RELAY14_16DRIVECABLEASM 1
27 E9641-040-000 RELAYMY-2DC-24V 1
28 400-49745 SRLY-14CABLEASM 1
29 400-49746 SRLY-24CABLEASM 1
30 HB-0014300-00 SAFETYRELAYUNIT 1