00191915-01.pdf - 第116页

3 Introduzione e concetti f ondamentali Istruzioni per l’uso SIPLACE 80S-20/F4 3.1 Elementi di visualizzazione e di comando del dispositivo automatico Versione software SR.406.xx Edizione 02/2000 I T 114 3.1 Elementi di …

100%1 / 566
Istruzioni per l’uso SIPLACE 80S-20/F4 3 Introduzione e concetti fondamentali
Versione software SR.406.xx Edizione 02/2000 IT
113
3 Introduzione e concetti fondamentali
In questo capitolo verranno descritti gli elementi di visualizzazione e di comando del dispositivo
automatico e i componenti dell’interfaccia grafica di comando.
3
Verranno inoltre spegati i concetti fondamentali relativi all’uso del pannello di comando e le rispet-
tive funzioni. 3
INDICAZIONI
Operatori non ancora abituati all’uso del pannello di comando del software del calcolatore della
stazione (software CS) dovrebbero leggere assolutamente questo capitolo. 3
3 Introduzione e concetti fondamentali Istruzioni per l’uso SIPLACE 80S-20/F4
3.1 Elementi di visualizzazione e di comando del dispositivo automatico Versione software SR.406.xx Edizione 02/2000 IT
114
3.1 Elementi di visualizzazione e di comando del
dispositivo automatico
3.1.1 Sommario
3
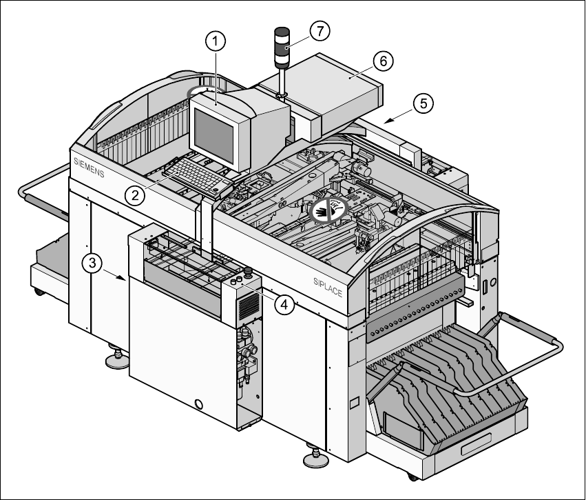
Fig. 3.1 - 1 Figura riassuntiva
Didascalia della Fig. 3.1 - 1
(1) Monitor
(2) Tastiera
(3) Interruttore principale
(4) Pannello di comando, lato anteriore
(5) Pannello di comando, lato posteriore
(6) Calcolatore
(7) Spia principale guasti
Istruzioni per l’uso SIPLACE 80S-20/F4 3 Introduzione e concetti fondamentali
Versione software SR.406.xx Edizione 02/2000 IT 3.1 Elementi di visualizzazione e di comando del dispositivo automatico
115
3.1.1.1 Dati generali
Ogni stazione è munita di un calcolatore della stazione. Il calcolatore della stazione, lo schermo
e la tastiera si trovano su una consolle ruotabile sopra al dispositivo automatico. 3
Le interfacce di comando si trovano nel lato di entrata e di uscita del dispositivo automatico e sono
dotate di tasto Start e Stop, di pulsante a fungo di ARRESTO DI EMERGENZA, di interruttore a
chiave e di contatore di componenti. 3
INDICAZIONE
I comandi dell’interfaccia del software CS potranno essere dati con la tastiera ed il trackball op-
pure con il Touch-Screen (vedi sezione 3.2.1). 3
La posizione degli interruttori e dei tasti (interruttore principale, interruttore a chiave, tasto Start,
tasto Stop, pulsante a fungo di ARRESTO DI EMERGENZA ecc...) è indicata nella Fig. 3.1 - 2 .
Le funzioni sono descritte nel Cap. 2.
3
AVVERTENZA
I portelli dello statore della macchina possono essere aperti solo da personale qualificato apposi-
tamente addestrato, dato che alcuni componenti del dispositivo automatico sono sottoposti a ten-
sioni pericolose.
E’ necessario inoltre attenersi strettamente alle disposizioni di prevenzione degli infortuni ed alle
norme DIN in vigore. In caso di mancata osservanza di tali norme, ne potranno conseguire de-
cesso, ferite gravi o notevoli danni materiali. 3
3