SIPLACE D4-D4i 工程师手册_EN - 第64页
Service Work Gantry 4.2.6 Replacing the Deflection Unit [00330938-02] 64 Service Manual SIPLACE D4/D4i 4.2.5.4 4 . 2 . 5 . 4 I n s t a llin g t h e t e n s io n in g k e y s Installing the tensioning keys 4.2.5.5 4 . 2 .…

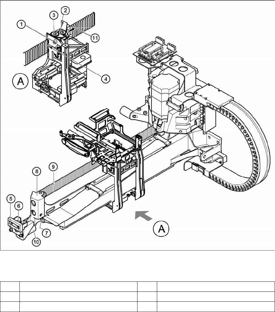
Service Work
4.2.5 Replacing the Tensioning Keys [00329478-01, 00329485-01] Gantry
Service Manual SIPLACE D4/D4i 63
Replacing the tensioning keys
Legend
1 Tensioning key [00329478-01] 7 Spacer bolt with Benzing U-clip
2 Tensioning key [00329485-01] 8 M4 x 5 hexagon socket-head screw
3 M4 x 35 hexagon socket-head screw for
tensioning the toothed belt
9 Synchronizing disk, short
4 Head mount 10 Synchronizing disk, long
5 Toothed belt for the X-axis 11 Locknut
6 Deflection pulley

Service Work
Gantry 4.2.6 Replacing the Deflection Unit [00330938-02]
64 Service Manual SIPLACE D4/D4i
4.2.5.4
4.2.5.4 Installing the tensioning keys
Installing the tensioning keys
4.2.5.5
4.2.5.5 Settings
Settings
4.2.6
4.2.6 Replacing the Deflection Unit [00330938-02]
Replacing the Deflection Unit [00330938-02]
4.2.6.1
4.2.6.1 Tools and Equipment
Tools and Equipment
▪ Set of DIN 911 Allen keys
▪ Belt tension measuring device TSM [00326015-01]
▪ "Measuring belt tensions" operating instructions
4.2.6.2
4.2.6.2 Parts
Parts
▪ Deflection unit X [00330938-02]
Replacing the tensioning keys
Installing the tensioning key, item 1 (synchronizing disk,
short)
► Place the tensioning key on the "short synchronizing
disk" (9).
► Fasten the tensioning key with the M4 x 5 hexagon
socket-head screw (8).
Installing the tensioning key, item 2 (synchronizing disk,
long)
► Use the Benzing U clip to fit the spacer bolt (7) onto
the new tensioning key.
► Place the tensioning key on the "long synchronizing
disk" (10).
► Use the size 8 Allen key to turn the synchronizing disk
slightly until the hexagon socket-head screw (3) can
be screwed in.
► Pretension the toothed belt by turning the hexagon
socket-head screw clockwise.
Replacing the tensioning keys
► Push the head mount towards the X-axis motor as far
as the stop on the elastomeric spring.
► Turn the hexagon socket-head screw to set the belt
tension to 53 Hz + 1/3 Hz.
CAUTION! Do not overstretch the toothed belt
when adjusting the belt tension.
► Secure the hexagon socket-head screw (3) with the
locknut (11).

Service Work
4.2.6 Replacing the Deflection Unit [00330938-02] Gantry
Service Manual SIPLACE D4/D4i 65
4.2.6.3
4.2.6.3 Removing the deflection unit
Removing the deflection unit
► Switch the machine off and secure it to prevent unauthorized reactivation, as described in section
4.3 from page 104 onwards.
► To relax the toothed belt (9), proceed as follows:
⇨ Loosen the locknut (11),
⇨ Turn the hexagon socket-head screw (1) counterclockwise.
► Remove the M4 x 35 hexagon socket-head screw (1).
► Pull the tensioning key (2) off the synchronizing disk (3).
► Pull the toothed belt (9) out through the opening in the tension jack (4).
► Unthread the toothed belt from the deflection unit (8).
► Loosen the two M3 x 8 hexagon socket-head screws (6) and remove the Y-brake "outside" (5).
► Loosen the two M6 x 10 hexagon socket-head screws (7) and remove the deflection unit ’X’ (8).
► Remove the elastomeric spring (10) from the deflection unit.
Replacing the deflection unit
Legend
1 M4 x 35 hexagon socket-head screw 7 2 x M6 x 10 hexagon socket-head screws
2 Tensioning keys 8 Deflection unit - X
3 Synchronizing disk, long 9 Synchroflex toothed belt