SIPLACE D4-D4i 工程师手册_EN - 第67页
Service Work 4.2.7 Replacing the X Axis Toothed Belt [00331076-02] Gantry Service Manual SIPLACE D4/D4i 67 4.2.6.5 4 . 2 . 6 . 5 S e t t in g s Settings 4.2.7 4 . 2 . 7 R e p la c in g t h e X A x is T o o t h e d B e lt…

Service Work
Gantry 4.2.6 Replacing the Deflection Unit [00330938-02]
66 Service Manual SIPLACE D4/D4i
4.2.6.4
4.2.6.4 Installing the deflection unit ’X’
Installing the deflection unit ’X’
See also
4.2.6.3 Removing the deflection unit [ ➙ 65]
4.2.6.5 Settings [ ➙ 67]
4 Opening in tension jack for toothed belt 10 25 x 10.5 x 50 elastomeric spring
5 Y-axis brake, external 11 Locknut
6 2 x M3 x 8 hexagon socket-head screws
Replacing the deflection unit
► Fit the elastomeric spring (10) on the new deflection
unit (8).
► Fix the deflection unit (8) to the gantry, with the two
M6 x 10 hexagon socket-head screws (7).
► Align the brake "outside" (5) so that it is parallel with
the braking surface and fix it to the deflection unit (8)
with the two M3 x 8 hexagon socket-head screws.
► Run the toothed belt (9) around the synchronizing
disk of the deflection unit (8).
Fitting the toothed belt on the tension jack
Legend
1. Head mount
2. Tension jack for the toothed belt
3. Opening for threading the toothed belt
4. Synchronizing disk, long
5. Tensioning keys
6. Spacer bolt with M4 threaded hole
7. M4 x 35 hexagon socket-head screw for tensioning
the toothed belt
8. Locknut
► Insert the toothed belt through the opening (3) in the
tension jack (2) until the toothed belt is run approx.
270° around the "long synchronizing disk" (4).
► Place the tensioning key (5) onto the synchronizing
disk (4).
► Use a size 8 Allen key to turn the synchronizing disk
(4) clockwise.
► Turn the hexagon socket-head screw (7) into the drill-
ing provided for the spacer bolt (6) and pretension the
X toothed belt.

Service Work
4.2.7 Replacing the X Axis Toothed Belt [00331076-02] Gantry
Service Manual SIPLACE D4/D4i 67
4.2.6.5
4.2.6.5 Settings
Settings
4.2.7
4.2.7 Replacing the X Axis Toothed Belt [00331076-02]
Replacing the X Axis Toothed Belt [00331076-02]
4.2.7.1
4.2.7.1 Tools and Equipment
Tools and Equipment
▪ Set of DIN 911 Allen keys
▪ Belt tension measuring device TSM [00326015-01]
▪ "Measuring belt tensions" operating instructions
4.2.7.2
4.2.7.2 Parts
Parts
▪ Toothed belt, Synchroflex 50 ATS5/-1205, E9/-11 [00331076-02]
4.2.7.3
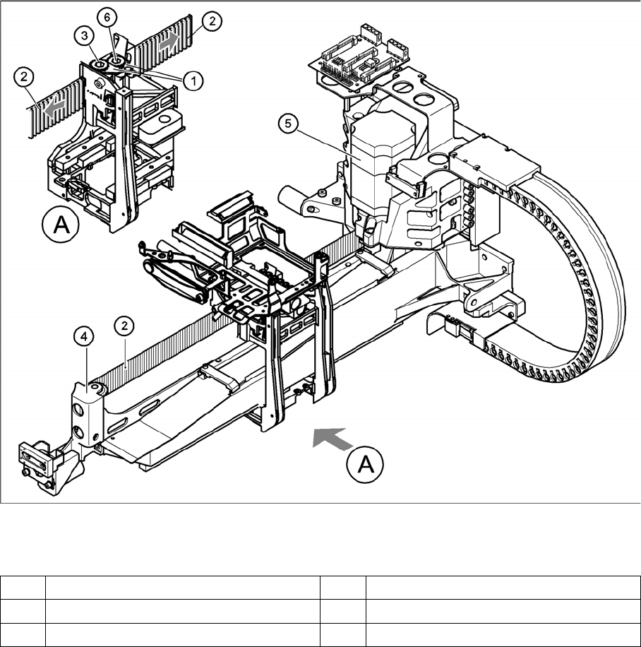
4.2.7.3 Removing the X-axis toothed belt
Removing the X-axis toothed belt
► Switch the machine off and secure it to prevent unauthorized reactivation as described in "4.2.1
Preparations for Service Work" [ ➙ 60].
► Remove both tensioning keys (1) (see "4.2.5 Replacing the Tensioning Keys [00329478-01,
00329485-01]" [ ➙ 62]).
► Pull the toothed belt (2) off the two synchronizing disks.
► Unthread the toothed belt from the deflection unit (4).
► Pull the toothed belt off the synchronizing disk of the X motor unit (5).
Fitting the toothed belt on the tension jack
► Push the head mount (1) towards the X axis motor
unit, as far as the stop on the elastomeric spring.
► Turn the hexagon socket-head screw (7) to set the
belt tension to 53 Hz +1/-3 Hz.
CAUTION! Do not overstretch the toothed belt
when adjusting the belt tension.
► Secure the hexagon socket-head screw (7) with the
locknut (8).
DANGER
POWERFUL MAGNETIC FIELD
Always follow the special safety instructions when working in the vicinity of powerful magnetic
fields (see section).

Service Work
Gantry 4.2.7 Replacing the X Axis Toothed Belt [00331076-02]
68 Service Manual SIPLACE D4/D4i
Removing the X-axis toothed belt
Legend
1 Tensioning keys 4 Deflection unit X
2 Toothed belt 5 X-axis motor unit
3 Synchronizing disk, long 6 Synchronizing disk, short