SIPLACE D4-D4i 工程师手册_EN - 第91页
Service Work 4.3.2 Cutter Component Handling Service Manual SIPLACE D4/D4i 91 4.3.2.7 4 . 3 . 2 . 7 R e p la c in g t h e S t a t io n a r y B la d e a n d M o v a b le B la d e in c l. S p a c e r s Replacing the Statio…

Service Work
Component Handling 4.3.2 Cutter
90 Service Manual SIPLACE D4/D4i
► Afterwards, rotate the stationary blade 180° on its vertical axis to the original installation position, in-
sert it into the cutter in this position and screw it tight. The right-hand end of the blade must now be
on the left!
► Fit the stationary blade.
► Assemble the cutter in the reverse order to disassembly.(See "4.3.2.7 Replacing the Stationary
Blade and Movable Blade incl. Spacers" [ ➙ 91].)
► Remove the parallel clamps from the cutter or dismantle the cutter from the mounting plate.
► Fit the cutter back into the machine.(See "4.3.2.5 Exchanging the Pneumatic Cutter" [ ➙ 83].)
► Fit the empty-tape duct assembly and check the gap between the empty-tape baffle, inside and the
leading edge of the tape deflector.
► Perform the "Final Steps".
See also
4.3.2.4.1 Tightening Torques for Cutter Screws [ ➙ 83]
6.4.3 Check the gap between the empty-tape baffle, inside and the leading edge of the tape deflec-
tor. [ ➙ 223]
4.3.2.14 Final Steps [ ➙ 107]
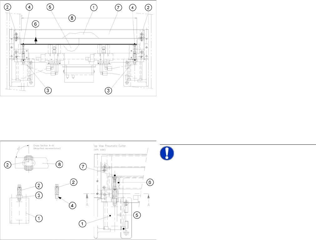
► Wear appropriately thick protective gloves!
► Make sure that the blades (1, 5) are clean. If they are
not, wipe all of their surfaces very carefully with a
clean cloth which has been folded several times.
► Turn the movable blade 180 ° on its vertical axis to
the previously marked installation position:
► Insert the movable blade into the cutter, in this angle
of rotation and push it in parallel, back into the original
mounting position.
► Apply Loctite no. 243 to the two M4 screws (4), to fas-
ten the joint in the moveable blade.
► Reinsert these screws in the left and right of the mov-
able blade.
► Align the articulated joint (3) so that the slanted side
of the blade engages with the slot in the blade.
NOTICE! Make certain that the midline / open-
end wrench surface of the articulated joint (2) is at right
angles to the slide surface of the movable blade (5, 6), so
that the articulated joint can slide smoothly in the slot (=
prevents turning) of the movable blade (8) .
► Use the size 11 open-end wrench to hold the appro-
priate articulated joint (2) and tighten the two screws
(7) .

Service Work
4.3.2 Cutter Component Handling
Service Manual SIPLACE D4/D4i 91
4.3.2.7
4.3.2.7 Replacing the Stationary Blade and Movable Blade incl. Spacers
Replacing the Stationary Blade and Movable Blade incl. Spacers
Removing the Old Blades incl. Spacers
WARNING! Wear appropriately thick protective
gloves!
There is a high risk of injury from the blades and the tape
deflector.
Never reach into the cutter from below or into the empty-
tape duct from above.
Make sure that no-one can injure themselves on the cut-
ter, after it has been dismantled and placed next to the
machine!
NOTICE! The stationary blade and the movable
blade, including the spacers, must always be exchanged
as a set, if both cutting edges are blunt.
The blades which are removed can be reground at the
factory (Siemens facility).
► Remove the cutter from the machine. (See "4.3.2.5
Exchanging the Pneumatic Cutter" [ ➙ 83].)
► Dismantle the deflector plate (12): 4 hexagon socket-
head screws M4 x 8 (13).
► Loosen the screws fastening the stationary blade on
the left and right (2).
► Mark the mounting position of the stationary blade
(on the blade) with a water-insoluble marker (= right
end = right).
► Before any further disassembly, fasten the disman-
tled cutter to the retaining bracket (LH and RH) with 2
parallel clamps, on a flat sturdy work bench, or screw
it tight to the mounting plate with four M6 hexagon
socket head screws
► Remove the stationary blade. (See "4.3.2.6 Turning
the Stationary and Moveable Blade by 180 °"
[ ➙ 87].)

Service Work
Component Handling 4.3.2 Cutter
92 Service Manual SIPLACE D4/D4i
Installing the New Blades and Matched Spacers
► If the new blades are not clean, carefully rub them (wear protective gloves) with a well folded, clean
and dry cloth. Do not use fat dissolving agents!
► Loosen the fixtures on the left and right tape deflector
holders above the movable blade (2 screws each on
the left and right, outer edge (7, 9). Do not loosen the
two Phillips screws (10).
► Remove the tape deflector holder (incl. cover plate
and tape deflector) and set this unit down carefully
(with the tape deflector up).
NOTICE! Only version 03 holddowns are to be
used for version 04 cutters (= with tape deflector).
The spacers removed are always replaced by the new
spacers included in the blade set. Blades and spacers
are matched.
► Remove the two holddowns and the spacers under-
neath them (11).
► Holding the articulated joint with a size 10 open-end
wrench (3), loosen the screws fastening the articulat-
ed joint in the movable blade (1 hexagon socket-head
screw each on the right and left (4)).
► This may require more strength than usual as the
screws have been secured with Loctite no. 243.
► Using protective gloves, take hold of the stationary
blade by its ends and lift it up and out of the cutter.
WARNING
Risk of injury!
► Wear appropriately thick protective gloves!
► There is a high risk of injury from the blades and the tape deflector.
NOTICE
► Make sure all parts are clean before installing them!
► The new blades are covered with a fine lubrication film.