YSM20_je - 第11页
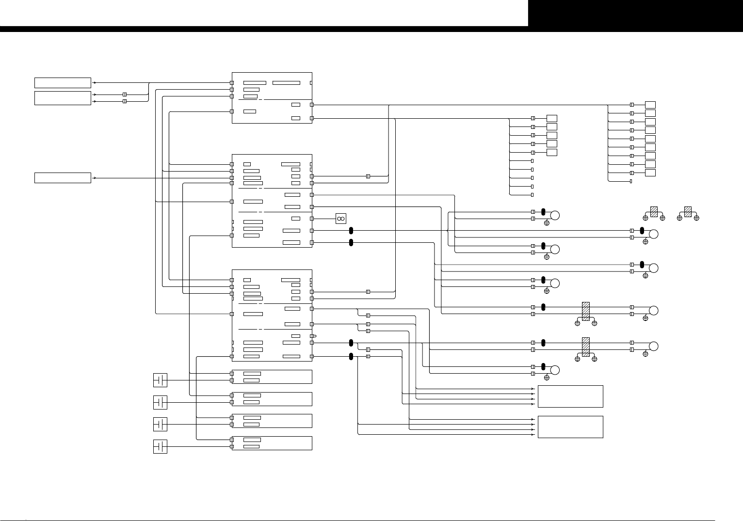
Confidential & P roprietary P A G E I/O CONVEYOR -4- POWER CIRCUIT J0252 J0056 CN33 CN41 CV EMG CV+24V CONTROL BOX -3- SYS LAN3 J0195 CV SENSOR 3 CV SENSOR 4 CV SENSOR 5 CV SENSOR 6 CV SENSOR 7 CV SENSOR 8 CV SENSOR …

Confidential & Proprietary
PAGE
CONTROL BOX ASSY A01
REMOTE IF
LAN1
IF LAN1 J0181
IF GOOD
RAS
IF RAS
USB1
USB2
USB3
USB4
LAN2
IF LAN2
J0203
J0186
J0261
C/R GOOD
CN33
J0252
HEAD A I/O UNIT
HEAD B I/O UNIT
I/O CONVEYOR -4-
HA LAN
HB LAN
DC12V IN
LCD1
FRONT TOUCH PANEL LCD1
VGA
LCD1
J0666
SERIAL
RS232C F
UPS SIG
J0901
J0101
I/O
IF I/O I/O A I/O A 1
I/O A 2 I/O A 3
SYSTEM
LAN1
LAN2
SYS LAN2 J0191
LAN3
J0195
VGA1
J0205
J0206
VGA2
SERIAL1
RS1 SERIAL1 J0207
SERIAL2
RS2 J0208
VGA
LCD2
SERIAL
RS232C R
J0667
USB4
J0210
J0209
USB3
USB1
USB2
J0931
J0932
AC IN
AC100V J0032
PE J0665
KEY
MOUSE
I/O AI/O A 4
DC12V IN
LCD2
REAR TOUCH PANEL LCD2
SYS LAN3
CN20
I/O CONVEYOR -2-J0102
UPS(OPTION)
POWER CIRCUIT
SIGNAL
J0103
FRONT ANC(OPTION)
J0109
FRONT CALIB.ST.(OPTION)
J0110
REAR ANC(OPTION)
SRV1 ECAT IN
CVS1 CN8
CONTROL BOX -1-
I/O R-ANC
I/O F-ANC
J0911
KEYBOARD ASSY(OPTION)
IT OPTION(OPTION)
POWER CIRCUIT
A06
KEYBOARD/MOUSE
A42
A41
FRONT BARCODE READER
REAR BARCODE READER
USB MEMORY
LCD1
LCD2
See Page 19
See Page 20
See Page 15
See Page 2
See Page 13
See Page 15
I/O CONVEYOR -4-
See Page 15
I/O CONVEYOR -4-
FEEDER STRUCTURE
I/O D
J0913
I/O
I/O D
REAR CALIB.ST.(OPTION)
J0912
J0104
F-FEEDER HOLDER
F-CAL.CMN
R-FEEDER HOLDER
R-CAL.CMN
See Page 4-6
CONVEYOR C/R
See Page 9-11
See Page 2
F
R
SYS USB1
SYS USB2
SYS3
SYS4SYS4
SYS3
I/O B
I/O C
CR I/O B
CR I/O C
E36
E37
See Page 23-27
QF21
XT21
I/O CONVEYOR -3-
See Page 14
I/O CONVEYOR -3-
See Page 14
CC.V2
8
CONTROL BOX -3-
YSM20-2

Confidential & Proprietary
PAGE
I/O CONVEYOR -4-
POWER CIRCUIT
J0252
J0056
CN33
CN41
CV EMG
CV+24V
CONTROL BOX -3-
SYS LAN3
J0195
CV SENSOR 3
CV SENSOR 4
CV SENSOR 5
CV SENSOR 6
CV SENSOR 7
CV SENSOR 8
CV SENSOR 9
CV1
CV2
CV3
CV4
CV5
CV6
CV7
CV8
CV9
CV SPARE
W3P
W3M
CV2M
CV2P
M12
□42 MAX 500rpm
CV2-AXIS 100W
M17
W3-AXIS 100W
□42 MAX 500rpm
CV4M
CV4P
M14
□42 MAX 500rpm
CV4-AXIS 100W
W2P
W2M
J0673
J0428
J0427
FLEXIBLE
DUCT W2
M16
□42 MAX 500rpm
W2-AXIS 100W
J0674
J0430
J0429
FLEXIBLE
DUCT W3
CN4SER ENC2
CVS2 CN6
CVS2 CN7
SRV BOARD ASSY P096
CV C/R SERVO UNIT ASSY-2
DI1 CN3
VAC CN2
DI2 CN5CN8B
CN8A
ETHER OUT
ETHER IN
OPTION IF CN1
S-POWERCN6
DOCN7
CVD2 CN5
CN1MOTOR 1
CN5 MOTOR POW
MOTOR 2 CN4
CVE2 CN8J0405
INC ENC 2CN2
INC ENC 1CN1
CN8 BATTERY
SER ENC1 CN3
HE2 CN5
FAN CN5
BATT BOARD ASSY-1 P101
BAT1 CN2
CN2 BATT OUT
CN1 BATT IN
DRV BOARD ASSY P097
BATT BOARD ASSY-2 P102
BAT2 CN2
CN2 BATT OUT
CN1 BATT IN
BATT BOARD ASSY-3 P103
BAT3 CN2
CN2 BATT OUT
CN1 BATT IN
BATT BOARD ASSY-4 P104
BAT4 CN2
CN2 BATT OUT
CN1 BATT IN
CVI CN7
CN8DO1
CVI CN8
CN7DO0
CVP CN1J0401
I/O BOARD ASSY P092
POW BOARD ASSY P091
J0402
J0080
CVI CN6
48V POW
IC POW
DO IN
CAMERA SEL POW48V/24V/EMG
CV C/R I/O UNIT ASSY
CN6
CVP CN3
CN3
CN1
CVP CN2
CN4CN2
J0403
SER ENC1 CN3
CVE1 CN8
ENC BOARD ASSY P095
J0404
INC ENC 2CN2
INC ENC 1CN1
CN8 BATTERY
SER ENC2 CN4
CN4MOTOR 2
CN1MOTOR 1
VAC CN2
CVS1 CN8
CVS1 CN6
CVS1 CN7
J0196
SRV BOARD ASSY P093
CV C/R SERVO UNIT ASSY-1
DI1 CN3
DI2 CN5CN8B
CN8A
ETHER OUT
ETHER IN
OPTION IF CN1
S-POWERCN6
DOCN7
CVD1 CN5
CN5 MOTOR POW
AHAM
ATAM
ATHBM
ATAP
AHAP
J0804
CVE2 CN4
CVE2 CN3
CVD2 CN4
J0425CVD2 CN1
CVS1 CN5
CVS1 CN3
CVD1 CN4
CVD1 CN1
J0422
J0421
J0411
CVE1 CN3 J0423
CVE1 CN4 J0424
J0412
J0426
CVS2 CN3
CVE CN5
FAN CN5
J0413
CVS2 CN5
CV DI1
CV DI2
J0414
GB11
GB12
GB13
GB14
ENC BOARD ASSY P098
DRV BOARD ASSY P094
J0675
REAR ATS(OPTION)
INTERCONNECTION DIAGRAM
See ATS
ATBM
ATBP
AHBM
AHBP
J0416
J0810
J0808
J0809
J0805
N2301001/T2301700
N2301000/T2300707
N2300006/T2300706
N2300005/T2300705
N2300004/T2300704
N2300003/T2300703
N2300002/T2300702
N2300001/T2300701
N2300000/T2300700
CV SENSOR 2 (Only for R>L)
CV SENSOR 1 (Only for R>L)
CV SPARE
CV10
CV11
CV12
CV13
CV14
CV15
CV16
CV17
CV18
CV SENSOR 10
CV SENSOR 11
CV SENSOR 12
N2302000/T2302700
N2302001/T2302701
N2302002/T2302702
N2302003/T2302703
N2302004/T2302704
CV SENSOR 14 (Only for L>R)
CV SENSOR 13 (Only for L>R)
W3M
W3P
CV3M
CV3P
M13
□42 MAX 500rpm
CV3-AXIS 100W
W1M
W1P
M15
□42 MAX 500rpm
W1-AXIS 100W
CV1P
CV1M
M11
□42 MAX 500rpm
CV1-AXIS 100W
W2M
W2P
W4M
W4P
M18
W4-AXIS 100W
□42 MAX 500rpm
J0672
See Page 2
See Page 15
See Page 8
SQ071
SQ072
SQ073
SQ074
SQ075
SQ076
SQ077
SQ078
SQ079
SQ081
SQ082
SQ083
SQ084
SQ085
CV C/R FAN
FAN 41
DUCT W4
FLEXIBLE
DUCT W1
FLEXIBLE
E43
E44
E41
E42
E51
E52
E53
E54
E56
E57
E58
E59
QF53
XT31
FRONT ATS(OPTION)
ATAM
ATAP
AHAM
AHAP
INTERCONNECTION DIAGRAM
See ATS
CC.V2
9
CONVEYOR C/R(DS)
YSM20-2

Confidential & Proprietary
PAGE
I/O CONVEYOR -4-
POWER CIRCUIT
J0252
J0056
CN33
CN41
CV EMG
CV+24V
CONTROL BOX -3-
SYS LAN3
J0195
CV SENSOR 1
CV SENSOR 2
CV SENSOR 4
CV SENSOR 5
CV SENSOR 6
CV SENSOR 7
CV SENSOR 8
CV SENSOR 9
CV1
CV2
CV4
CV5
CV6
CV7
CV8
CV9
CV SPARE
J0414
CN4SER ENC2
CVS2 CN6
CVS2 CN7
SRV BOARD ASSY P096
CV C/R SERVO UNIT ASSY-2
DI1 CN3
VAC CN2
DI2 CN5CN8B
CN8A
ETHER OUT
ETHER IN
OPTION IF CN1
S-POWERCN6
DOCN7
CVD2 CN5
CN1MOTOR 1
CN5 MOTOR POW
MOTOR 2 CN4
CVE2 CN8J0405
INC ENC 2CN2
INC ENC 1CN1
CN8 BATTERY
SER ENC1 CN3
HE2 CN5
FAN CN5
BATT BOARD ASSY-1 P101
BAT1 CN2
CN2 BATT OUT
CN1 BATT IN
DRV BOARD ASSY P097
BATT BOARD ASSY-2 P102
BAT2 CN2
CN2 BATT OUT
CN1 BATT IN
BATT BOARD ASSY-3 P103
BAT3 CN2
CN2 BATT OUT
CN1 BATT IN
BATT BOARD ASSY-4 P104
BAT4 CN2
CN2 BATT OUT
CN1 BATT IN
CVI CN7
CN8DO1
CVI CN8
CN7DO0
CVP CN1J0401
I/O BOARD ASSY P092
POW BOARD ASSY P091
J0402
J0080
CVI CN6
48V POW
IC POW
DO IN
CAMERA SEL POW48V/24V/EMG
CV C/R I/O UNIT ASSY
CN6
CVP CN3
CN3
CN1
CVP CN2
CN4CN2
J0403
SER ENC1 CN3
CVE1 CN8
ENC BOARD ASSY P095
J0404
INC ENC 2CN2
INC ENC 1CN1
CN8 BATTERY
SER ENC2 CN4
CN4MOTOR 2
CN1MOTOR 1
VAC CN2
CVS1 CN8
CVS1 CN6
CVS1 CN7
J0196
SRV BOARD ASSY P093
CV C/R SERVO UNIT ASSY-1
DI1 CN3
DI2 CN5CN8B
CN8A
ETHER OUT
ETHER IN
OPTION IF CN1
S-POWERCN6
DOCN7
CVD1 CN5
CN5 MOTOR POW
AHAM
ATAM
ATHBM
ATAP
AHAP
J0804
CVE2 CN4
CVE2 CN3
CVD2 CN4
J0425CVD2 CN1
CVS1 CN5
CVS1 CN3
CVD1 CN4
CVD1 CN1
J0422
J0421
J0411
CVE1 CN3 J0423
CVE1 CN4 J0424
J0412
J0426
CVS2 CN3
CVE CN5
FAN CN5
J0413
CVS2 CN5
CV DI1
CV DI2
J0414
GB11
GB12
GB13
GB14
ENC BOARD ASSY P098
DRV BOARD ASSY P094
REAR ATS(OPTION)
INTERCONNECTION DIAGRAM
See ATS
ATBM
ATBP
AHBM
AHBP
CV2P
CV2M
CV4P
CV4M
J0805
J0809
J0808
J0810
N2300000/T2300700
N2300001/T2300701
N2300003/T2300703
N2300004/T2300704
N2300005/T2300705
N2300006/T2300706
N2301000/T2300707
N2301001/T2301700
See Page 8
See Page 15
See Page 2
SQ071
SQ076
SQ075
SQ074
SQ077
SQ078
SQ079
SQ072
CV3
E43
E44
E41
E42
QF53
XT31
CV C/R FAN
FAN 41
CV SPARE
CV15
CV16
CV17
CV18
CV10
CV11
CV12
CV13
CV14
W1M
W1P
M15
□42 MAX 500rpm
W1-AXIS 100W
CV1P
CV1M
M11
□42 MAX 500rpm
CV1-AXIS 100W
CV3P
CV3M
W2P
W2M
W3P
W3M
W4P
W4M
E51
E56
FRONT ATS(OPTION)
ATAM
ATAP
AHAM
AHAP
INTERCONNECTION DIAGRAM
See ATS
CC.V2
10
CONVEYOR C/R(SL)
YSM20-2