YSM20_je - 第3页
Confidential & Proprietary P A G E Circuit Protector QF31 10A CONTROL BOX Each Motors Noise NF11 Filter 3∼ A C230V 1∼ A C100V ECAT ECAT ECAT MKY MKY MKY DC24VA 3∼ AC230V BARCODE READER(OPTIO N) USB KEY/MS(OPTION) USB…
YSM20
(2-beam)
Table of contents
/目次
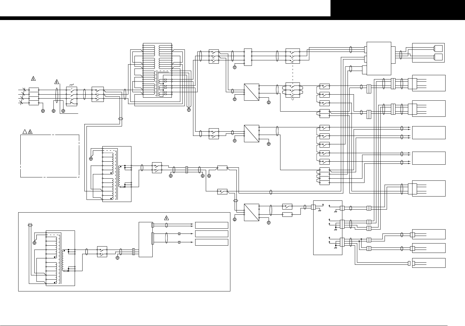
Over view / 全体接続図
Power circuit / 電源回路図
Emergency circuit / 非常停止回路図
Control box(DS) -1- /コントローラー接続図 (DS) -1-
Control box(SL) -1- /コントローラー接続図 (SL) -1-
Control box(DL) -1- /コントローラー接続図 (DL) -1-
Control box -2- /コントローラー接続図 -2-
Control box -3- /コントローラー接続図 -3-
Conveyor C/R(DS) / コンベアー C/R(DS) 接続図
Conveyor C/R(SL) / コンベアー C/R(SL) 接続図
Conveyor C/R(DL) / コンベアー C/R(DL) 接続図
I/O conveyor -1- / I/O コンベアー接続図 -1-
I/O conveyor -2- / I/O コンベアー接続図 -2-
I/O conveyor -3- / I/O コンベアー接続図 -3-
I/O conveyor -4- / I/O コンベアー接続図 -4-
I/O conveyor(DS) -5- / I/O コンベアー (DS) 接続図 -5-
I/O conveyor(SL) -5- / I/O コンベアー (SL) 接続図 -5-
I/O conveyor(DL) -5- / I/O コンベアー (DL) 接続図 -5-
Head A / ヘッド A
Head B / ヘッド B
HM Head / HM ヘッド
FM Head / FM ヘッド
FIX70 feeder structure(SSF) / 70 連固定フィーダー (SSF) 接続図
Front FES32 Feeder(SSF)/ATS / 前側 32 連台車フィーダー (SSF)/ATS 接続図
Rear FES32 Feeder(SSF)/ATS / 後側 32 連台車フィーダー (SSF)/ATS 接続図
Front FES32 Feeder(ZSF)/ATS / 前側 32 連台車フィーダー (ZSF)/ATS 接続図
Rear FES32 Feeder(ZSF)/ATS / 後側 32 連台車フィーダー (ZSF)/ATS 接続図
Ionizer assy (option) /イオナイザー ( オプション )
Power transformer / 電源トランス接続
Air circuit / エアー回路図
Wiring parts list / 配線部品表
P.1
P.2
P.3
P.4
P.5
P.6
P.7
P.8
P.9
P.10
P.11
P.12
P.13
P.14
P.15
P.16
P.17
P.18
P.19
P.20
P.21
P.22
P.23
P.24
P.25
P.26
P.27
P.28
P.29
P.30
P.38
Condential & Proprietary

Confidential & Proprietary
PAGE
Circuit
Protector
QF31 10A
CONTROL BOX
Each Motors
Noise
NF11
Filter
3∼ AC230V
1∼ AC100V
ECAT
ECAT
ECAT
MKY
MKY
MKY
DC24VA
3∼ AC230V
BARCODE READER(OPTION)
USB KEY/MS(OPTION)
USB MEMORY
TOUCH LCD
CAMERA UNIT
INPUT:
MOTOR:3∼ 230V
AC50/60Hz 4.0A(MAX)
CONTROL:1∼ 100V
OUTPUT:
DRIVER
STANDARD
Power Supply
GS31 600W 12.5A
DC48V
DC48V
DC48V
QF51 5A
QF52 5A
HEAD A
HEAD B
DC48V
ECAT
DC48V
ECAT
DC24VB
DC24VB
HEAD BRD.UNIT
HM HEAD
FM HEAD
HEAD BRD.UNIT
HM HEAD
FM HEAD
DS CONVEYOR
SL CONVEYOR
DL CONVEYOR
DC24VB
QF46 20A
I/O CONVEYOR BOARD
MKY
DC24VB
EMG S/W
COVER S/W
SIGNAL TOWER
SENSOR
VALVE
FDR SET ST.(OPTION)
IONIZER ASSY(OPTION)
Circuit
Protector
QF32 3A
DC24VA
Power Supply
DC24VA
GS21 600W 25A
QF41 7A
F.FEEDER HOLDER
DC24VA
QF43 5A
DC24VA
QF42 7A
DC24VA
QF44 3A
FAN MOTOR POWER
DC24VA
QF45 3A
R.FEEDER HOLDER
MKY
MKY
DC48V
QF53 5A
DC48V
DC24VB
ECAT
CONVEYOR CONTROLLER
CV,W MOTOR
SENSOR
BATTERY
Z,R MOTOR
SENSOR,VALVE
SENSOR,VALVE
Z,R MOTOR
See Page 19
See Page 21
See Page 22
See Page 21
See Page 22
See Page 20
See Page 9
See Page 10
See Page 11
See Page 4-8
CN1-CN13 …Page 12
CN14-CN24 …Page 13
CN25-CN28 …Page 14
CN29-CN45 …Page 15
DS CONVEYOR …Page 16
SL CONVEYOR …Page 17
DL CONVEYOR …Page 18
K3 K4
Control
Circuit
K1 K2 Off Delay
Timer
Safety Relay
EMERGENCY CIRCUIT
KM10
See Page 3
Circuit
Protector
380/400/416V
200/208/220/240
3∼ 50/60Hz
POWER TRANSFORMER
TERMINAL
Terminal
XB11
QS11 40A
Main Switch
QF11 40A
Main Breaker
TM11 5.18KVA
Transformer
3∼
TC11 1.00KVA
Transformer
POWER CIRCUIT
See Page 2
QF61 10A
Contactor
3∼ AC230V
KM11/KM11A
Contactor
KM12/KM12A
Power Supply
DC24VB
GS22 600W 27A
QF21 10A
1∼ AC100V
DC24VA
DC24VA
3∼
1∼
3∼ AC230V
1∼ AC230V
1∼ AC200V
3∼ AC230V
1∼ AC200V
1∼ AC100V
AC50/60Hz 7.2A(MAX)
3∼ 200V 0-375Hz
ATS -OP-
Rating 13.9KVA MAX.
See Page 28
FIX70(SSF)
See Page 23
FES32(SSF),ATS
FES32(ZSF),ATS
See Page 24
See Page 26
FES32(SSF),ATS
FES32(ZSF),ATS
See Page 25
See Page 27
FIX70(SSF)
See Page 23
See Page 29
1∼ AC100V
1:3.11KW(TOTAL)
2:3.11KW(TOTAL)
4:1.50KW(TOTAL)
2:3.11KW(TOTAL)
1:3.11KW(TOTAL)
3:2.13KW(TOTAL)
3:2.13KW(TOTAL)
CC.V2
1
OVER VIEW
YSM20-2

Confidential & Proprietary
PAGE
PE
PE
L1
L1
L2
L3
L2
L3
XB11
L1
L2
L3
L1
L2
L3
T2
T3
T1R1
S1
T1
J0001
J0001
MAX690V/40A
BRACKET
MAIN SWITCH
QS11
R1
S1
T1
QF11
NOTE:
MAX690V/40A
Icu≧7.5kA(AC440V)
E
6 3
25
4 1
MAX500V/20A
NF11
U52
V52
W52
LCD2
REAR
FRONT
LCD1
TOUCH PANEL MONITOR
3/L2 4/T2
5/L3
1/L1 2/T1
6/T3
MAX690V/12A
U52
V52
W52
U54
V54
W54
KM11
J0203
R2
S2 T2
W50
V50
U50
5.18KVA
J0003
J0004
J0005
J0006
J0007
J0008
J0002
R2
S2
S2
T2
R2
J0015
U51
V51
W51
U51
V51
QF31 10A
U50
V50
W50
TM11
W
V
U
230V
200V
230V
200V
230V
200V
N
0V
190V
200V
208V
220V
240V
0V
190V
200V
208V
220V
240V240V
220V
208V
200V
190V
0V
240V
220V
208V
200V
190V
0V
240V
220V
208V
200V
190V
0V
240V
220V
208V
200V
190V
0V
TC11
At the UPS specification
1.00KVA
J0019
J0020
J0021
S2
R2
+24VB
QF46 20A
XT42
0V24B
1
2
I/O CONVEYOR BOARD ASSY
1
2
+24V
CN1CN1
1
2
CN41
+24V-42
1
2
CN41
P021
+48V
GND+48V
+24V
GND+24V
CN2
A1
B1
A1
B1
・・
A3
B3 B3
A3
P091
CVP CN2
CV C/R POW BOARD ASSY
+24VB1
MAX600V/30A
600W 12.5A
Peak 41.5A 10sec
+48V
+48V
GND+48V
+24V
GND+24V
CN2
A1
B1
A1
B1
・・
A3
B3 B3
A3
GS31
GS21
0V48
L
N
FG
+
+
-
-
L
N
FG
+
+
-
-
600W 25A
Peak 83A 10sec
HP CN2
1
2
1
2
5
6
5
6
・・
U51
V51
W61
V61
5/L3
3/L2
1/L1 2/T1
4/T2
6/T3
MAX690V/12A
KM12
EMERGENCY CIRCUIT
+48VA+48V +48VA
QF51 5A
QF52 5A
QF53 5A
J0073
0V48
0V48
0V48
0V48
XT31
MAX600V/15A
0V48
0V48
J0072
J0041
J0018
QF42 7A
QF43 5A
QF44 3A
QF45 3A
XT41
J0042
+24VA2
+24VA3
+24VA4
QF41 7A
+24VA1
HEAD B POW BOARD ASSY
MAX600V/30A
0V24A
0V24A
J0017
QF32 3A
V61
W61
V60
W60
FAN PWR
CONVEYOR I/O -1-
+48VA1
+48VA2
+48VA3
+48V
GND+48V
+24V
GND+24V
CN2
A1
B1
A1
B1
・・
A3
B3 B3
A3
P032
HP CN2
1
2
1
2
5
6
5
6
・・
HEAD A POW BOARD ASSY
W60
V60
0V24A
0V24A
+24VA5
0V24A
J0055
J0056
J0012 J0013 J0014
J0016
J0078
J0075 H POW/EMG
H POW/EMG
J0076
J0079
J0050
J0049
J0052
J0053
J0080
1
2
1
2
CV+24V
1
2
1
2
・ ・
6 6
HB+48VJ0077
1
2
1
2
・ ・
6 6
HA+48VJ0074
+24VA +24VA
0V24A
0V24A
1
2
1
2
1
2
1
2
HA+24V
HB+24V
1
2
3
4
CN43
+24V-45
+24V-46
1
2
3
4
CN43J0057
+24V
GND+24V
1
2
CN1
F FDR ST BOARD ASSY(OPTION)
1
2
CN1
P141
+24V
GND+24V
1
2
CN1
1
2
CN1
P143
R FDR ST BOARD ASSY(OPTION)
J1011
J1001
CN44J0058
1
2
1
2
1
2
1
2
R FDR ST
F FDR ST
1
2
3
4
+24V-47
+24V-48
1
2
3
4
CN44
2
+24V
GND+24V
1
J0659
J0656
J0655
J0654
J0653
J0652
J0651
J0662
J0661
J0660
T1
T2
T3
L1
L3
L2
41 42
J0051
J0054
J0032
+24VB
L
N
FG
+
+
-
-
0V24B
600W 27A
V10
GS22
U11
J0663
J0664
QF21 10A
U11
U11
UPS OUTUPS INJ0903
V10
XT21
V10
V10
MAX600V/30A
J0657
V10A
U10A
QF61 10A
FDR CTRL BOARD ASSY(SPECIAL)
V51
U51
W51
J0658
0V24A
0V24A
0V24A
R1/R2 FDR PWR
FIX70/FES32,ATS
FEEDER HOLDER
U10
V10
V10B
U10B
*
・Between INCOMING SUPPLY TERMINAL BLOCKS XB11
・Secondary side of UPS.
and MAIN SW QS11.
・Chemical capacity for motor power in
CONTROL BOX A1.
Residual risk
when MAIN SW QS11 is OFF.
*The charge mark is put on the place
that might be gotten an electric shock.
・Lower of INCOMING SUPPLY TERMINAL BLOCKS XB11.
・Around J0001 harness.
・Near the MAIN SW QS11.
・On the lower former cover at CONTROL BOX A1.
・On the cover under the front right side.
・On the cover under the rear right side.
・On the cover under the rear center.
!
High Voltage
TC11
240V
220V
208V
200V
190V
0V
240V
220V
208V
200V
190V
0V
0V
100V
100V
100V
0V
0V
R2
S2
J0020
J0021
1.00KVA
J0656
J0655
V10B
U10B
J0031
V10B
U10B
J0009
J0010
J0011
ACIN
AC100V:CONTROL
AC230V:DRIVE
1
2
3
1
2
3
AC230V
AC100V
CONTROL BOX
A1
RAS
・
B8
A8
B7
A7
・
B10
A01
A1
・
A3
B3
DC24V:FAN POWER
C/R DC24V
0V24B
See Page 3
See Page 4-8
See Page 19
See Page 20
See Page 12
See Page 15
See Page 15
2
1
SP+24V
IF RAS LCD1
LCD2
0V24A
0V24B
F1/F2 FDR PWR
P052
See Page 12-18
(10sq)
≧AWG7
See Page 9-11
POWER
MOTOR
J0019
J0033
J0046
J0047
J0048
J0045
J0043
J0044
XT21
QF21
IF RAS
QS11 41,42
V10
U10
CONTROL BOX -3-
See Page 8
J0902
V10A
U10A
QF61 10A
UPS
J0903 UPS IN
V10B
U10B
J0031
UPS OUT
UPS OUT
GB01
UPS SIG
UPS RMT
J0203
See Page 23-27
See Page 29
See Page 29
240V
220V
208V
200V
190V
0V
240V
220V
208V
200V
190V
0V
0V
100V
100V
100V
0V
0V
See Page 29
SIGNAL
J0901
・On the cover under the right side panel.
MAX600V/80A
J0903
J0903
CN13
CC.V2
2
POWER CIRCUIT
YSM20-2