YSM20_je - 第37页
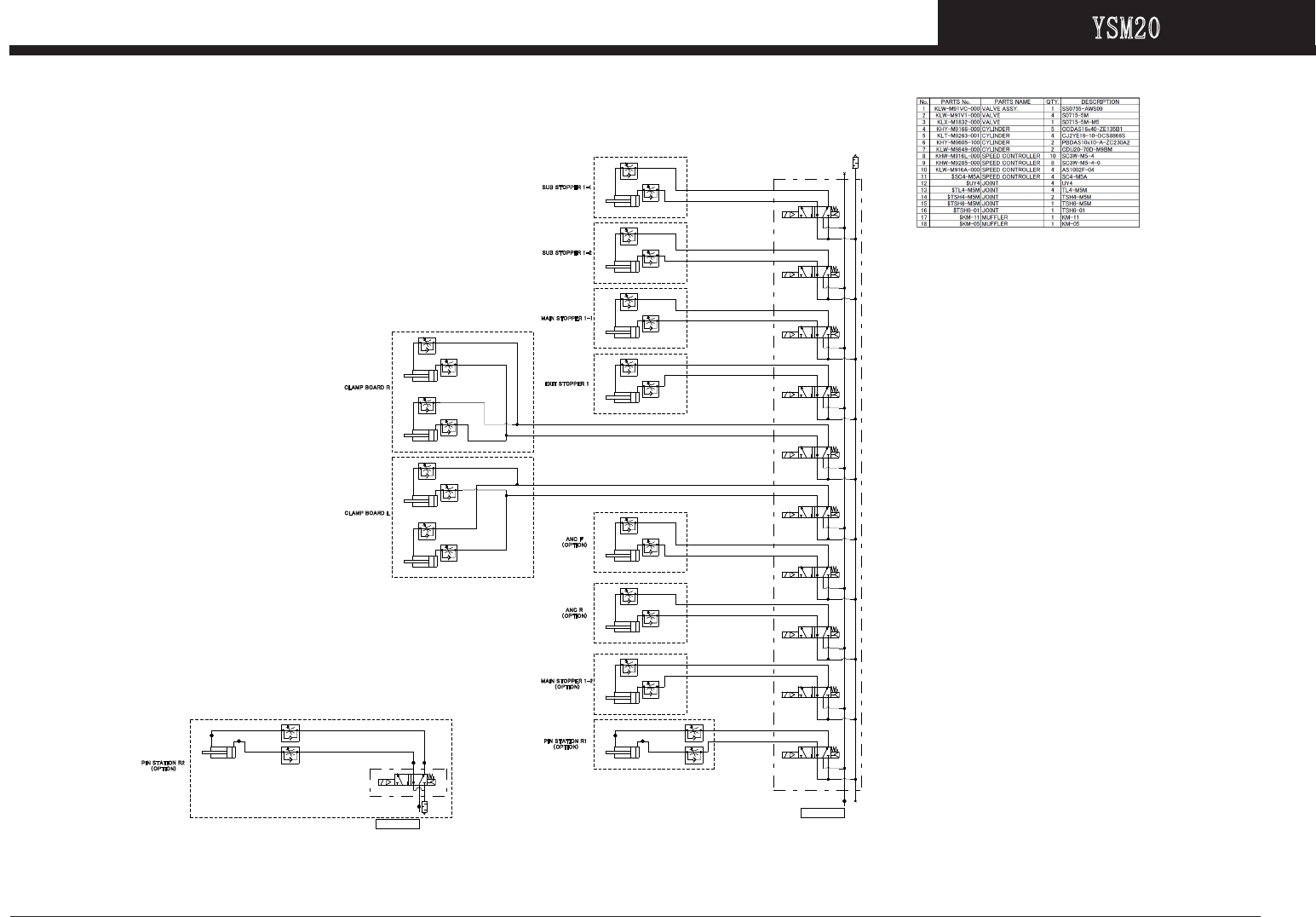
P AGE 35 Condential & Proprietary YSM20 MM20030 Air circuit SS0755 -AWS09 プラグ 1/8 CCDAS16 x 40 - ZE135B 1 S C3 W-M5-4 ④ φ 4 B LA CK φ 4 ORA NG E M A I N S TO PPE R 1- 2 ( O PT I O N) φ 4 B LA CK ⑥ A NC R ( OPTIO N )…

PAGE
34
Condential & Proprietary
YSM20
MM20030
Air circuit
SS0755-AWS09
プラグ 1/8
CCDAS16x40-ZE135B1
SC3W-M5-4
④
φ4 BLACK
φ4 ORANGE
MAIN STOPPER 1-2
(OPTION)
φ4 BLACK
⑥
ANC R
(
O
PT
I
O
N)
φ4 ORANGE
SC4-M5A
PBDAS10x10-A-ZC230A2
SC4-M5A
φ4 BLACK
⑥
A
NC
F
(
O
PT
I
O
N)
φ4 ORANGE
SC4-M5A
PBDAS10x10-A-ZC230A2
SC4-M5A
SC3W-M5-4
②
S0715-5M
OPTION時追加
②
S0715-5M
OPTION時追加
②
S0715-5M
OPTION時追加
⑤
SC3W-M5-4-0
CJ2YE16-10Z
⑤
CJ2YE16-10Z
UY4
UY4
φ4 ORANGE
φ4 ORANGE
φ4 ORANGE
φ4 BLACKφ4 BLACK
φ4 BLACK
TSH6-01
S0715-5M
OPTION時追加
②
AS1002F-04
CDU20-70D-M9BM
TL4-M5M
TL4-M5M
AS1002F-04
φ4 BLACK
EGNARO 4φEGNARO
4φ
φ4 BLACK
PIN STATION R1
(OPTION)
C
L
AM
P B
O
A
RD
L
SC3W-M5-4-0
SC3W-M5-4-0
SC3W-M5-4-0
CJ2YE16-10Z
UY4
SC3W-M5-4-0
⑤
⑤
CJ2YE16-10Z
SC3W-M5-4-0
SC3W-M5-4-0
SC3W-M5-4-0
φ4 ORANGE
φ4 ORANGE
UY4
CLAMP BOARD R
φ4 BLACK
φ4 BLACK
φ4 ORANGE
φ4 BLACK
KM-11
プラグ 1/8
SC3W-M5-4
CCDAS16x40-ZE135B1
④
SC3W-M5-4
EXIT STOPPER 1
φ4 BLACK
φ4 ORANGE
①
SC3W-M5-4
CCDAS16x40-ZE135B1
M
AIN
S
TO
PP
ER 1-1
φ4 BLACK
φ4 ORANGE
④
SC3W-M5-4
SC3W-M5-4
CCDAS16x40-ZE135B1
④
SC3W-M5-4
S
UB
STO
P
PE
R
1-
2
φ4 BLACK
φ4 ORANGE
SC3W-M5-4
CCDAS16x40-ZE135B1
S
UB
STO
P
PE
R
1-
1
φ4 BLACK
φ4 ORANGE
④
SC3W-M5-4
AS1002F-04
③
CDU20-70D-M9BM
φ4 ORANGE
φ4 BLACK
φ4 ORANGE
P
IN S
T
ATIO
N R
2
(
O
PT
I
O
N)
φ4 BLACK
AS1002F-04
TL4-M5M
TL4-M5M
TSH6-M5M
KM-05
TSH4-M5M
TSH4-M5M
S0715-5M-M5
BASE CONVEYOR L
(KLW-M8500-000)
BASE CONVEYOR R
(KLW-M8500-000)
⑦⑦
⑧
⑧
⑧
⑧
⑧
⑧
⑧
⑧
⑧
⑧
⑨
⑨
⑨
⑨
⑨
⑨
⑨
⑨
⑩
⑩
⑩
⑩
⑪
⑪
⑪
⑪
⑫
⑫
⑫
⑫
⑬
⑬⑬
⑬
⑭
⑭
⑮
⑱
NOTE
1. 本図は YSM20(KLW) SL右流れ コンベアの
空気圧回路図を示す。
2. 本図接続先のBASE部の空気圧回路図は
KLW-M8500-000 に示す。
⑯
⑰
SS0755-AWS09
プラグ 1/8
CCDAS16x40-ZE135B1
SC3W-M5-4
④
φ4 BLACK
φ4 ORANGE
MAIN STOPPER 1-2
(OPTION)
φ4 BLACK
⑥
ANC R
(
O
PT
I
O
N)
φ4 ORANGE
SC4-M5A
PBDAS10x10-A-ZC230A2
SC4-M5A
φ4 BLACK
⑥
A
NC
F
(
O
PT
I
O
N)
φ4 ORANGE
SC4-M5A
PBDAS10x10-A-ZC230A2
SC4-M5A
SC3W-M5-4
②
S0715-5M
OPTION時追加
②
S0715-5M
OPTION時追加
②
S0715-5M
OPTION時追加
⑤
SC3W-M5-4-0
CJ2YE16-10Z
⑤
CJ2YE16-10Z
UY4
UY4
φ4 ORANGE
φ4 ORANGE
φ4 ORANGE
φ4 BLACKφ4 BLACK
φ4 BLACK
TSH6-01
S0715-5M
OPTION時追加
②
AS1002F-04
CDU20-70D-M9BM
TL4-M5M
TL4-M5M
AS1002F-04
φ4 BLACK
EGNARO 4φEGNARO
4φ
φ4 BLACK
PIN STATION R1
(OPTION)
C
L
AM
P B
O
A
RD
L
SC3W-M5-4-0
SC3W-M5-4-0
SC3W-M5-4-0
CJ2YE16-10Z
UY4
SC3W-M5-4-0
⑤
⑤
CJ2YE16-10Z
SC3W-M5-4-0
SC3W-M5-4-0
SC3W-M5-4-0
φ4 ORANGE
φ4 ORANGE
UY4
CLAMP BOARD R
φ4 BLACK
φ4 BLACK
φ4 ORANGE
φ4 BLACK
KM-11
プラグ 1/8
SC3W-M5-4
CCDAS16x40-ZE135B1
④
SC3W-M5-4
EXIT STOPPER 1
φ4 BLACK
φ4 ORANGE
①
SC3W-M5-4
CCDAS16x40-ZE135B1
M
AIN
S
TO
PP
ER 1-1
φ4 BLACK
φ4 ORANGE
④
SC3W-M5-4
SC3W-M5-4
CCDAS16x40-ZE135B1
④
SC3W-M5-4
S
UB
STO
P
PE
R
1-
2
φ4 BLACK
φ4 ORANGE
SC3W-M5-4
CCDAS16x40-ZE135B1
S
UB
STO
P
PE
R
1-
1
φ4 BLACK
φ4 ORANGE
④
SC3W-M5-4
AS1002F-04
③
CDU20-70D-M9BM
φ4 ORANGE
φ4 BLACK
φ4 ORANGE
P
IN S
T
ATIO
N R
2
(
O
PT
I
O
N)
φ4 BLACK
AS1002F-04
TL4-M5M
TL4-M5M
TSH6-M5M
KM-05
TSH4-M5M
TSH4-M5M
S0715-5M-M5
BASE CONVEYOR L
(KLW-M8500-000)
BASE CONVEYOR R
(KLW-M8500-000)
⑦⑦
⑧
⑧
⑧
⑧
⑧
⑧
⑧
⑧
⑧
⑧
⑨
⑨
⑨
⑨
⑨
⑨
⑨
⑨
⑩
⑩
⑩
⑩
⑪
⑪
⑪
⑪
⑫
⑫
⑫
⑫
⑬
⑬⑬
⑬
⑭
⑭
⑮
⑱
NOTE
1. 本図は YSM20(KLW) SL右流れ コンベアの
空気圧回路図を示す。
2. 本図接続先のBASE部の空気圧回路図は
KLW-M8500-000 に示す。
⑯
⑰
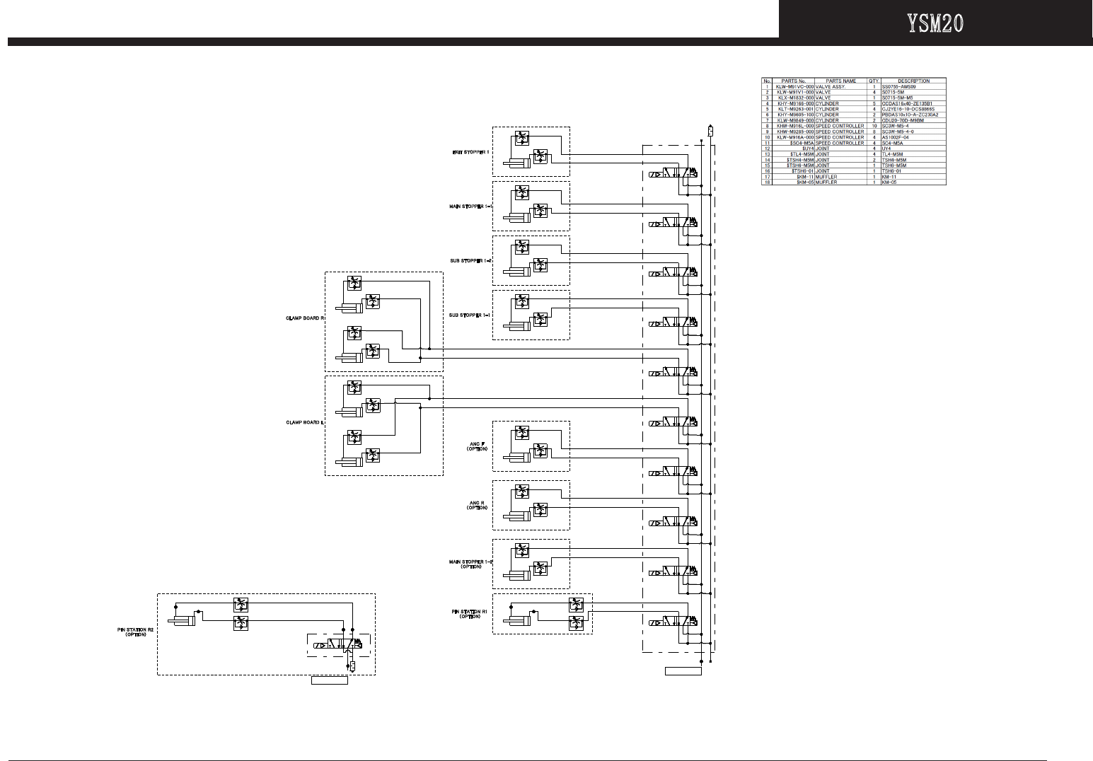
Air circuit SL conveyor ( right ow)

PAGE
35
Condential & Proprietary
YSM20
MM20030
Air circuit
SS0755-AWS09
プラグ 1/8
CCDAS16x40-ZE135B1
SC3W-M5-4
④
φ4 BLACK
φ4 ORANGE
M
A
I
N
S
TO
PPE
R 1-
2
(
O
PT
I
O
N)
φ4 BLACK
⑥
A
NC
R
(OPTIO
N
)
φ4 ORANGE
SC4-M5A
PBDAS10x10-A-ZC230A2
SC4-M5A
φ4 BLACK
⑥
ANC F
(OPTION)
φ4 ORANGE
SC4-M5A
PBDAS10x10-A-ZC230A2
SC4-M5A
SC3W-M5-4
②
S0715-5M
OPTION時追加
②
S0715-5M
OPTION時追加
②
S0715-5M
OPTION時追加
⑤
SC3W-M5-4-0
CJ2YE16-10Z
⑤
CJ2YE16-10Z
UY4
UY4
φ4 ORANGE
φ4 ORANGE
φ4 ORANGE
φ4 BLACKφ4 BLACK
φ4 BLACK
TSH6-01
S0715-5M
OPTION時追加
②
AS1002F-04
CDU20-70D-M9BM
TL4-M5M
TL4-M5M
AS1002F-04
φ4 BLACK
EGN
A
RO 4φEGNARO 4φ
φ4 BLACK
PIN S
T
ATI
ON R
1
(
O
PT
I
O
N)
CLAMP B
O
ARD L
SC3W-M5-4-0
SC3W-M5-4-0
SC3W-M5-4-0
CJ2YE16-10Z
UY4
SC3W-M5-4-0
⑤
⑤
CJ2YE16-10Z
SC3W-M5-4-0
SC3W-M5-4-0
SC3W-M5-4-0
φ4 ORANGE
φ4 ORANGE
UY4
C
L
AM
P B
O
A
RD
R
φ4 BLACK
φ4 BLACK
φ4 ORANGE
φ4 BLACK
KM-11
プラグ 1/8
SC3W-M5-4
CCDAS16x40-ZE135B1
④
SC3W-M5-4
E
X
IT S
TO
P
PER 1
φ4 BLACK
φ4 ORANGE
①
SC3W-M5-4
CCDAS16x40-ZE135B1
M
AIN
S
TO
PPE
R 1-1
φ4 BLACK
φ4 ORANGE
④
SC3W-M5-4
SC3W-M5-4
CCDAS16x40-ZE135B1
④
SC3W-M5-4
SUB STOPPER 1-
2
φ4 BLACK
φ4 ORANGE
SC3W-M5-4
CCDAS16x40-ZE135B1
SUB S
T
OP
PE
R
1-
1
φ4 BLACK
φ4 ORANGE
④
SC3W-M5-4
AS1002F-04
③
CDU20-70D-M9BM
φ4 ORANGE
φ4 BLACK
φ4 ORANGE
P
I
N STA
T
ION R
2
(
O
PT
I
O
N)
φ4 BLACK
AS1002F-04
TL4-M5M
TL4-M5M
TSH6-M5M
KM-05
TSH4-M5M
TSH4-M5M
S0715-5M-M5
BASE CONVEYOR L
(KLW-M8500-000)
BASE CONVEYOR R
(KLW-M8500-000)
⑦⑦
⑧
⑧
⑧
⑧
⑧
⑧
⑧
⑧
⑧
⑧
⑨
⑨
⑨
⑨
⑨
⑨
⑨
⑨
⑩
⑩
⑩
⑩
⑪
⑪
⑪
⑪
⑫
⑫
⑫
⑫
⑬
⑬⑬
⑬
⑭
⑭
⑮
⑱
NOTE
1. 本図は YSM20(KLW) SL左流れ コンベアの
空気圧回路図を示す。
2. 本図接続先のBASE部の空気圧回路図は
KLW-M8500-000 に示す。
⑯
⑰
SS0755-AWS09
プラグ 1/8
CCDAS16x40-ZE135B1
SC3W-M5-4
④
φ4 BLACK
φ4 ORANGE
M
A
I
N
S
TO
PPE
R 1-
2
(
O
PT
I
O
N)
φ4 BLACK
⑥
A
NC
R
(OPTIO
N
)
φ4 ORANGE
SC4-M5A
PBDAS10x10-A-ZC230A2
SC4-M5A
φ4 BLACK
⑥
ANC F
(OPTION)
φ4 ORANGE
SC4-M5A
PBDAS10x10-A-ZC230A2
SC4-M5A
SC3W-M5-4
②
S0715-5M
OPTION時追加
②
S0715-5M
OPTION時追加
②
S0715-5M
OPTION時追加
⑤
SC3W-M5-4-0
CJ2YE16-10Z
⑤
CJ2YE16-10Z
UY4
UY4
φ4 ORANGE
φ4 ORANGE
φ4 ORANGE
φ4 BLACKφ4 BLACK
φ4 BLACK
TSH6-01
S0715-5M
OPTION時追加
②
AS1002F-04
CDU20-70D-M9BM
TL4-M5M
TL4-M5M
AS1002F-04
φ4 BLACK
EGN
A
RO 4φEGNARO 4φ
φ4 BLACK
PIN S
T
ATI
ON R
1
(
O
PT
I
O
N)
CLAMP B
O
ARD L
SC3W-M5-4-0
SC3W-M5-4-0
SC3W-M5-4-0
CJ2YE16-10Z
UY4
SC3W-M5-4-0
⑤
⑤
CJ2YE16-10Z
SC3W-M5-4-0
SC3W-M5-4-0
SC3W-M5-4-0
φ4 ORANGE
φ4 ORANGE
UY4
C
L
AM
P B
O
A
RD
R
φ4 BLACK
φ4 BLACK
φ4 ORANGE
φ4 BLACK
KM-11
プラグ 1/8
SC3W-M5-4
CCDAS16x40-ZE135B1
④
SC3W-M5-4
E
X
IT S
TO
P
PER 1
φ4 BLACK
φ4 ORANGE
①
SC3W-M5-4
CCDAS16x40-ZE135B1
M
AIN
S
TO
PPE
R 1-1
φ4 BLACK
φ4 ORANGE
④
SC3W-M5-4
SC3W-M5-4
CCDAS16x40-ZE135B1
④
SC3W-M5-4
SUB STOPPER 1-
2
φ4 BLACK
φ4 ORANGE
SC3W-M5-4
CCDAS16x40-ZE135B1
SUB S
T
OP
PE
R
1-
1
φ4 BLACK
φ4 ORANGE
④
SC3W-M5-4
AS1002F-04
③
CDU20-70D-M9BM
φ4 ORANGE
φ4 BLACK
φ4 ORANGE
P
I
N STA
T
ION R
2
(
O
PT
I
O
N)
φ4 BLACK
AS1002F-04
TL4-M5M
TL4-M5M
TSH6-M5M
KM-05
TSH4-M5M
TSH4-M5M
S0715-5M-M5
BASE CONVEYOR L
(KLW-M8500-000)
BASE CONVEYOR R
(KLW-M8500-000)
⑦⑦
⑧
⑧
⑧
⑧
⑧
⑧
⑧
⑧
⑧
⑧
⑨
⑨
⑨
⑨
⑨
⑨
⑨
⑨
⑩
⑩
⑩
⑩
⑪
⑪
⑪
⑪
⑫
⑫
⑫
⑫
⑬
⑬⑬
⑬
⑭
⑭
⑮
⑱
NOTE
1. 本図は YSM20(KLW) SL左流れ コンベアの
空気圧回路図を示す。
2. 本図接続先のBASE部の空気圧回路図は
KLW-M8500-000 に示す。
⑯
⑰
Air circuit SL conveyor ( left ow)

PAGE
36
Condential & Proprietary
YSM20
MM20030
Air circuit
SS0755-AWS09
プラグ 1/8
CCDAS16x40-ZE135B1
SC3W-M5-4
③
φ4 BLACK
φ4 ORANGE
MAI
N S
T
O
P
PER
1
-
2
(
O
PT
I
O
N)
φ4 BLACK
⑤
A
NC
F
(
O
PT
I
O
N)
φ4 ORANGE
SC4-M5A
PBDAS10x10-A-ZC230A2
SC4-M5A
SC3W-M5-4
②
S0715-5M
OPTION時追加
②
S0715-5M
OPTION時追加
④
SC3W-M5-4-0
CJ2YE16-10Z
④
CJ2YE16-10Z
UY4
UY4
φ4 ORANGE
φ4 ORANGE
φ4 ORANGE
φ4 BLACKφ4 BLACK
φ4 BLACK
TSH6-01
CLAMP BOARD L
SC3W-M5-4-0
SC3W-M5-4-0
SC3W-M5-4-0
CJ2YE16-10Z
UY4
SC3W-M5-4-0
④
④
CJ2YE16-10Z
SC3W-M5-4-0
SC3W-M5-4-0
SC3W-M5-4-0
φ4 ORANGE
φ4 ORANGE
UY4
CLA
MP BOA
R
D
R
φ4 BLACK
φ4 BLACK
φ4 ORANGE
φ4 BLACK
KM-11
プラグ 1/8
SC3W-M5-4
CCDAS16x40-ZE135B1
③
SC3W-M5-4
E
X
I
T
ST
O
P
P
E
R
1
φ4 BLACK
φ4 ORANGE
①
SC3W-M5-4
CCDAS16x40-ZE135B1
M
A
I
N S
T
O
PPE
R 1
-
1
φ4 BLACK
φ4 ORANGE
③
SC3W-M5-4
SC3W-M5-4
CCDAS16x40-ZE135B1
③
SC3W-M5-4
S
UB
STO
P
PE
R
1-
2
φ4 BLACK
φ4 ORANGE
SC3W-M5-4
CCDAS16x40-ZE135B1
S
UB
STO
P
PE
R
1-
1
φ4 BLACK
φ4 ORANGE
③
SC3W-M5-4
BASE CONVEYOR R
(KLW-M8500-000)
⑦
⑦
⑦
⑦
⑦
⑦
⑦
⑦
⑦
⑦
⑧
⑧
⑧
⑧
⑧
⑧
⑧
⑧
⑩
⑩
⑪
⑪
⑪
⑪
NOTE
1. 本図は YSM20(KLW) DL右流れ コンベアの
空気圧回路図を示す。
2. 本図接続先のBASE部の空気圧回路図は
KLW-M8500-000 に示す。
AS1002F-04
CDU20-70D-M9BM
TL4-M5M
TL4-M5M
SC3W-M5-4-0
SC3W-M5-4-0
SC3W-M5-4-0
AS1002F-04
TSH6-01
SC4-M5A
SC4-M5A
PBDAS10x10-A-ZC230A2
プラグ 1/8
SS0755-AWS09
CCDAS16x40-ZE135B1
SC3W-M5-4
SC3W-M5-4-0
CJ2YE16-10Z
CJ2YE16-10Z
UY4
UY4
SC3W-M5-4
SC3W-M5-4
φ4 ORANGE
SUB S
T
OPPER 2-1
φ4 BLACK
③
CCDAS16x40-ZE135B1
③
②
S0715-5M
OPTION時追加
SC3W-M5-4
S0715-5M
OPTION時追加
CCDAS16x40-ZE135B1
②
S0715-5M
OPTION時追加
②
S
UB
STO
PP
E
R 2-
2
φ4 BLACK
SC3W-M5-4
φ4 ORANGE
φ4 BLACK
φ4 ORANGE
⑨
⑧
⑨
φ4 ORANGE
⑧
MAI
N S
T
O
PPE
R
2
-
2
(OPTION)
⑧
③
φ4 BLACK
⑫
⑪
⑪
⑫
⑩
⑩
⑪
⑪
⑧
A
NC R
(
O
PT
I
O
N)
φ4 ORANGE
⑦
φ4 BLACK
⑤
⑥
BASE CONVEYOR R
(KLW-M8500-000)
⑦
⑦
⑧
⑧
⑦
⑧
⑧
⑦
⑦
⑦
⑦
⑦
⑦
SC3W-M5-4
SC3W-M5-4-0
φ4 ORANGE
SC3W-M5-4-0
SC3W-M5-4-0
②
S0715-5M
OPTION時追加
CJ2YE16-10Z
φ4 BLACK
φ4 BLACK
φ4 BLACK
φ4 ORANGE
C
L
AM
P BOAR
D
R
φ4 ORANGE
UY4
φ4 ORANGE
φ4 BLACK
φ4 ORANGE
CJ2YE16-10Z
φ4 BLACK
PIN STATIO
N R
2
(
O
PT
I
ON
)
C
L
A
MP BOA
RD
L
SC3W-M5-4-0
④
④
UY4
CCDAS16x40-ZE135B1
MAIN STOPPER 2-1
φ4 ORANGE
φ4 ORANGE
φ4 ORANGE
SC3W-M5-4
③
SC3W-M5-4
④
φ4 BLACK
④
φ4 ORANGE
SC3W-M5-4
CCDAS16x40-ZE135B1
プラグ 1/8
KM-11
①
φ4 BLACK
φ4 BLACKφ4 BLACK
φ4 ORANGE
③
SC3W-M5-4
φ4 BLACK
EXIT STOPPER 2
TL4-M5M
TL4-M5M
AS1002F-04
AS1002F-04
CDU20-70D-M9BM
φ4 BLACK
PIN ST
A
TION F1
(OPTION)
φ4 ORANGE
⑨
⑨
⑫
⑥
⑫
⑬
⑬
⑭
⑭
SS0755-AWS09
プラグ 1/8
CCDAS16x40-ZE135B1
SC3W-M5-4
③
φ4 BLACK
φ4 ORANGE
MAI
N S
T
O
P
PER
1
-
2
(
O
PT
I
O
N)
φ4 BLACK
⑤
A
NC
F
(
O
PT
I
O
N)
φ4 ORANGE
SC4-M5A
PBDAS10x10-A-ZC230A2
SC4-M5A
SC3W-M5-4
②
S0715-5M
OPTION時追加
②
S0715-5M
OPTION時追加
④
SC3W-M5-4-0
CJ2YE16-10Z
④
CJ2YE16-10Z
UY4
UY4
φ4 ORANGE
φ4 ORANGE
φ4 ORANGE
φ4 BLACKφ4 BLACK
φ4 BLACK
TSH6-01
CLAMP BOARD L
SC3W-M5-4-0
SC3W-M5-4-0
SC3W-M5-4-0
CJ2YE16-10Z
UY4
SC3W-M5-4-0
④
④
CJ2YE16-10Z
SC3W-M5-4-0
SC3W-M5-4-0
SC3W-M5-4-0
φ4 ORANGE
φ4 ORANGE
UY4
CLA
MP BOA
R
D
R
φ4 BLACK
φ4 BLACK
φ4 ORANGE
φ4 BLACK
KM-11
プラグ 1/8
SC3W-M5-4
CCDAS16x40-ZE135B1
③
SC3W-M5-4
E
X
I
T
ST
O
P
P
E
R
1
φ4 BLACK
φ4 ORANGE
①
SC3W-M5-4
CCDAS16x40-ZE135B1
M
A
I
N S
T
O
PPE
R 1
-
1
φ4 BLACK
φ4 ORANGE
③
SC3W-M5-4
SC3W-M5-4
CCDAS16x40-ZE135B1
③
SC3W-M5-4
S
UB
STO
P
PE
R
1-
2
φ4 BLACK
φ4 ORANGE
SC3W-M5-4
CCDAS16x40-ZE135B1
S
UB
STO
P
PE
R
1-
1
φ4 BLACK
φ4 ORANGE
③
SC3W-M5-4
BASE CONVEYOR R
(KLW-M8500-000)
⑦
⑦
⑦
⑦
⑦
⑦
⑦
⑦
⑦
⑦
⑧
⑧
⑧
⑧
⑧
⑧
⑧
⑧
⑩
⑩
⑪
⑪
⑪
⑪
NOTE
1. 本図は YSM20(KLW) DL右流れ コンベアの
空気圧回路図を示す。
2. 本図接続先のBASE部の空気圧回路図は
KLW-M8500-000 に示す。
AS1002F-04
CDU20-70D-M9BM
TL4-M5M
TL4-M5M
SC3W-M5-4-0
SC3W-M5-4-0
SC3W-M5-4-0
AS1002F-04
TSH6-01
SC4-M5A
SC4-M5A
PBDAS10x10-A-ZC230A2
プラグ 1/8
SS0755-AWS09
CCDAS16x40-ZE135B1
SC3W-M5-4
SC3W-M5-4-0
CJ2YE16-10Z
CJ2YE16-10Z
UY4
UY4
SC3W-M5-4
SC3W-M5-4
φ4 ORANGE
SUB S
T
OPPER 2-1
φ4 BLACK
③
CCDAS16x40-ZE135B1
③
②
S0715-5M
OPTION時追加
SC3W-M5-4
S0715-5M
OPTION時追加
CCDAS16x40-ZE135B1
②
S0715-5M
OPTION時追加
②
S
UB
STO
PP
E
R 2-
2
φ4 BLACK
SC3W-M5-4
φ4 ORANGE
φ4 BLACK
φ4 ORANGE
⑨
⑧
⑨
φ4 ORANGE
⑧
MAI
N S
T
O
PPE
R
2
-
2
(OPTION)
⑧
③
φ4 BLACK
⑫
⑪
⑪
⑫
⑩
⑩
⑪
⑪
⑧
A
NC R
(
O
PT
I
O
N)
φ4 ORANGE
⑦
φ4 BLACK
⑤
⑥
BASE CONVEYOR R
(KLW-M8500-000)
⑦
⑦
⑧
⑧
⑦
⑧
⑧
⑦
⑦
⑦
⑦
⑦
⑦
SC3W-M5-4
SC3W-M5-4-0
φ4 ORANGE
SC3W-M5-4-0
SC3W-M5-4-0
②
S0715-5M
OPTION時追加
CJ2YE16-10Z
φ4 BLACK
φ4 BLACK
φ4 BLACK
φ4 ORANGE
C
L
AM
P BOAR
D
R
φ4 ORANGE
UY4
φ4 ORANGE
φ4 BLACK
φ4 ORANGE
CJ2YE16-10Z
φ4 BLACK
PIN STATIO
N R
2
(
O
PT
I
ON
)
C
L
A
MP BOA
RD
L
SC3W-M5-4-0
④
④
UY4
CCDAS16x40-ZE135B1
MAIN STOPPER 2-1
φ4 ORANGE
φ4 ORANGE
φ4 ORANGE
SC3W-M5-4
③
SC3W-M5-4
④
φ4 BLACK
④
φ4 ORANGE
SC3W-M5-4
CCDAS16x40-ZE135B1
プラグ 1/8
KM-11
①
φ4 BLACK
φ4 BLACKφ4 BLACK
φ4 ORANGE
③
SC3W-M5-4
φ4 BLACK
EXIT STOPPER 2
TL4-M5M
TL4-M5M
AS1002F-04
AS1002F-04
CDU20-70D-M9BM
φ4 BLACK
PIN ST
A
TION F1
(OPTION)
φ4 ORANGE
⑨
⑨
⑫
⑥
⑫
⑬
⑬
⑭
⑭
Air circuit DL conveyor ( right ow)