PTS-NXT2-04JE - 第112页
Ref.BED Ref.BED a1 a2 UH01527 112 PTS-NXT2-04JE Vol.1

H12SHEAD2/3
H12Sヘッド2/3
UH01527
No. Drg.No.&CodeNo. QTY Description Rating
Materials
Remarks
番号 図番&コード番号 個数 品名 規格 材質 備考
68 K5200S 2 SCREW,C/RTRUSS 小ネジ十穴トラス M02X004ユニクロメッキ FE
69 W1020A 2 WASHER,LOCK ワッシャスプリング 2M/M FE
70 W1039A 2 WASHER,FLAT ワッシャ平 2M/M FE
75 PH00897 1 ARM アーム FE
76 H5265A 1 BOLT,HEXSOCKET ボルト六角穴 M02X005 FE
77 PH00907 1 ARM アーム FE
78 PM46182 1 PIN ピン FE
79 PZ04721 1 SPRING,TORSION スプリングネジリ FE
80 W1039T 1 WASHER,FLAT ワッシャ平 2.6M/MX0.5X5 FE
81 S1020A 1 CIR-CLIP サークリップ ST-EW-2 FE
82 PM04565 2 PIN,ROLLER ピンローラ FE
83 PM04574 2 ROLLER ローラ FE
84 PM04552 2 COLLAR カラー FE
85 W1020H 2 WASHER,LOCK ワッシャスプリング 2.5M/M FE
86 N1074Z 2 NUT,HEX ナット六角 M2.5ステンレス FE
87 H1021H 1 BATTERY バッテリ ER6VLY OT ConsumableParts
88 PX05131 2 NAMEPLATE,CAUTION 銘板注意 PL
89 PX03301 1 NAMEPLATE,CAUTION 銘板注意 PL
90 PX04840 1 NAMEPLATE 銘板 PL
91 PX00182 1 NAMEPLATE 銘板 PL
111
PTS-NXT2-04JE
Vol.1

Ref.BED
Ref.BED
a1
a2
UH01527
112
PTS-NXT2-04JE
Vol.1

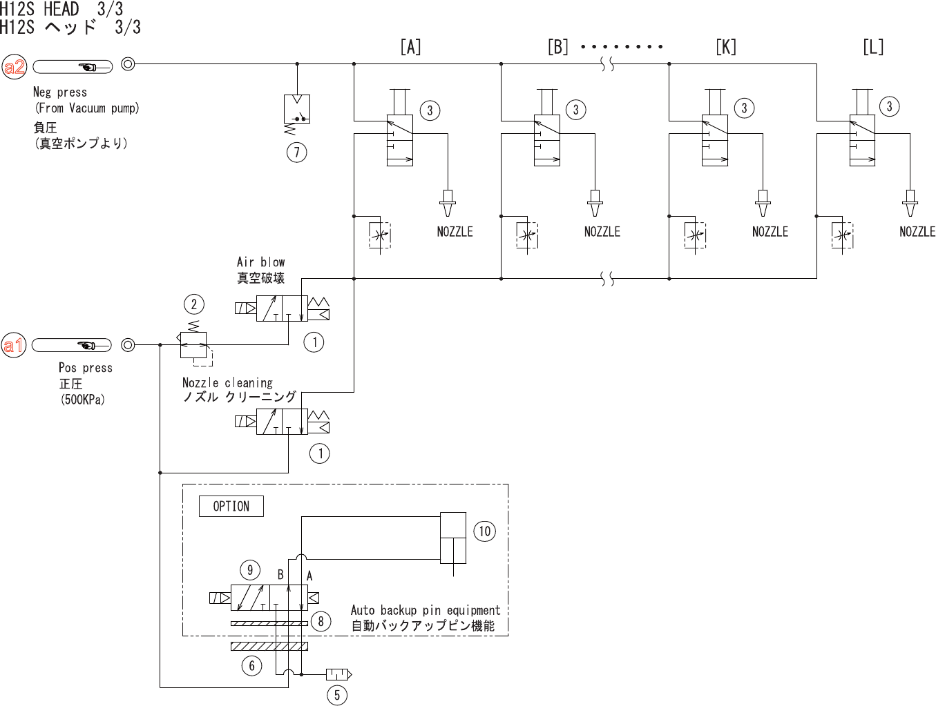
H12SHEAD3/3
H12Sヘッド3/3
UH01527
No. Drg.No.&CodeNo. QTY Description Rating
Materials
Remarks
番号 図番&コード番号 個数 品名 規格 材質 備考
1 XB03330 2 VALVE,SOL バルブSOL OT
2 XB00763 1 VALVE,PRESSUREREDUCING バルブ減圧 OT
3 XS03692 12 SPOOL スプール OT
5 S1058B 1 SILENCER サイレンサ AN120-M3 OT
6 H3176D 1 PLATE プレート SYJ3000-21-2A OT
7 XS00842 1 SENSOR,PRESSURE センサ圧力 OT
8 PJ06032 1 PLATE,ACRYLIC プレートアクリル OT
9 H1122D 1 VALVE,SOL バルブSOL SYJ3140-5M0U OT
10 XS01843 1 CYLINDER シリン
ダ
OT
113
PTS-NXT2-04JE
Vol.1