PTS-NXT2-04JE - 第136页
Ref.BED Ref.BED a1 a2 UH00490 136 PTS-NXT2-04JE Vol.1

H08HEAD4/5
H08ヘッド4/5
UH00490
No. Drg.No.&CodeNo. QTY Description Rating
Materials
Remarks
番号 図番&コード番号 個数 品名 規格 材質 備考
66 PG00622 8 ORING Oリング PL ConsumableParts
67 PM18074 8 COLLAR カラー FE
68 PX00202 1 NAMEPLATE 銘板 PL
69 PX00182 1 NAMEPLATE 銘板 PL
70 PX00211 1 NAMEPLATE 銘板 PL
71 AA45H02 1 PIN,REFERENCE ピン基準 OT
72 H5267A 2 BOLT,HEXSOCKET ボルト六角穴 M02X008 FE
73 W1020A 2 WASHER,LOCK ワッシャ ス
プ
リン
グ
2M/M FE
135
PTS-NXT2-04JE
Vol.1

Ref.BED
Ref.BED
a1
a2
UH00490
136
PTS-NXT2-04JE
Vol.1

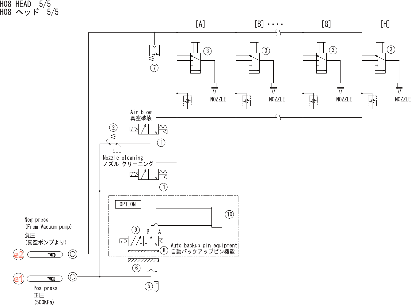
H08HEAD5/5
H08ヘッド5/5
UH00490
No. Drg.No.&CodeNo. QTY Description Rating
Materials
Remarks
番号 図番&コード番号 個数 品名 規格 材質 備考
1 XB03330 2 VALVE,SOL バルブSOL OT
2 XB00763 1 VALVE,PRESSUREREDUCING バルブ減圧 OT
3 XS01185 8 SPOOL スプール OT
5 S1058B 1 SILENCER サイレンサ AN120-M3 OT
6 H3176D 1 PLATE プレート SYJ3000-21-2A OT
7 XS00842 1 SENSOR,PRESSURE センサ圧力 OT
8 PJ06032 1 PLATE,ACRYLIC プレートアクリル OT
9 H1122D 1 VALVE,SOL バルブSOL SYJ3140-5M0U OT
10 XS01843 1 CYLINDER シリン
ダ
OT
137
PTS-NXT2-04JE
Vol.1