PTS-NXT2-04JE - 第155页
H04SHEAD3/4 H04S ヘッド 3/4 No. Drg.No.&CodeNo. Q TY Description Rating Materials Remarks 番号 図番 &コード 番号 個数 品名 規格 材質 備考 65 PM40963 4 PIPE パ イプ FE 66 PZ13051 4 SPRING,COIL ス プリン グコ イル FE 67 PM0E1S1 4 COL…

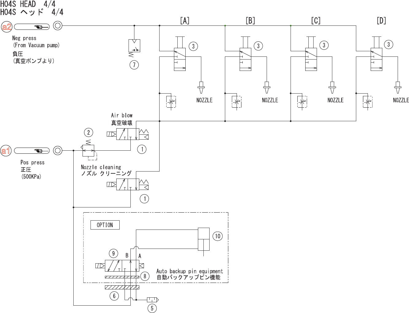
H04SHEAD3/4
H04Sヘッド3/4
No. Drg.No.&CodeNo. QTY Description Rating
Materials
Remarks
番号 図番&コード番号 個数 品名 規格 材質 備考
33.2 PZ39231 4 SCREW,C/RPAN 小ネジ十穴鍋 FE
33.3 PZ04641 4 SPRING スプリング FE
34 AA82N01 1 GEAR ギヤ OT
35 AA11K09 1 GEAR ギヤ OT
36 PZ18391 4 SPRING スプリング FE
37 PM71313 4 COLLAR カラー FE
38 PZ41931 4 SCREW,C/RPAN 小ネジ十穴鍋 FE
39 PM71305 1 GEAR ギヤ FE
40 H5268Y 4 BOLT,HEXSOCKET ボルト六角穴 M02.5X012 FE
41 W1020H 4 WASHER,LOCK ワッシャスプリング 2.5M/M FE
42 PM40913 1 COLLAR カラー AL
43 H4897C 1 BEARING ベアリング AC8-18DBP5 OT SET
44 PM51362 1 HOLDER ホルダ AL
45 A5131H 3 ORING Oリング S-8 OT ConsumableParts
46 H11795 3 PACKING パッキン OPA15 OT
47 PM41793 1 RING,FIXED リング固定 AL
48 AA0DW04 1 BEARING ベアリング OT
49 H5268Z 8 BOLT,HEXSOCKET ボルト六角穴 M02.5X008 FE
50 W1020H 8 WASHER,LOCK ワッシャスプリング 2.5M/M FE
51 PB22764 1 PLATE プレート FE
52 H52683 4 BOLT,HEXSOCKET ボルト六角穴 M02.5X005 FE
53 PM48221 1 NUT,ROUND ナット丸 AL
54 K5268D 2 BLOCK,CLAMP 駒クランプ SM-302E OT
55 N4018T 2 SCREW,HEXSOCKETSET ネジ六角穴止め M03X003ヒラサキ OT
56 PM0BZF2 4 PUSHER プッシャ FE
57 2MGKHE000801 4 GEAR ギヤ FE
57.1 PZ47080 4 SPRING スプリング FE
57.2 2MGKHE000701 4 GEAR ギヤ FE
58 H4442A 4 BEARING,MINIATURE ベアリングミニチュア LF-850 OT
58.1 PM0BZG2 4 COLLAR カラー FE
59 PZ30721 4 SPRING スプリング FE
60 2AGKHE000201 4 SYRINGE シリンジ OT
60.1 H2103E 4 PIN ピン MRSB1-5.7 OT
61 AA82M03 4 SYRINGE シリンジ OT
61.1 R5004B 4 ROLLER,NEEDLE ローラニードル 2゚X9.8B2AW5B2 OT
62 PG01112 4 ORING Oリング OT ConsumableParts
63 PG01121 4 ORING Oリング PL ConsumableParts
64 PZ18124 4 SPRING,COIL スプリングコイル FE
154
PTS-NXT2-04JE
Vol.1

H04SHEAD3/4
H04Sヘッド3/4
No. Drg.No.&CodeNo. QTY Description Rating
Materials
Remarks
番号 図番&コード番号 個数 品名 規格 材質 備考
65 PM40963 4 PIPE パイプ FE
66 PZ13051 4 SPRING,COIL スプリングコイル FE
67 PM0E1S1 4 COLLAR カラー FE
68 PM00HS4 1 HOLDER,ROTARY ホルダロータリ OT
69 H5276A 4 BOLT,HEXSOCKET ボルト六角穴 M03X010 FE
70 W1010A 4 WASHER,CONICAL ワッシャ皿 M-3-L FE
72 AA0AL03 4 FILTER フィルタ OT ConsumableParts
73 PH00311 4 HOLDER ホルダ PL
74 XH00401 4 FILTER フィルタ OT ConsumableParts
75 A5188S 4 ORING Oリング ゚3.0X0.5(FKM70) OT ConsumableParts
76 A51906 4 ORING Oリング ゚4.20X0.53(FKM70) OT ConsumableParts
77 PZ14371 2 SPRING スプリング FE
78 H5065A 2 BALL,STEEL ボールスチール 3M/M FE
79 R5006A 2 ROLLER,NEEDLE ローラニードル ゚2.0X6.8AW6C3 OT
80 XS01185 4 SPOOL スプール OT
81 PM35011 4 GUIDE ガイド AL
82 H5267A 4 BOLT,HEXSOCKET ボルト六角穴 M02X008 FE
83 A50545 3 ORING Oリング ゚17.9X1.1(NBR) OT ConsumableParts
84 PZ27652 8 RING,FELT リン
グ
フェルト OT
155
PTS-NXT2-04JE
Vol.1

Ref.BED
Ref.BED
a1
a2
156
PTS-NXT2-04JE
Vol.1