PTS-NXT2-04JE - 第174页
Ref.BED Ref.BED a1 a2 UH00845 174 PTS-NXT2-04JE Vol.1

H04HEAD3/4
H04ヘッド3/4
UH00845
No. Drg.No.&CodeNo. QTY Description Rating
Materials
Remarks
番号 図番&コード番号 個数 品名 規格 材質 備考
69 H5276A 4 BOLT,HEXSOCKET ボルト六角穴 M03X010 FE
70 W1010A 4 WASHER,CONICAL ワッシャ皿 M-3-L FE
72 AA0AL03 4 FILTER フィルタ OT ConsumableParts
73 PH00311 4 HOLDER ホルダ PL
74 XH00401 4 FILTER フィルタ OT ConsumableParts
75 A5188S 4 ORING Oリング ゚3.0X0.5(FKM70) OT ConsumableParts
76 A51906 4 ORING Oリング ゚4.20X0.53(FKM70) OT ConsumableParts
77 PZ14371 2 SPRING スプリング FE
78 H5065A 2 BALL,STEEL ボールスチール 3M/M FE
79 R5006A 2 ROLLER,NEEDLE ローラニードル ゚2.0X6.8AW6C3 OT
80 XS01185 4 SPOOL スプール OT
81 PM35011 4 GUIDE ガイド AL
82 H5267A 4 BOLT,HEXSOCKET ボルト六角穴 M02X008 FE
83 A50545 3 ORING Oリング ゚17.9X1.1(NBR) OT ConsumableParts
84 PZ27652 8 RING,FELT リン
グ
フェルト OT
173
PTS-NXT2-04JE
Vol.1

Ref.BED
Ref.BED
a1
a2
UH00845
174
PTS-NXT2-04JE
Vol.1

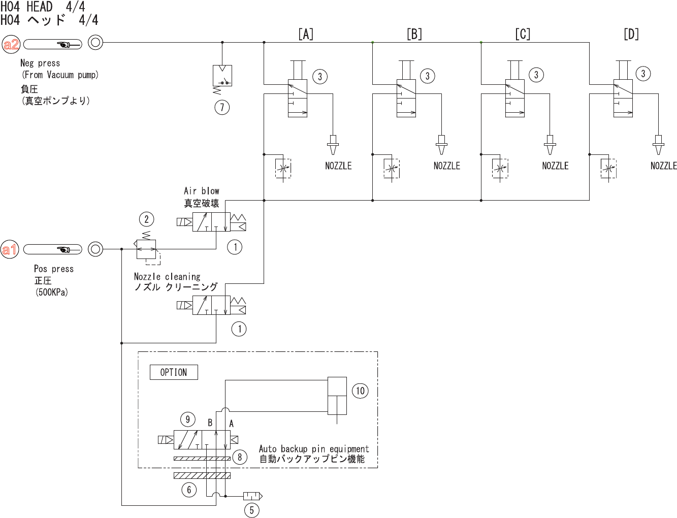
H04HEAD4/4
H04ヘッド4/4
UH00845
No. Drg.No.&CodeNo. QTY Description Rating
Materials
Remarks
番号 図番&コード番号 個数 品名 規格 材質 備考
1 XB03330 2 VALVE,SOL バルブSOL OT
2 XB00763 1 VALVE,PRESSUREREDUCING バルブ減圧 OT
3 XS01185 4 SPOOL スプール OT
5 S1058B 1 SILENCER サイレンサ AN120-M3 OT
6 H3176D 1 PLATE プレート SYJ3000-21-2A OT
7 XS00842 1 SENSOR,PRESSURE センサ圧力 OT
8 PJ06032 1 PLATE,ACRYLIC プレートアクリル OT
9 H1122D 1 VALVE,SOL バルブSOL SYJ3140-5M0U FE
10 XS01843 1 CYLINDER シリン
ダ
OT
175
PTS-NXT2-04JE
Vol.1