PTS-NXT2-04JE - 第199页
H02HEAD6/6 H02ヘ ッド6 /6 QK87404 No. Drg.No.&CodeNo. Q TY Description Rating Materials Remarks 番号 図番 &コード 番号 個数 品名 規格 材質 備考 1 PM04YM* 1 BODY 本体 AL 2 PM054D* 1 STAY ステ ー AL 3 PM04HH* 1 SLIDER スライ ダ F E 4…

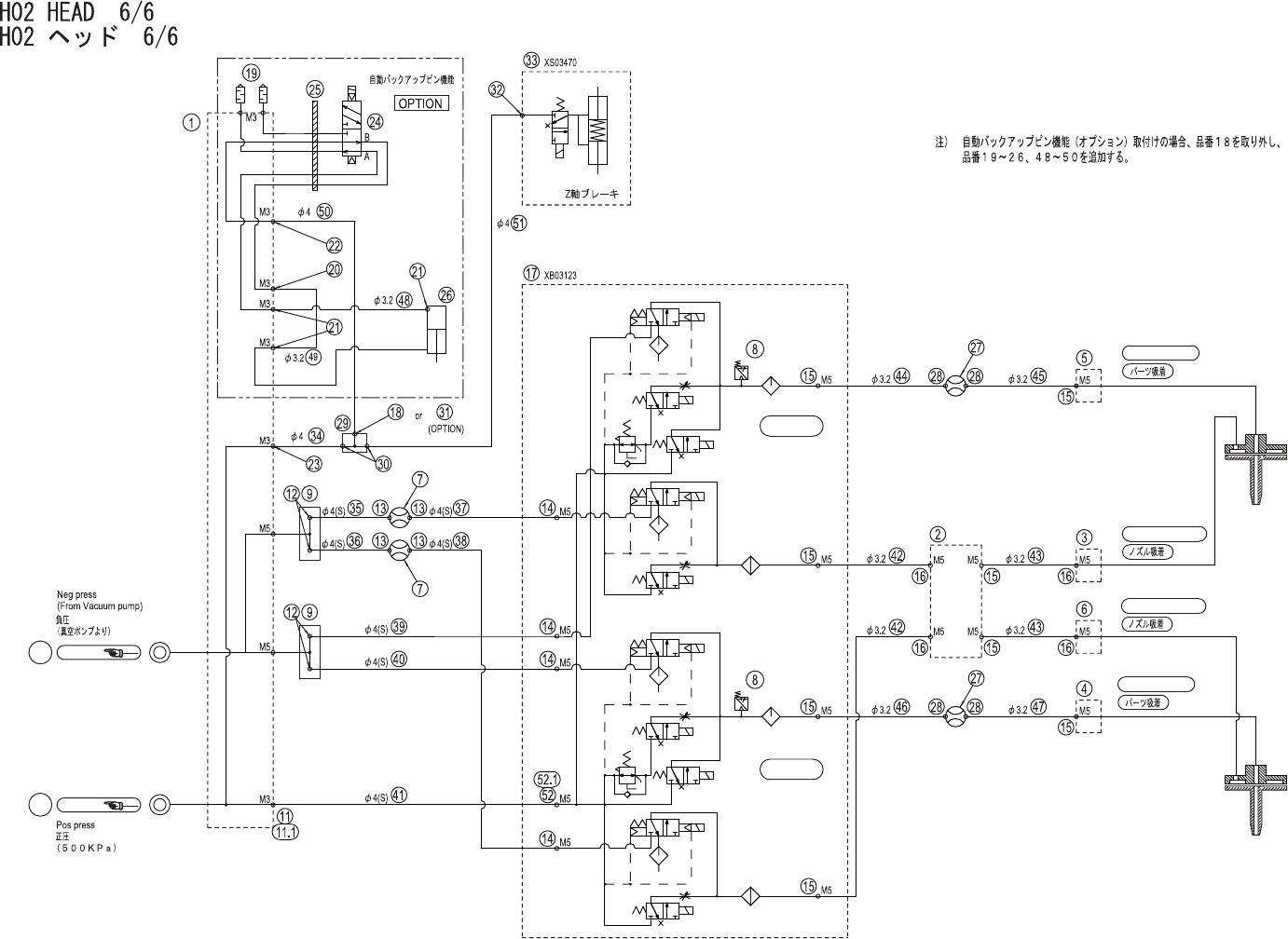
Note) When the optional auto backup pin equipment
is attached, part number 18 is removed and
part number 19 through 26
,48
through 50
are added.
a2
a1
Ref.BED
Ref.BED
Auto backup pin equipment
NOZZLE1
NOZZLE2
Part pickup
Nozzle pickup
Nozzle pickup
Part pickup
NOZZLE1
NOZZLE2
Z-axis brake
QK87404
198
PTS-NXT2-04JE
Vol.1

H02HEAD6/6
H02ヘッド6/6
QK87404
No. Drg.No.&CodeNo. QTY Description Rating
Materials
Remarks
番号 図番&コード番号 個数 品名 規格 材質 備考
1 PM04YM* 1 BODY 本体 AL
2 PM054D* 1 STAY ステー AL
3 PM04HH* 1 SLIDER スライダ FE
4 PM04HK* 1 SLIDER スライダ FE
5 PM03MK* 1 CAP キャップ AL
6 PM03ML* 1 CAP キャップ AL
7 XS01582 2 SENSOR センサ OT
8 S4033G 2 SENSOR,PRESSURE センサ圧力 PSE543-M5 OT
9 PM0CHB* 2 BOLT,JOINT ボルトジョイント FE
11 Y3044Z 1 UNION,ELBOW ユニオンエルボ LH-0425-M3 OT
11.1 R2031B 1 RING リング LS-0425 OT
12 A4067T 4 ELBOW エルボ M-5ALHU-4 OT
13 A4068H 4 ELBOW エルボ M-5ALU-4 OT
14 N2030T 4 NIPPLE ニップル M-5AU-4 OT
15 A4067R 8 ELBOW エルボ M-5AU-3 OT
16 A4068G 4 ELBOW エルボ M-5ALU-3 OT
17 XB03123 1 VALVE,UNIT バルブユニット OT
18 H3145H 1 PLUG プラグ M-3P OT
19 S1058B 2 SILENCER サイレンサ AN120-M3 OT
20 A4067G 1 ELBOW エルボ M-3AU-3 OT
21 A40669 3 ELBOW エルボ M-3ALU-3 OT
22 A4067H 1 ELBOW エルボ M-3AU-4 OT
23 A4067A 1 ELBOW エルボ M-3ALU-4 OT
24 H1077W 1 VALVE,SOL バルブSOL PCS242-NB-D24L OT
25 PJ1530* 1 PLATE,ACRYLIC プレートアクリル OT
26 XS0277* 1 CYLINDER シリンダ OT
27 XS01582 2 SENSOR センサ OT
28 A4068G 4 ELBOW エルボ M-5ALU-3 OT
29 PM096S1 1 JOINT,HOSE ジョイントホース AL
30 A4067H 2 ELBOW エルボ M-3AU-4 OT
31 A4067H 1 ELBOW エルボ M-3AU-4 OT
32 A4067H 1 ELBOW エルボ M-3AU-4 OT
33 XS03470 1 CYLINDER シリンダ OT
34 PZ54270 1 TUBE チューブ OT
35 PZ42600 1 TUBE チューブ OT
36 PZ42620 1 TUBE チューブ OT
37 PZ42560 1 TUBE チューブ OT
38 PZ42570 1 TUBE チューブ OT
199
PTS-NXT2-04JE
Vol.1

H02HEAD6/6
H02ヘッド6/6
QK87404
No. Drg.No.&CodeNo. QTY Description Rating
Materials
Remarks
番号 図番&コード番号 個数 品名 規格 材質 備考
39 PZ42590 1 TUBE チューブ OT
40 PZ42580 1 TUBE チューブ OT
41 PZ42610 1 TUBE チューブ OT
42 PZ42660 2 TUBE チューブ OT
43 PZ15271 2 TUBE チューブ OT
44 PZ42630 1 TUBE チューブ OT
45 PZ42670 1 TUBE チューブ OT
46 PZ42640 1 TUBE チューブ OT
47 PZ42670 1 TUBE チューブ OT
48 PZ42640 1 TUBE チューブ OT
49 PZ42650 1 TUBE チューブ OT
50 PZ54280 1 TUBE チューブ OT
51 PZ54290 1 TUBE チューブ OT
52 N2140D 1 NIPPLE ニップル LC-0425-M5 OT
52.1 R2031B 1 RING リン
グ
LS-0425 OT
200
PTS-NXT2-04JE
Vol.1