PTS-NXT2-04JE - 第219页
This page intentionally blank. 219 PTS-NXT2-04JE Vol.1

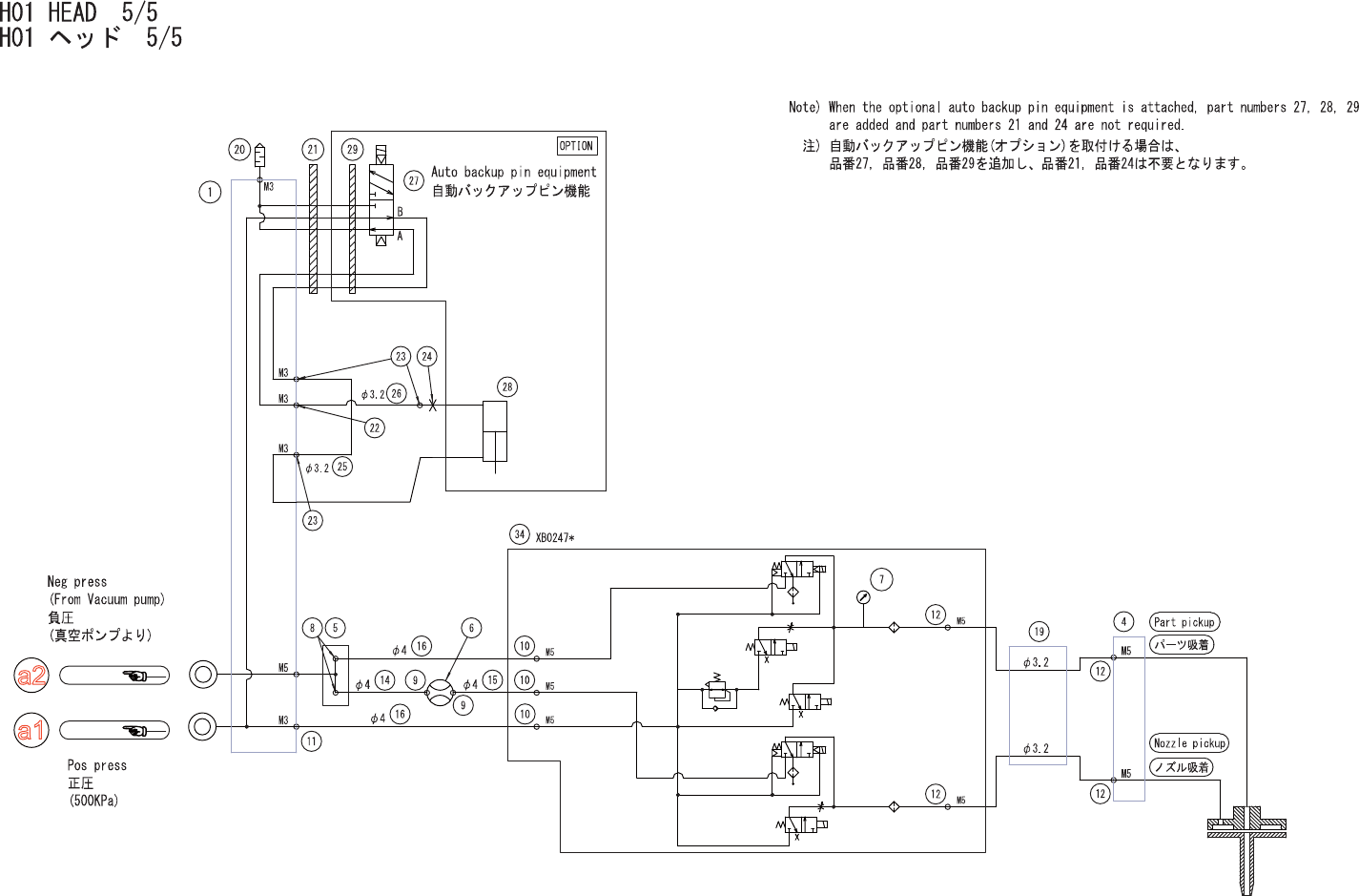
H01HEAD4/5
H01ヘッド4/5
UH00657
No. Drg.No.&CodeNo. QTY Description Rating
Materials
Remarks
番号 図番&コード番号 個数 品名 規格 材質 備考
44 S3228S 4 SPACER スペーサ BSF-308E OT
45 W1021A 4 WASHER,LOCK ワッシャスプリング 3M/M FE
46 W1040R 4 WASHER,FLAT ワッシャ平 3M/MX0.5X7(1W-3)(3カクロ) FE
52 XS01582 1 SENSOR センサ OT
53 K5177A 2 SCREW,C/RPAN 小ネジ十穴鍋 M02.5X014ステンレス FE
54 A4068H 2 ELBOW エルボ M-5ALU-4 OT
55 PZ24381 1 TUBE チューブ OT
56 PX03301 1 NAMEPLATE,CAUTION 銘板注意 PL
57 PX05131 2 NAMEPLATE,CAUTION 銘板注意 PL
59 H1021H 1 BATTERY バッテリ ER6VLY OT ConsumableParts
61 XB02474 1 VALVE,UNIT バルブユニット OT
62 N2030T 3 NIPPLE ニップル M-5AU-4 OT
63 A4068G 2 ELBOW エルボ M-5ALU-3 OT
64 S4033G 1 SENSOR,PRESSURE センサ圧力 PSE543-M5 OT
65 PB53641 1 BKT,WIRING BKT配線 FE
66 H5274A 2 BOLT,HEXSOCKET ボルト六角穴 M03X006 FE
67 W1021A 2 WASHER,LOCK ワッシャスプリング 3M/M FE
68 XH00940 2 FILTER フィルタ OT ConsumableParts
69 XK04830 1 BOARD,PRINTEDCIRCUIT 基板プリント OT
70 XK04800 1 BOARD,PRINTEDCIRCUIT 基板プリント OT
71 K5178L 2 SCREW,C/RPAN 小ネジ十穴鍋 M03X005ニッケルメッキ FE
72 W1021A 2 WASHER,LOCK ワッシャ ス
プ
リン
グ
3M/M FE
218
PTS-NXT2-04JE
Vol.1

This page intentionally blank.
219
PTS-NXT2-04JE
Vol.1

Ref.BED
Ref.BED
a1
a2
UH00657
220
PTS-NXT2-04JE
Vol.1