PTS-NXT2-04JE - 第239页
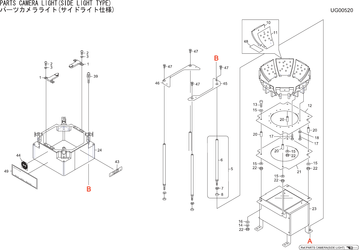
PARTSCAMERA(SIDELIGHTTYPE) パー ツカメ ラ(サ イドラ イト仕 様) UG00520 No. Drg.No.&CodeNo. Q TY Description Rating Materials Remarks 番号 図番 &コード 番号 個数 品名 規格 材質 備考 1 H2093E 2 PIN,PARALLEL ピ ン平 行 ゚4X10 Aシュステ ンレス OT 2…

238
PTS-NXT2-04JE
Vol.1

PARTSCAMERA(SIDELIGHTTYPE)
パーツカメラ(サイドライト仕様)
UG00520
No. Drg.No.&CodeNo. QTY Description Rating
Materials
Remarks
番号 図番&コード番号 個数 品名 規格 材質 備考
1 H2093E 2 PIN,PARALLEL ピン平行 ゚4X10Aシュステンレス OT
2 XR00241 1 LENS レンズ OT
2.1 . 1 SCREW,HEXSOCKETSET ネジ六角穴止め M04X005 FE ACC-2
3 H5178A 3 BOLT,HEX ボルト六角 M05X020 FE
4 W1023A 3 WASHER,LOCK ワッシャスプリング 5M/M FE
5 W1044A 3 WASHER,FLAT ワッシャ平 4W-5 FE
6 PM60343 1 BKT BKT FE
7 H5295A 4 BOLT,HEXSOCKET ボルト六角穴 M04X035 FE
8 W1022A 4 WASHER,LOCK ワッシャスプリング 4M/M FE
9 W1040S 4 WASHER,FLAT ワッシャ平 4M/MX0.8X9(1W-4)(3カクロ) FE
10 PJ06591 4 BUSHING ブシュ OT
11 PH00371 1 BKT BKT OT
12 K5357T 2 SCREW,HEXSOCKETCOUNTERSUNK 小ネジ六角穴皿 M03X008 FE
13 XK00795 1 CAMERA カメラ OT
14 PX04042 1 SEAL,BARCODE シールバーコード OT unitserialnumber
15 PG04703 1 SEAL,RUBBER シール
ゴ
ム PL
239
PTS-NXT2-04JE
Vol.1

240
PTS-NXT2-04JE
Vol.1