PTS-NXT2-04JE - 第273页
This page intentionally blank. 273 PTS-NXT2-04JE Vol.1

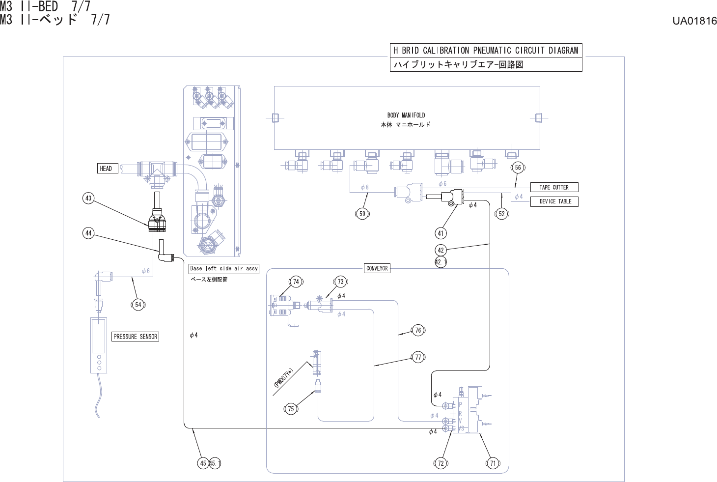
M3II-BED6/7
M3II-ベッド6/7
UA01816
No. Drg.No.&CodeNo. QTY Description Rating
Materials
Remarks
番号 図番&コード番号 個数 品名 規格 材質 備考
55 PZ10361 1 TUBE チューブ OT
56 PZ06711 1 TUBE チューブ OT
57 PZ06132 1 TUBE チューブ OT
58 PZ15811 1 TUBE チューブ OT
59 PZ15821 1 TUBE チューブ OT
61 PZ15841 1 TUBE チューブ OT
61.1 PZ15841 0(1) TUBE チューブ OT Note.1
62 PZ15851 1 TUBE チューブ OT
63 PZ39310 1 TUBE チューブ OT
64 PZ39300 1 TUBE チューブ OT
77 PZ10401 0(1) TUBE チュー
ブ
OT Note.1
Note.1:Thequantityin()indicatesthequantityforusewithoptionalVacuumbackuppins.
:()内の個数はオプション仕様のバキュームバックアップピンが取付く場合の個数を示す。
Note.2:ThepartsforBASEunit.
:ベース構成部品。
Note.3:ThepartsforSLYDEX-axisunit.
:X軸構成部品。
272
PTS-NXT2-04JE
Vol.1

This page intentionally blank.
273
PTS-NXT2-04JE
Vol.1

274
PTS-NXT2-04JE
Vol.1