PTS-NXT2-04JE - 第524页
48 PTS-NXT2-04JE Vol.2

2MII-BASE9/10
2MII-ベース9/10
UB01318
No. Drg.No.&CodeNo. QTY Description Rating
Materials
Remarks
番号 図番&コード番号 個数 品名 規格 材質 備考
1 PP03270 1 COVER カバー FE
1.1 PB01GT0 1 COVER カバー FE OPTION
2 K5171W 4 SCREW,C/RTRUSS 小ネジ十穴トラス M05X006(3カシロ) FE
3 K1141G 2 GUARD,FIN ガードフィン 109-1000G OT
4 H30129 1 FAN ファン 9G1224G4D01 OT
5 K51986 4 SCREW,WASHERASS'Y 小ネジ座金組込み M04X040P=3ナベセムス(3カシロ) FE
6 N1080H 4 NUT,HEX ナット六角 M04(ザツキ)(3カシロ) FE
7 PB005F1 1 BKT BKT FE
8 H5298A 2 BOLT,HEXSOCKET ボルト六角穴 M05X010 FE
9 W1023A 2 WASHER,LOCK ワッシャスプリング 5M/M FE
10 PT02380 1 BRIDGE ブリッジ FE
10.1 PM0DTF1 1 BLOCK,LOCATING ブロック位置決め FE
10.2 H5322A 2 BOLT,HEXSOCKET ボルト六角穴 M06X015 FE
10.3 W1013A 2 WASHER,CONICAL ワッシャ皿 M-6-H FE
11 H5322A 5 BOLT,HEXSOCKET ボルト六角穴 M06X015 FE
12 W1013A 5 WASHER,CONICAL ワッシャ皿 M-6-H FE
13 PB007F1 1 BKT BKT FE
14 H5299A 2 BOLT,HEXSOCKET ボルト六角穴 M05X012 FE
15 W1023A 2 WASHER,LOCK ワッシャスプリング 5M/M FE
16 PB94622 2 HOLDER 受け FE
17 K5172L 4 SCREW,C/RTRUSS 小ネジ十穴トラス M04X006(3カシロ) FE
18 RB04433 1 BKT BKT OT
19 H5297A 2 BOLT,HEXSOCKET ボルト六角穴 M05X008 FE
20 W1023A 2 WASHER,LOCK ワッシャスプリング 5M/M FE
22 RB04423 1 BKT BKT OT
23 H5297A 2 BOLT,HEXSOCKET ボルト六角穴 M05X008 FE
24 W1023A 2 WASHER,LOCK ワッシャスプリング 5M/M FE
26 PB00SA0 2 SPACER スペーサ FE
27 H5263C 4 BOLT,HEXSOCKET ボルト六角穴 M05X016 FE
28 W1012A 4 WASHER,CONICAL ワッシャ皿 M-5-L FE
29 K5171S 16 SCREW,C/RTRUSS 小ネジ十穴トラス M03X006(3カシロ) FE
30 K5198B 4 SCREW,WASHERASS'Y 小ネジ座金組込み M03X008P=4ナベセムス(3カシロ) FE
31 PB010K0 2 BKT,PIPING BKT配管 FE
32 H5298A 4 BOLT,HEXSOCKET ボルト六角穴 M05X010 FE
33 W1023A 4 WASHER,LOCK ワッシャ ス
プ
リン
グ
5M/M FE
47
PTS-NXT2-04JE
Vol.2

48
PTS-NXT2-04JE
Vol.2

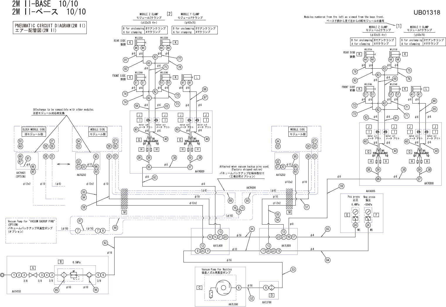
2MII-BASE10/10
2MII-ベース10/10
UB01318
No. Drg.No.&CodeNo. QTY Description Rating
Materials
Remarks
番号 図番&コード番号 個数 品名 規格 材質 備考
1 S5023H 1 SOCKET ソケット 30SH OT
2 H3114C 1 PLUG プラグ 30PF OT
3 H1282A 3 PIPE,DOUBLEENDED パイプ両口 3/8X25 OT
4 A41516 1 ELBOW エルボ SGPPE10A OT
5 Y3122K 1 UNION,ELBOW ユニオンエルボ KQ2V16-03S OT
6 A40687 3 ELBOW エルボ KQ2L16-99 OT
7 Y3081E 0(2) UNION,ELBOW ユニオンエルボ KQ2L16-00 OT Note.1
8 Y3069R 0(1) UNION ユニオン KQ2R10-16 OT Note.1
9 Y3081H 1 UNION,ELBOW ユニオンエルボ KQ2L16-04S OT
10 Y3081G 1 UNION,ELBOW ユニオンエルボ KQ2L16-03S OT
11 Y30866 2 UNION,HALF ユニオンハーフ KQ2S16-04S OT
12 Y3076G 2 UNION ユニオン KQ2U12-04S OT
13 Y3086A 2 UNION,HALF ユニオンハーフ KQ2H10-03S OT
14 Y3120B 1 UNION,ELBOW ユニオンエルボ KQ2VF08-03S OT
15 Y3082X 1 UNION,HALF ユニオンハーフ KQ2H04-01S OT
16 Y3035B 1 UNION ユニオン KQ2U08-03S OT
17 Y30683 1 UNION ユニオン KQ2R04-08 OT
18 K50767 0(1) CONNECTOR コネクタ KQ2U08-10 OT Note.1
19 Y3069H 0(2) UNION ユニオン KQ2R06-08 OT Note.1
20 Y3128B 2 UNION ユニオン SGPPT15A OT
21 Y3128C 2 UNION ユニオン SGPPT10A OT
22 H3327B 1 BUSHING ブシュ SUTPB14 OT
23 Y30869 2 UNION,HALF ユニオンハーフ KQ2S16-03S OT
24 Y3049G 2 UNION,ELBOW ユニオンエルボ KJL04-M5(シロ) OT
25 S50251 0(2) SOCKET ソケット CPSE7-6 OT Note.1
26 K1161W 0(2) COUPLER カプラ CPPE7-01 OT Note.1
27 Y3024A 0(2) UNION ユニオン PMF6-01 OT Note.1
28 S5026T 2 SOCKET ソケット KK4S-10L-X42 OT
29 K11578 0(2) COUPLER カプラ KK4P-10E OT Note.1
30 Y3081F 2 UNION,ELBOW ユニオンエルボ KQ2L12-04S OT
31 PM09MY1 2 ADAPTER アダプタ FE
32 S5026B 2 SOCKET ソケット K4-04SH OT
33 K1158B 0(2) COUPLER カプラ K4-04PM OT Note.1
34 PM05ZF2 0(2) JOINT ジョイント AL Note.1
35 Y3071H 2 UNION ユニオン KQ2T08-00 OT
36 PZ16811 2 TUBE チューブ OT
37 Y3079Z 2 UNION,ELBOW ユニオンエルボ KQ2L08-00 OT
38 Y30680 4 UNION ユニオン KQ2N08-99 OT
49
PTS-NXT2-04JE
Vol.2