PTS-NXT2-04JE - 第791页
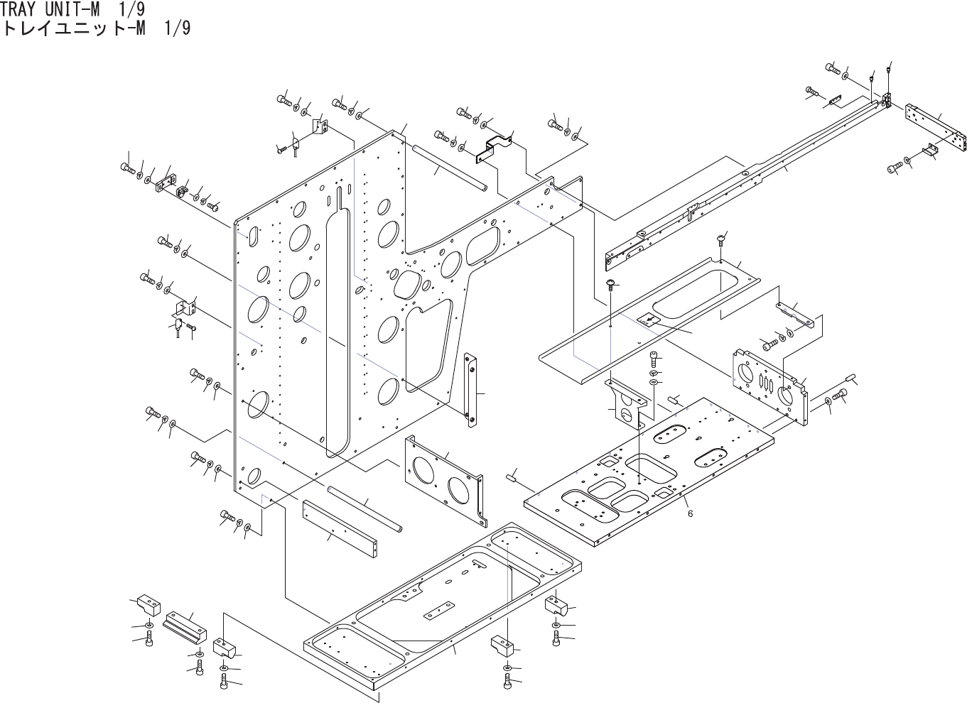
TRAYUNIT-M1/9 トレ イユニッ ト-M 1/9 UT00242 No. Drg.No.&CodeNo. Q TY Description Rating Materials Remarks 番号 図番 &コード 番号 個数 品名 規格 材質 備考 1 PM91466 1 PLATE,SIDE プレー トサ イド AL 2 PM92074 1 BASE ベー ス AL 3 H5289A …

1
2
3
4
5
7
8
9
10
11
12
13
14
15
16
17
18
19
20
21
22
23
24
25
26
27
28
29
30
31
32
33
35
36
37
38
39
40
41
42
43
44
45
46
47
48
49
50
51
52
53
54
55
56
60
61
62
63
64
65
31
32
33
63
64
65
30
34
63
64
65
63
64
65
16
10
66
67
68
69
70
71
72
73
15.1
17.1
17.1
77
78
79
80
57
58
59
75
74
74
75
59.1
UT00242
114
PTS-NXT2-04JE
Vol.3

TRAYUNIT-M1/9
トレイユニット-M1/9
UT00242
No. Drg.No.&CodeNo. QTY Description Rating
Materials
Remarks
番号 図番&コード番号 個数 品名 規格 材質 備考
1 PM91466 1 PLATE,SIDE プレートサイド AL
2 PM92074 1 BASE ベース AL
3 H5289A 5 BOLT,HEXSOCKET ボルト六角穴 M04X012 FE
4 W1022A 5 WASHER,LOCK ワッシャスプリング 4M/M FE
5 W1040S 5 WASHER,FLAT ワッシャ平 4M/MX0.8X9(1W-4)(3カクロ) FE
6 PM91454 1 PLATE プレート AL
7 H5289A 5 BOLT,HEXSOCKET ボルト六角穴 M04X012 FE
8 W1022A 5 WASHER,LOCK ワッシャスプリング 4M/M FE
9 W1040S 5 WASHER,FLAT ワッシャ平 4M/MX0.8X9(1W-4)(3カクロ) FE
10 H2093W 2 PIN,PARALLEL ピン平行 ゚4X10Bシュ(H8) OT
11 PM84453 1 PLATE プレート AL
12 H5289A 2 BOLT,HEXSOCKET ボルト六角穴 M04X012 FE
13 W1022A 2 WASHER,LOCK ワッシャスプリング 4M/M FE
14 W1040S 2 WASHER,FLAT ワッシャ平 4M/MX0.8X9(1W-4)(3カクロ) FE
15 PB52741 1 COVER カバー AL
15.1 PZ26460 1 SEAL シール PL
16 K5171S 4 SCREW,C/RTRUSS 小ネジ十穴トラス M03X006(3カシロ) FE
17 PM91425 1 RAIL レール AL
17.1 PM0AMG1 2 BOLT ボルト FE
18 H5290A 5 BOLT,HEXSOCKET ボルト六角穴 M04X015 FE
19 W1022A 5 WASHER,LOCK ワッシャスプリング 4M/M FE
20 W1043A 5 WASHER,FLAT ワッシャ平 4W-4 FE
21 PM0CAX0 1 PLATE プレート FE
22 H5275A 2 BOLT,HEXSOCKET ボルト六角穴 M03X008 FE
23 W1010A 2 WASHER,CONICAL ワッシャ皿 M-3-L FE
24 PB03KG0 1 PLATE,SENSOR プレートセンサ FE
25 K5169M 2 SCREW,C/RCOUNTERSUNK 小ネジ十穴皿 M02X005(ステンレス) FE
26 PM72523 1 PLATE プレート AL
27 H5289A 2 BOLT,HEXSOCKET ボルト六角穴 M04X012 FE
28 W1022A 2 WASHER,LOCK ワッシャスプリング 4M/M FE
29 W1040S 2 WASHER,FLAT ワッシャ平 4M/MX0.8X9(1W-4)(3カクロ) FE
30 PM55142 12 ROD,JOINT ロッドジョイント AL
31 H5289A 12 BOLT,HEXSOCKET ボルト六角穴 M04X012 FE
32 W1022A 12 WASHER,LOCK ワッシャスプリング 4M/M FE
33 W1040S 12 WASHER,FLAT ワッシャ平 4M/MX0.8X9(1W-4)(3カクロ) FE
34 PM84402 1 BKT,SW BKTSW AL
35 H5289A 2 BOLT,HEXSOCKET ボルト六角穴 M04X012 FE
36 W1022A 2 WASHER,LOCK ワッシャスプリング 4M/M FE
115
PTS-NXT2-04JE
Vol.3

TRAYUNIT-M1/9
トレイユニット-M1/9
UT00242
No. Drg.No.&CodeNo. QTY Description Rating
Materials
Remarks
番号 図番&コード番号 個数 品名 規格 材質 備考
37 W1040S 2 WASHER,FLAT ワッシャ平 4M/MX0.8X9(1W-4)(3カクロ) FE
38 PB52593 1 BKT,SENSOR BKTセンサ AL
39 H5276A 2 BOLT,HEXSOCKET ボルト六角穴 M03X010 FE
40 W1021A 2 WASHER,LOCK ワッシャスプリング 3M/M FE
41 W1042A 2 WASHER,FLAT ワッシャ平 4W-3 FE
42 PB52601 1 BKT BKT FE
43 H5289A 2 BOLT,HEXSOCKET ボルト六角穴 M04X012 FE
44 W1022A 2 WASHER,LOCK ワッシャスプリング 4M/M FE
45 W1040S 2 WASHER,FLAT ワッシャ平 4M/MX0.8X9(1W-4)(3カクロ) FE
46 PM72221 1 BKT,SENSOR BKTセンサ AL
47 H5277A 2 BOLT,HEXSOCKET ボルト六角穴 M03X012 FE
48 W1021A 2 WASHER,LOCK ワッシャスプリング 3M/M FE
49 W1042A 2 WASHER,FLAT ワッシャ平 4W-3 FE
50 PB52582 1 BKT,SENSOR BKTセンサ AL
51 H5276A 2 BOLT,HEXSOCKET ボルト六角穴 M03X010 FE
52 W1021A 2 WASHER,LOCK ワッシャスプリング 3M/M FE
53 W1042A 2 WASHER,FLAT ワッシャ平 4W-3 FE
54 H5288A 4 BOLT,HEXSOCKET ボルト六角穴 M04X010 FE
55 W1011A 4 WASHER,CONICAL ワッシャ皿 M-4-L FE
56 H2093W 2 PIN,PARALLEL ピン平行 ゚4X10Bシュ(H8) OT
57 S40261 1 SENSOR センサ EE-SX871-R OT
58 K5256E 2 SCREW,HEXSOCKETBUTTON 小ネジ六角穴ボタン M03X010 FE
59 W1021A 2 WASHER,LOCK ワッシャスプリング 3M/M FE
59.1 W1040R 2 WASHER,FLAT ワッシャ平 3M/MX0.5X7(1W-3)(3カクロ) FE
60 PM92771 1 GUIDE ガイド FE
61 H5292A 2 BOLT,HEXSOCKET ボルト六角穴 M04X020 FE
62 W1011A 2 WASHER,CONICAL ワッシャ皿 M-4-L FE
63 PM92762 4 GUIDE ガイド FE
64 H5292A 8 BOLT,HEXSOCKET ボルト六角穴 M04X020 FE
65 W1011A 8 WASHER,CONICAL ワッシャ皿 M-4-L FE
66 PB42061 1 BKT,COVER BKTカバー AL
67 H5288A 2 BOLT,HEXSOCKET ボルト六角穴 M04X010 FE
68 W1022A 2 WASHER,LOCK ワッシャスプリング 4M/M FE
69 W1040S 2 WASHER,FLAT ワッシャ平 4M/MX0.8X9(1W-4)(3カクロ) FE
70 PB52731 1 BKT,COVER BKTカバー AL
71 H5289A 2 BOLT,HEXSOCKET ボルト六角穴 M04X012 FE
72 W1022A 2 WASHER,LOCK ワッシャスプリング 4M/M FE
73 W1040S 2 WASHER,FLAT ワッシャ平 4M/MX0.8X9(1W-4)(3カクロ) FE
116
PTS-NXT2-04JE
Vol.3