PTS-NXT2-04JE - 第84页
H H J J K K 24 25 26 1 2 3 4 5 6 6 7 8 9 11 12 13 14 15 16 17 18 19 20 21 22 10 30 31 32 33 34 35 36 37 38 39 39 40 41 42 43 44 45 46 44 45 46 49 50 51 52 53 54 55 56 56.1 56.2 57 57 58 58 59 60 60 61 64 65 66 67 68 69 7…

V12HEAD(AUTOBACKUPPINEQUIPMENT)
V12ヘッド(自動バックアップピン機能)
AA9TG02
No. Drg.No.&CodeNo. QTY Description Rating
Materials
Remarks
番号 図番&コード番号 個数 品名 規格 材質 備考
1 H1122D 1 VALVE,SOL バルブSOL SYJ3140-5M0U OT
2 . 2 SCREW,C/RPAN 小ネジ十穴鍋 M01.8X20 FE ACC-1
3 PJ22721 1 PLATE,ACRYLIC プレートアクリル OT
4 XS01843 1 CYLINDER シリンダ OT
4.1 K51684 1 SCREW,C/RCOUNTERSUNK 小ネジ十穴皿 M02X006(3カクロ) FE
5 H5267A 3 BOLT,HEXSOCKET ボルト六角穴 M02X008 FE
6 W1020A 3 WASHER,LOCK ワッシャスプリング 2M/M FE
7 PM07YM4 1 FLANGE フランジ AL
8 H5265A 1 BOLT,HEXSOCKET ボルト六角穴 M02X005 FE
9 N4087K 2 SCREW,HEXSOCKETSET ネジ六角穴止め M01.6X002クボミサキ FE
10 PM55002 1 BUSHING,GUIDE ブシュガイド OT
11 PM07YL0 1 SHAFT シャフト FE
12 H5266A 1 BOLT,HEXSOCKET ボルト六角穴 M02X006 FE
13 W1020A 1 WASHER,LOCK ワッシャスプリング 2M/M FE
14 AA17R11 1 CHUCK チャック OT
15 PB002H1 1 DOG,SW ドッグSW FE
16 K5180G 2 SCREW,C/RPAN 小ネジ十穴鍋 M02X0040バン3シュ(3カクロ) FE
17 W1020A 2 WASHER,LOCK ワッシャスプリング 2M/M FE
18 PB002K3 1 DOG,SW ドッグSW FE
19 K5180C 2 SCREW,C/RPAN 小ネジ十穴鍋 M01.7X0030バン3シュ(3カクロ) FE
20 XK05291 1 BOARD,PRINTEDCIRCUIT 基板プリント OT
21 S3227R 2 SPACER スペーサ C-2002.5 OT
22 H5267A 2 BOLT,HEXSOCKET ボルト六角穴 M02X008 FE
23 W1039A 2 WASHER,FLAT ワッシャ平 2M/M FE
24 RH36281 1 HARNESS ハーネス OT
25 PB002L1 1 BKT,SENSOR BKTセンサ FE
26 H5274A 1 BOLT,HEXSOCKET ボルト六角穴 M03X006 FE
27 W1010A 1 WASHER,CONICAL ワッシャ皿 M-3-L FE
28 S40577 1 SENSOR センサ E2S-W161M OT
29 K5180E 1 SCREW,C/RPAN 小ネジ十穴鍋 M02X0030バン1シュ(3カシロ) FE
30 W1039A 1 WASHER,FLAT ワッシャ平 2M/M FE
31 H5265A 2 BOLT,HEXSOCKET ボルト六角穴 M02X005 FE
32 W1020A 2 WASHER,LOCK ワッシャスプリング 2M/M FE
33 PX08321 1 SEAL,BARCODE シール バーコード OT unitserialnumber
83
PTS-NXT2-04JE
Vol.1

H
H
J
J
K
K
24
25
26
1
2
3
4
5
6
6
7
8
9
11
12
13
14
15
16
17
18
19
20
21
22
10
30
31
32
33
34
35
36
37
38
39
39
40
41
42
43
44
45
46
44
45
46
49
50
51
52
53
54
55
56
56.1
56.2
57
57
58
58
59
60
60
61
64
65
66
67
68
69
72
73
74
75
76
77
78
79
82
83
83.1
83.1
84
85
86
87
88
89
90
91
92
93
94
95
96
97
98
99
100
101
102
103
104
105
106107
108
108
109
109
110
110
112
113
114
114
115
115
116
117
118
119
120
120
121
122
123
124
125
126
127
128
128
129
130
131
132
133
134
135
136
137
138
139
140
141
142
143
144
145
146
147
148
149
150
151
152
153
154
155
156
157
158
79.1
79.2
70
71
71
96
28
27
27
29
23
79.3
62
63
111
UH03019
84
PTS-NXT2-04JE
Vol.1

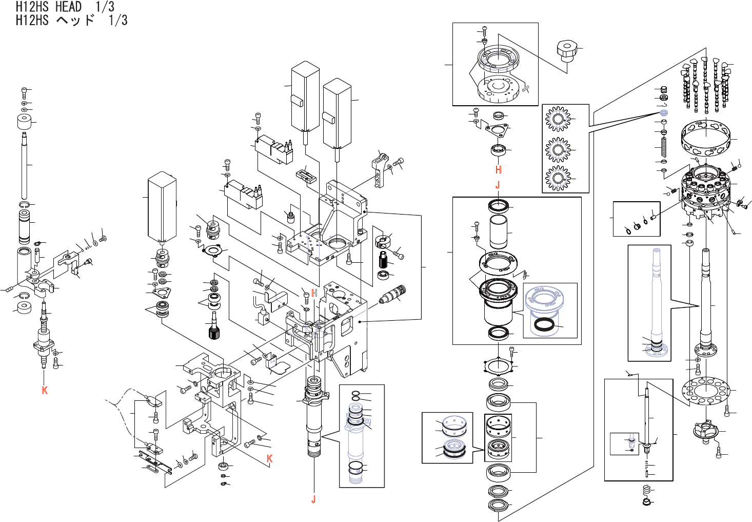
H12HSHEAD1/3
H12HSヘッド1/3
UH03019
No. Drg.No.&CodeNo. QTY Description Rating
Materials
Remarks
番号 図番&コード番号 個数 品名 規格 材質 備考
1 PG04632 1 STOPPER ストッパ PL
2 H5275A 1 BOLT,HEXSOCKET ボルト六角穴 M03X008 FE
3 W1021A 1 WASHER,LOCK ワッシャスプリング 3M/M FE
4 W1040R 1 WASHER,FLAT ワッシャ平 3M/MX0.5X7(1W-3)(3カクロ) FE
5 PZ37540 1 SHAFT シャフト FE
6 S10015 2 CIR-CLIP サークリップ RTW12 OT
7 XB00642 1 BEARING,SLIDE ベアリングスライド OT
8 PT01841 1 SLIDER スライダ OT
9 N4019A 1 SCREW,HEXSOCKETSET ネジ六角穴止め M03X004クボミサキ FE
10 PG04643 1 STOPPER ストッパ PL
11 S1027A 1 CIR-CLIP サークリップ STW5 OT
12 PM76232 1 PIN ピン FE
13 XB03004 1 BALLSCREW ボールネジ OT
14 H5268Z 4 BOLT,HEXSOCKET ボルト六角穴 M02.5X008 FE
15 W1020H 4 WASHER,LOCK ワッシャスプリング 2.5M/M FE
16 PM058M5 1 ARM アーム FE
17 K1089R 1 CAMFOLLOWER カムフォロア CFS2.5-A OT
18 H5065B 1 BALL,STEEL ボールスチール 2.5M/M OT
19 PZ21491 1 SPRING スプリング FE
20 K52543 1 SCREW,C/RFLAT 小ネジ十穴平 M03X004ヒラトウH=1.0ニッケル FE
21 W1040R 1 WASHER,FLAT ワッシャ平 3M/MX0.5X7(1W-3)(3カクロ) FE
22 AA6FY08 1 BODY 本体 OT
23 XB00763 1 VALVE,PRESSUREREDUCING バルブ減圧 OT
24 AA06D09 1 ROLLER ローラ OT
25 H5278A 2 BOLT,HEXSOCKET ボルト六角穴 M03X015 FE
26 W1021A 2 WASHER,LOCK ワッシャスプリング 3M/M FE
27 XM00472 2 MOTOR,ACSERVO モータACサーボ OT
28 H5274A 2 BOLT,HEXSOCKET ボルト六角穴 M03X006 FE
29 PM76241 1 COLLAR カラー FE
30 H5275A 1 BOLT,HEXSOCKET ボルト六角穴 M03X008 FE
31 PM05FE3 1 GEAR ギヤ FE
32 H41305 1 BEARING ベアリング 695ZZ OT
33 H5274A 2 BOLT,HEXSOCKET ボルト六角穴 M03X006 FE
34 W1021A 2 WASHER,LOCK ワッシャスプリング 3M/M FE
35 XK04101 1 COUPLING カップリング OT
36 PP00131 1 RETAINER,BEARING 押えベアリング FE
37 H5265A 3 BOLT,HEXSOCKET ボルト六角穴 M02X005 FE
38 W1020A 3 WASHER,LOCK ワッシャスプリング 2M/M FE
85
PTS-NXT2-04JE
Vol.1