PTS-NXT2-04JE - 第843页
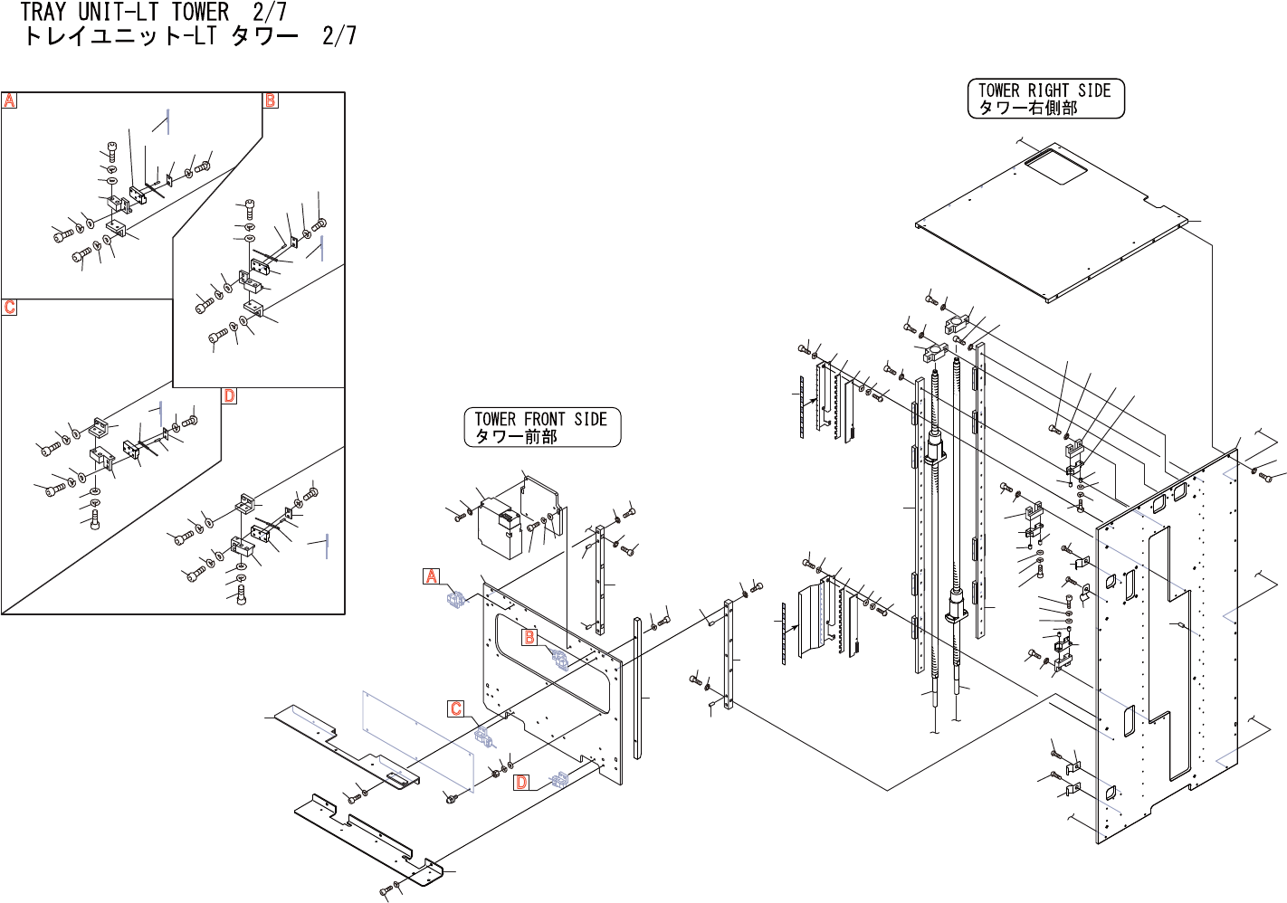
TRAYUNIT-LTTOWER2/7 トレ イユニッ ト-LT タワー 2/ 7 QK07D04 No. Drg.No.&CodeNo. Q TY Description Rating Materials Remarks 番号 図番 &コード 番号 個数 品名 規格 材質 備考 1 PM09RD1 1 PLATE,UPPER プ レート 上 A L 2 PM09RB3 1 PLATE,S…

A
C
D
A
C
D
B
B
1
2
3
4
5
6
6
6
7
7
7
7
6
14
14
14
15
15
15
10
11
16
16
16
17
18
19
18
19
20
21
22
23
24.1
25
26
27
28
29
30
31
32
24
25
26
27
28
29
30
31
33
34
34
35
36
35
35
35
37
37
37
37
38
39
40
41
42
43
44
45
46
47
48
49
50
51
52
53
54
55
56
57
58
59
59
59
63
65
66
67
70
70
71
71
72
73
74
72
73
74
73
74
75
75
75
75
76
76
76
76
77
77
77
77
78
78
78
78
79
79
79
79
65
66
67
72
72
73
74
65
66
67
65
66
67
63
64
64
60
61
62
60
61
62
60
61
62
60
61
62
59
36
36
36
23
21
22
20
17
13
13
13
13
13
9
9
10
10
11
11
12
12
12
13
9
QK07D04
166
PTS-NXT2-04JE
Vol.3

TRAYUNIT-LTTOWER2/7
トレイユニット-LTタワー2/7
QK07D04
No. Drg.No.&CodeNo. QTY Description Rating
Materials
Remarks
番号 図番&コード番号 個数 品名 規格 材質 備考
1 PM09RD1 1 PLATE,UPPER プレート上 AL
2 PM09RB3 1 PLATE,SIDE プレートサイド AL
3 H5427B 5 BOLT,HEXSOCKET ボルト六角穴 M05X012(3カシロ) FE
4 W1100A 5 WASHER,CONICAL ワッシャ皿 M5SUSJISB12512シュ2L FE
5 H2096H 12 PIN,PARALLEL ピン平行 ゚3X6Bシュ(ステンレス) OT
6 H1137T 4 BAND,TIE バンド結束 NK-3N OT
7 K5172L 4 SCREW,C/RTRUSS 小ネジ十穴トラス M04X006(3カシロ) FE
9 PM03DR0 3 BKT,STOPPER BKTストッパ FE
10 H5287A 6 BOLT,HEXSOCKET ボルト六角穴 M04X008ゼンネジ FE
11 W1011A 6 WASHER,CONICAL ワッシャ皿 M-4-L FE
12 PG03662 3 STOPPER ストッパ PL
13 S3060F 6 SPACER スペーサ CF-304ZE OT
14 H5276A 6 BOLT,HEXSOCKET ボルト六角穴 M03X010 FE
15 W1021A 6 WASHER,LOCK ワッシャスプリング 3M/M FE
16 W1040R 6 WASHER,FLAT ワッシャ平 3M/MX0.5X7(1W-3)(3カクロ) FE
17 XG01251 2 GUIDE,RAIL ガイドレール OT
18 H5275A 48 BOLT,HEXSOCKET ボルト六角穴 M03X008 FE
19 W1010A 48 WASHER,CONICAL ワッシャ皿 M-3-L FE
20 PM07RE0 2 BKT BKT FE
21 H5298A 4 BOLT,HEXSOCKET ボルト六角穴 M05X010 FE
22 W1012A 4 WASHER,CONICAL ワッシャ皿 M-5-L FE
23 XB03193 2 BALLSCREW ボールネジ OT
24 PB82230 1 BKT BKT FE
24.1 PB02KW1 1 BKT BKT FE
25 H5274A 4 BOLT,HEXSOCKET ボルト六角穴 M03X006 FE
26 W1021A 4 WASHER,LOCK ワッシャスプリング 3M/M FE
27 PS02751 2 SHEET シート OT ConsumableParts
28 XK02410 2 BOARD,PRINTEDCIRCUIT 基板プリント OT
29 H52683 4 BOLT,HEXSOCKET ボルト六角穴 M02.5X005 FE
30 W1020H 4 WASHER,LOCK ワッシャスプリング 2.5M/M FE
31 W11081 4 WASHER,FLAT ワッシャ平 1W-2.5(3カクロ) FE
32 PZ32481 1 SEAL シール PL
33 PZ32461 1 SEAL シール PL
34 PM03DT1 2 BLOCK,LOCATING ブロック位置決め AL
35 H5299A 22 BOLT,HEXSOCKET ボルト六角穴 M05X012 FE
36 W1012A 22 WASHER,CONICAL ワッシャ皿 M-5-L FE
37 H2094H 4 PIN,PARALLEL ピン平行 5゚X12Bシュ OT
38 PM072F4 1 PLATE プレート AL
167
PTS-NXT2-04JE
Vol.3

TRAYUNIT-LTTOWER2/7
トレイユニット-LTタワー2/7
QK07D04
No. Drg.No.&CodeNo. QTY Description Rating
Materials
Remarks
番号 図番&コード番号 個数 品名 規格 材質 備考
39 PM0CHZ0 1 GUIDE ガイド FE
40 H5289A 2 BOLT,HEXSOCKET ボルト六角穴 M04X012 FE
41 W1022A 2 WASHER,LOCK ワッシャスプリング 4M/M FE
42 PB88572 2 PLATE,SW プレートSW FE
43 H5290A 2 BOLT,HEXSOCKET ボルト六角穴 M04X015 FE
44 W1022A 2 WASHER,LOCK ワッシャスプリング 4M/M FE
45 W1043A 2 WASHER,FLAT ワッシャ平 4W-4 FE
46 S31935 1 SW,LIMIT SWリミット D4NL-1HFG-B OT
47 K5242A 3 SCREW,C/RPAN 小ネジ十穴鍋 M04X035ニッケルメッキ FE
48 W1011A 3 WASHER,CONICAL ワッシャ皿 M-4-L FE
49 PB95784 1 BKT,COVER BKTカバー FE
50 H5287A 2 BOLT,HEXSOCKET ボルト六角穴 M04X008ゼンネジ FE
51 W1022A 2 WASHER,LOCK ワッシャスプリング 4M/M FE
52 PB97362 1 BKT,COVER BKTカバー FE
53 H5287A 3 BOLT,HEXSOCKET ボルト六角穴 M04X008ゼンネジ FE
54 W1022A 3 WASHER,LOCK ワッシャスプリング 4M/M FE
55 W1043A 6 WASHER,FLAT ワッシャ平 4W-4 FE
56 W1022A 6 WASHER,LOCK ワッシャスプリング 4M/M FE
57 . 6 SPACER スペーサ 4SQ-6 OT
58 K51983 6 SCREW,WASHERASS'Y 小ネジ座金組込み M04X008P=4ナベセムス(3カシロ) FE
59 PM071Y1 4 BKT BKT FE
60 H5277A 8 BOLT,HEXSOCKET ボルト六角穴 M03X012 FE
61 W1021A 8 WASHER,LOCK ワッシャスプリング 3M/M FE
62 W1042A 8 WASHER,FLAT ワッシャ平 4W-3 FE
63 PM071L1 2 BKT BKT FE
64 PM071R1 2 BKT BKT FE
65 H5263A 8 BOLT,HEXSOCKET ボルト六角穴 M03X018 FE
66 W1021A 8 WASHER,LOCK ワッシャスプリング 3M/M FE
67 W1042A 8 WASHER,FLAT ワッシャ平 4W-3 FE
70 PM0EBD0 2 BKT,SENSOR BKTセンサ FE
71 PM0EBE0 2 BKT,SENSOR BKTセンサ FE
72 H5275A 8 BOLT,HEXSOCKET ボルト六角穴 M03X008 FE
73 W1021A 8 WASHER,LOCK ワッシャスプリング 3M/M FE
74 W1042A 8 WASHER,FLAT ワッシャ平 4W-3 FE
75 S40525 4 SENSOR,FIBER センサファイバ FU-18M OT
76 H2041A 4 PIN,SPRING ピンスプリング 2゚X8 OT
77 PB97350 4 PLATE,RETAINING プレート押え FE
78 K5255T 8 SCREW,HEXSOCKETBUTTON 小ネジ六角穴ボタン M03X006 FE
168
PTS-NXT2-04JE
Vol.3