PTS-NXT2-04JE - 第861页
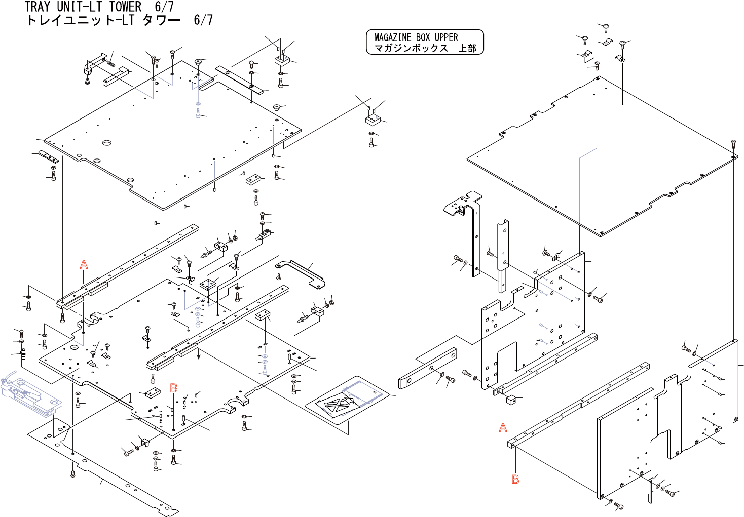
TRAYUNIT-LTTOWER6/7 トレ イユニッ ト-LT タワー 6/ 7 QK07D04 No. Drg.No.&CodeNo. Q TY Description Rating Materials Remarks 番号 図番 &コード 番号 個数 品名 規格 材質 備考 1 PM078R7 1 PLATE,LOWER プ レート 下 A L 2 H2093W 2 PIN,PARA…

A
A
B
B
1
89
2
2
3
4
5
87
88
87
88
6
7
8
9
10
11
15
30
31
32
30
31
32
33
33
34
35
37
38
39
40
40
41
42
41
42
43
44
45
46
47
48
50
50
46
47
48
50
50
51
52
53
54
55
56
57
58
59
60
61
62
63
64
64
65
66
67
68
69
70
71
72
73
74
75
76
77
78
79
80
81
82
83
84
84
66
66
66
65
54
54
34
18
22
23
24
25
26
27
27
28
28
29
29
29
28
28
28
29
29
29
29
27
27
27
27
29
29
29
29
16
17
12
13
14
11
3
3
3
66
66
66
66
19
20
12
13
14
90
92
91
36
36
36
36
36
4
5
94
93
49
15
16
17
49.1
QK07D04
184
PTS-NXT2-04JE
Vol.3

TRAYUNIT-LTTOWER6/7
トレイユニット-LTタワー6/7
QK07D04
No. Drg.No.&CodeNo. QTY Description Rating
Materials
Remarks
番号 図番&コード番号 個数 品名 規格 材質 備考
1 PM078R7 1 PLATE,LOWER プレート下 AL
2 H2093W 2 PIN,PARALLEL ピン平行 ゚4X10Bシュ(H8) OT
3 H2096H 4 PIN,PARALLEL ピン平行 ゚3X6Bシュ(ステンレス) OT
4 H5288A 9 BOLT,HEXSOCKET ボルト六角穴 M04X010 FE
5 W1011A 9 WASHER,CONICAL ワッシャ皿 M-4-L FE
6 H5273A 16 BOLT,HEXSOCKET ボルト六角穴 M03X005 FE
7 W1010A 16 WASHER,CONICAL ワッシャ皿 M-3-L FE
8 S30971 1 SW,PROXIMITY SW近接 E2S-Q11-R OT
9 K51864 1 SCREW,C/RPAN 小ネジ十穴鍋 M03X005ステンレス FE
10 W1021A 1 WASHER,LOCK ワッシャスプリング 3M/M FE
11 PB82421 2 STOPPER ストッパ FE
12 H5275A 4 BOLT,HEXSOCKET ボルト六角穴 M03X008 FE
13 W1021A 4 WASHER,LOCK ワッシャスプリング 3M/M FE
14 W1040R 4 WASHER,FLAT ワッシャ平 3M/MX0.5X7(1W-3)(3カクロ) FE
15 PM04XY2 2 BLOCK,LOCATING ブロック位置決め FE
16 N10813 2 NUT,HEX ナット六角 M043シュ(3カクロ) FE
17 W1022A 2 WASHER,LOCK ワッシャスプリング 4M/M FE
18 PB82400 1 PLATE,SW プレートSW FE
19 H5275A 2 BOLT,HEXSOCKET ボルト六角穴 M03X008 FE
20 W1010A 2 WASHER,CONICAL ワッシャ皿 M-3-L FE
22 S30975 1 SW,PROXIMITY SW近接 E2S-W21-R OT
23 K5256E 1 SCREW,HEXSOCKETBUTTON 小ネジ六角穴ボタン M03X010 FE
24 W1021A 1 WASHER,LOCK ワッシャスプリング 3M/M FE
25 PB86001 1 BKT,WIRING BKT配線 FE
26 K5172L 2 SCREW,C/RTRUSS 小ネジ十穴トラス M04X006(3カシロ) FE
27 H11460 8 BAND,PIPE バンドパイプ PZ-23 OT
28 H1145B 5 BAND,PIPE バンドパイプ PZ-13 OT
29 K5172H 13 SCREW,C/RTRUSS 小ネジ十穴トラス M04X004(3カシロ) FE
30 H5275A 4 BOLT,HEXSOCKET ボルト六角穴 M03X008 FE
31 W1021A 4 WASHER,LOCK ワッシャスプリング 3M/M FE
32 W1040R 4 WASHER,FLAT ワッシャ平 3M/MX0.5X7(1W-3)(3カクロ) FE
33 XG01093 2 GUIDE,RAIL ガイドレール OT
34 H5273A 24 BOLT,HEXSOCKET ボルト六角穴 M03X005 FE
35 PM078X7 1 TABLE テーブル FE
36 H2094Z 5 PIN,PARALLEL ピン平行 ゚3X5Aシュ OT
37 PB82431 1 STOPPER ストッパ FE
38 H5274A 2 BOLT,HEXSOCKET ボルト六角穴 M03X006
FE
39 W1010A 2 WASHER,CONICAL ワッシャ皿 M-3-L FE
185
PTS-NXT2-04JE
Vol.3

TRAYUNIT-LTTOWER6/7
トレイユニット-LTタワー6/7
QK07D04
No. Drg.No.&CodeNo. QTY Description Rating
Materials
Remarks
番号 図番&コード番号 個数 品名 規格 材質 備考
40 PM03GD0 2 PIN,LOCATING ピン位置決め FE
41 H5506M 2 BOLT,HEXSOCKET ボルト六角穴 CBSS3-6 FE
42 W1010A 2 WASHER,CONICAL ワッシャ皿 M-3-L FE
43 PM03EG1 1 PLATE,RETAINING プレート押え FE
44 K5255T 2 SCREW,HEXSOCKETBUTTON 小ネジ六角穴ボタン M03X006 FE
45 W1010A 2 WASHER,CONICAL ワッシャ皿 M-3-L FE
46 PM04XZ2 2 BLOCK,LOCATING ブロック位置決め FE
47 H5275A 2 BOLT,HEXSOCKET ボルト六角穴 M03X008 FE
48 W1010A 2 WASHER,CONICAL ワッシャ皿 M-3-L FE
49 H2180Z 1 PIN,LOCATING ピン位置決め FLANA4-P4-B2-L9-T3 OT
49.1 H21800 1 PIN,LOCATING ピン位置決め FLAND4-P4-B2-L9-T3 OT
50 H2096H 4 PIN,PARALLEL ピン平行 ゚3X6Bシュ(ステンレス) OT
51 PM03ER1 1 STOPPER ストッパ FE
52 PM03EM2 1 LEVER,CLAMP レバークランプ FE
53 PM03EN0 1 PIN,PIVOT ピン支点 FE
54 H5506M 3 BOLT,HEXSOCKET ボルト六角穴 CBSS3-6 FE
55 S30212 1 SPRING スプリング WF5-25 OT
56 PB95351 1 HANDLE 取手 FE
57 H5274A 2 BOLT,HEXSOCKET ボルト六角穴 M03X006 FE
58 W1021A 2 WASHER,LOCK ワッシャスプリング 3M/M FE
59 PM03ED0 1 JOINT ジョイント AL
60 PM03DY0 1 BLOCK,STOPPER ブロックストッパ FE
61 H5288A 5 BOLT,HEXSOCKET ボルト六角穴 M04X010 FE
62 W1011A 5 WASHER,CONICAL ワッシャ皿 M-4-L FE
63 PM03CG5 1 PLATE,SIDE プレートサイド AL
64 H5274A 16 BOLT,HEXSOCKET ボルト六角穴 M03X006 FE
65 W1010A 16 WASHER,CONICAL ワッシャ皿 M-3-L FE
66 H2096H 8 PIN,PARALLEL ピン平行 ゚3X6Bシュ(ステンレス) FE
67 K11440 1 GUIDE ガイド SAR210 OT
68 K5357T 2 SCREW,HEXSOCKETCOUNTERSUNK 小ネジ六角穴皿 M03X008 FE
69 PB89022 1 BKT,WIRING BKT配線 FE
70 H5287A 2 BOLT,HEXSOCKET ボルト六角穴 M04X008ゼンネジ FE
71 W1022A 2 WASHER,LOCK ワッシャスプリング 4M/M FE
72 PJ16932 1 GUIDE,SIDE ガイドサイド PL
73 H5287A 3 BOLT,HEXSOCKET ボルト六角穴 M04X008ゼンネジ FE
74 W1011A 3 WASHER,CONICAL ワッシャ皿 M-4-L FE
75 PM03EE0 1 JOINT ジョイント AL
76 H5288A 7 BOLT,HEXSOCKET ボルト六角穴 M04X010 FE
186
PTS-NXT2-04JE
Vol.3