PTS-NXT2-04JE - 第915页
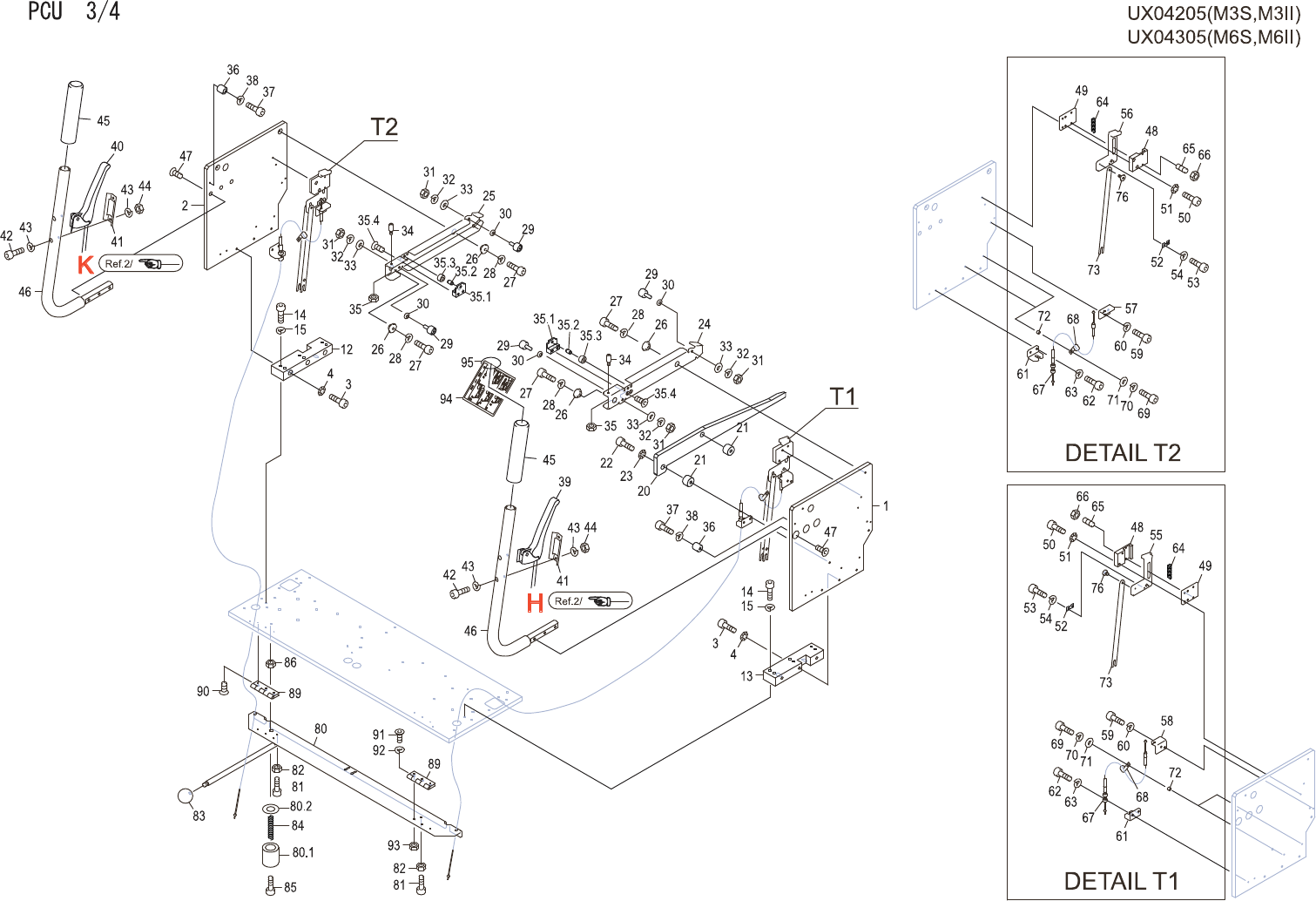
PCU3/4 UX04205(M3S,M3II) UX04305(M6S,M6II) No. Drg.No.&CodeNo. Q TY Description Rating Materials Remarks 番号 図番 &コード 番号 個数 品名 規格 材質 備考 1 PM02EY1 1 PLATE,ARM プレー トア ー ム AL 2 PM02EX1 1 PLATE,ARM プレー トア ー…

238
PTS-NXT2-04JE
Vol.3

PCU3/4
UX04205(M3S,M3II)
UX04305(M6S,M6II)
No. Drg.No.&CodeNo. QTY Description Rating
Materials
Remarks
番号 図番&コード番号 個数 品名 規格 材質 備考
1 PM02EY1 1 PLATE,ARM プレートアーム AL
2 PM02EX1 1 PLATE,ARM プレートアーム AL
3 H54274 6 BOLT,HEXSOCKET ボルト六角穴 M06X025(3カシロ) FE
4 W1013A 6 WASHER,CONICAL ワッシャ皿 M-6-H FE
12 PM08HL0 1 BLOCK ブロック AL
13 PM08HM0 1 BLOCK ブロック AL
14 H54276 6 BOLT,HEXSOCKET ボルト六角穴 M06X035(3カシロ) FE
15 W1106F 6 WASHER,LOCK ワッシャスプリング 6M/M(3カシロ) FE
20 PB03NR2 1 PLATE プレート FE
21 PM84322 2 COLLAR カラー FE
22 H54273 2 BOLT,HEXSOCKET ボルト六角穴 M06X022(3カシロ) FE
23 W1013A 2 WASHER,CONICAL ワッシャ皿 M-6-H FE
24 PB78013 1 ARM アーム FE
25 PB78023 1 ARM アーム FE
26 PM88101 4 PIN ピン FE
27 H5427D 4 BOLT,HEXSOCKET ボルト六角穴 M05X016(3カシロ) FE
28 W1106E 4 WASHER,LOCK ワッシャスプリング 5M/M(3カシロ) FE
29 K1113Z 4 CAMFOLLOWER カムフォロア CF06-A(TN32,TNW32) OT
30 W10877 4 WASHER ワッシャ WSSB12-6-3 OT
31 N1079K 4 NUT,HEX ナット六角 M06(3カシロ) FE
32 W1106F 4 WASHER,LOCK ワッシャスプリング 6M/M(3カシロ) FE
33 W1108F 4 WASHER,FLAT ワッシャ平 4W-6(3カシロ) FE
34 PM92191 2 PIN ピン FE
35 N1079Z 2 NUT,HEX ナット六角 M063シュ(3カシロ) FE
35.1 PM034K1 2 RETAINER,BEARING 押えベアリング FE
35.2 PM034H1 2 SHAFT シャフト FE
35.3 H42256 2 BEARING ベアリング RNAST5 OT
35.4 K5361T 4 SCREW,HEXSOCKETCOUNTERSUNK 小ネジ六角穴皿 M05X012 FE
36 S30180 2 STOPPER ストッパ AZXHC15-15-M4 OT
37 H5426N 2 BOLT,HEXSOCKET ボルト六角穴 M04X015(3カシロ) FE
38 W1106D 2 WASHER,LOCK ワッシャスプリング 4M/M(3カシロ) FE
39 AA5EZ01 1 LEVER レバー OT
40 AA5EY01 1 LEVER レバー OT
41 PB68502 2 RETAINER 押え FE
42 H5426M 4 BOLT,HEXSOCKET ボルト六角穴 M04X012(3カシロ) FE
43 W1106D 8 WASHER,LOCK ワッシャスプリング 4M/M(3カシロ) FE
44 N1079G 4 NUT,HEX ナット六角 M04(3カシロ) FE
45 N2117E 2 GRIP 握り C-57(02) OT
239
PTS-NXT2-04JE
Vol.3

PCU3/4
UX04205(M3S,M3II)
UX04305(M6S,M6II)
No. Drg.No.&CodeNo. QTY Description Rating
Materials
Remarks
番号 図番&コード番号 個数 品名 規格 材質 備考
46 PM008W2 2 HANDLE ハンドル FE
47 K53632 6 SCREW,HEXSOCKETCOUNTERSUNK 小ネジ六角穴皿 M08X020(3カシロ) FE
48 PM02EL0 2 GUIDE ガイド FE
49 PB77851 2 BKT BKT FE
50 H5426N 4 BOLT,HEXSOCKET ボルト六角穴 M04X015(3カシロ) FE
51 W1011A 4 WASHER,CONICAL ワッシャ皿 M-4-L FE
52 PB03KK0 2 PLATE プレート FE
53 H54251 4 BOLT,HEXSOCKET ボルト六角穴 M03X006(3カシロ) FE
54 W1106C 4 WASHER,LOCK ワッシャスプリング 3M/M(3カシロ) FE
55 PB003F0 1 STOPPER ストッパ FE
56 PB003E0 1 STOPPER ストッパ FE
57 PB82950 1 BKT BKT FE
58 PB83010 1 BKT BKT FE
59 H5426L 4 BOLT,HEXSOCKET ボルト六角穴 M04X010(3カシロ) FE
60 W1106D 4 WASHER,LOCK ワッシャスプリング 4M/M(3カシロ) FE
61 PB00FZ0 2 BKT BKT FE
62 H5426L 4 BOLT,HEXSOCKET ボルト六角穴 M04X010(3カシロ) FE
63 W1106D 4 WASHER,LOCK ワッシャスプリング 4M/M(3カシロ) FE
64 S3021G 2 SPRING スプリング WL5-40 OT
65 N4034F 2 SCREW,HEXSOCKETSET ネジ六角穴止め M04X015(3カシロ) FE
66 N1079X 2 NUT,HEX ナット六角 M043シュ(3カシロ) FE
67 XW00660 2 WIRE ワイヤ OT
68 A5039N 4 RETAINER,WIRING 押え配線 AL3 OT
69 K5180S 4 SCREW,C/RPAN 小ネジ十穴鍋 M04X012(3カシロ) FE
70 W1106D 4 WASHER,LOCK ワッシャスプリング 4M/M(3カシロ) FE
71 W1108S 4 WASHER,FLAT ワッシャ平 M4X0.8X9(1W-4)(3カシロ) FE
72 PM93242 4 COLLAR カラー FE
73 PB003D0 2 LINK リンク FE
76 PM07ZL0 2 PIN ピン FE
80 PM08HR0 1 LEVER レバー FE
80.1 PM08BC1 1 STOPPER ストッパ FE
80.2 PB00BE0 1 WASHER ワッシャ FE
81 H5426S 2 BOLT,HEXSOCKET ボルト六角穴 M04X018(3カシロ) FE
82 N1079G 2 NUT,HEX ナット六角 M04(3カシロ) FE
83 N21195 1 GRIP 握り PCA8-30 OT
84 S3253G 1 SPRING スプリング WT10-35 OT
85 H5428C 1 BOLT,HEXSOCKET ボルト六角穴 M06X060(3カシロ) FE
86 N1079K 1 NUT,HEX ナット六角 M06(3カシロ) FE
240
PTS-NXT2-04JE
Vol.3