PTS-NXT2-04JE - 第95页
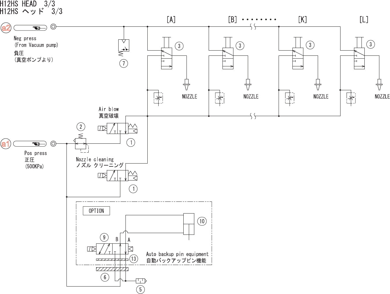
H12HSHEAD3/3 H12HS ヘッド 3/3 UH03019 No. Drg.No.&CodeNo. Q TY Description Rating Materials Remarks 番号 図番 &コード 番号 個数 品名 規格 材質 備考 1 XB03330 2 VALVE,SOL バルブ SO L OT 2 XB00763 1 VALVE,PRESSUREREDUCING バ…

Ref.BED
Ref.BED
a1
a2
UH03019
94
PTS-NXT2-04JE
Vol.1

H12HSHEAD3/3
H12HSヘッド3/3
UH03019
No. Drg.No.&CodeNo. QTY Description Rating
Materials
Remarks
番号 図番&コード番号 個数 品名 規格 材質 備考
1 XB03330 2 VALVE,SOL バルブSOL OT
2 XB00763 1 VALVE,PRESSUREREDUCING バルブ減圧 OT
3 XS03692 12 SPOOL スプール OT
5 S1058B 1 SILENCER サイレンサ AN120-M3 OT
6 H3176D 1 PLATE プレート SYJ3000-21-2A OT
7 XS00842 1 SENSOR,PRESSURE センサ圧力 OT
9 H1122D 1 VALVE,SOL バルブSOL SYJ3140-5M0U OT
10 XS01843 1 CYLINDER シリンダ OT
13 PJ06032 1 PLATE,ACRYLIC
プ
レート アクリル OT
95
PTS-NXT2-04JE
Vol.1

49
25
30
29
28
35
34
18
19
19.1
20
21
22
24
23
8
9
10
11
5
7
6
25.1
25.1
26
27
45
47
48
46
1
31
32
33
37
41
40
42
43
AA74A02
96
PTS-NXT2-04JE
Vol.1