KE-3010_SPE_JP - 第66页
61 7 制御系 7-1 制御 7-1-1 プログラムの保 存 KE - 3010/3 020V/30 20VR は、本 体内部の SSD に生産 プログ ラムを保 存しま す。 また、 USB ポ ートを使用する 事で外部 記憶装置への 保存も可能で す。 7-1-2 生産プログラム容量 1 回路当たり最大 実装点数 : 10,000 点 1 基板当たり最大 回路数 : マトリ ック ス回路 1200 回路 非マトリックス 回路 20…

60
6-8-3 設備仕様
項目 内容
供給電源
電圧 単相 AC 200V / 220V / 240V (±10%)
周波数 50/60 Hz
皮相電力 1.5 kVA
使用空気
空気圧 0.5±0.05 MPa ドライエア
最大空気消費量
150L/min (
標準状態
)
*
注
1
騒音 75 dB(A)以下 *注 2
クリーン度
クラス
10,000
以下
注 1: 標準状態:温度 20℃、絶対圧力 0.1MPa(=100kPa=1bar)、相対湿度 65%の空気の状態。
注 2: JIS Z 8731 に従い測定。
6-8-4 外形寸法
項目
搬送高さ
900mm
950mm
寸法
高さ
H
(シグナルライトあり)
1,955
2,005
高さ
H
(シグナルライトなし)
1,400
1,450
幅
W
696
奥行き
D
(機構部~ハンドル部)
1,160
カバーを開けたときの寸法
450
質量 約 340Kg
6-8-5 オプション
No.
名称
内容
1
ヒータ(工場出荷オプション)
突き上げユニットのヒータです。
2
グリップリング用パレット
4 / 5 / 6 / 8
インチ用をそれぞれ用意しています。
3
グリップリング
4 / 5 / 6 / 8
インチ用をそれぞれ用意しています。
*
注
1
4
ワッフルトレイ用パレット
2 / 4
インチ用をそれぞれ用意しています。
5
ニードル
ベアチップ突き上げ用。
6
コレット
ベアチップ吸着用。
大きさにあわせてそれぞれ用意しています。
7
スタッカ
追加用スタッカです。(パレットは別)
8
6
インチフラットリング用パレット
ウエハを直接取りつけるパレットです。
9
グリップリング張替え治具
ウエハをグリップリングに張りつける治具です。
10
ウエハアライメント治具
パレットにウエハを平行に取り付けるための治具です。
11
水準出し用治具パレット
装置の水準出し用パレットです。
注1:推奨メーカから購入の場合:株式会社 ウルトロニクス http://www.ultronics.co.jp/
メーカ型式 4インチ:GRP-2620-44 5インチ:GRP-2620-5
6インチ:UGR-6 8インチ:UGR-8

61
7
制御系
7-1 制御
7-1-1 プログラムの保存
KE-3010/3020V/3020VR は、本体内部の SSD に生産プログラムを保存します。
また、USB ポートを使用する事で外部記憶装置への保存も可能です。
7-1-2 生産プログラム容量
1 回路当たり最大実装点数 : 10,000 点
1 基板当たり最大回路数 : マトリックス回路 1200 回路
非マトリックス回路 200 回路
1 基板当たり最大実装点数 : 10,000 点
最大部品データ数 : マシンに装着可能な最大品種数
最大吸着データ数 : 同上
最大マーク登録数 : エリア・部品位置決めマーク 50 組。 BOC マーク 1 組(2~3 個)
7-2 生産モード
生産には、次の 3 つの生産モードがあります。
・基板生産
生産枚数を指定し、基板を実際に生産するモード。
・試打
テスト生産するためのモード。
吸着位置追尾と搭載後の搭載位置追尾が選択可能です。
・空打
部品を使用せず吸着搭載の動きを確認するモード。
吸着位置追尾と搭載位置追尾が選択可能です。

62
8
インターフェース
8-1 電気的インターフェース
8-1-1 電気信号の種類と意味
マシン本体と相手側機械に関わる電気信号の接続概念図を下図の「電気信号の接続概念図」に示します。
下図の中で、マシン本体と上流装置との間①②、及び下流装置との間③④の電気信号を以下に示します。
a) 電気信号①は搬出要求入力信号(または、ボードアベイラブルイン)と呼び、上流側装置からプリント基板の
搬出要求を受ける信号です。
b) 電気信号②は搬出許可出力信号(または、レディーアウト)と呼び、上流側装置に対しプリント基板を搬出
させる信号です。
c) 電気信号③は搬出要求出力信号(またはボードアベイラブルアウト)と呼び、下流側装置に対しプリント基
板の搬出を要求する信号です。
d) 電気信号④は搬出許可入力信号(または、レディーイン)と呼び、下流側装置からプリント基板の搬出許
可を受ける信号です。
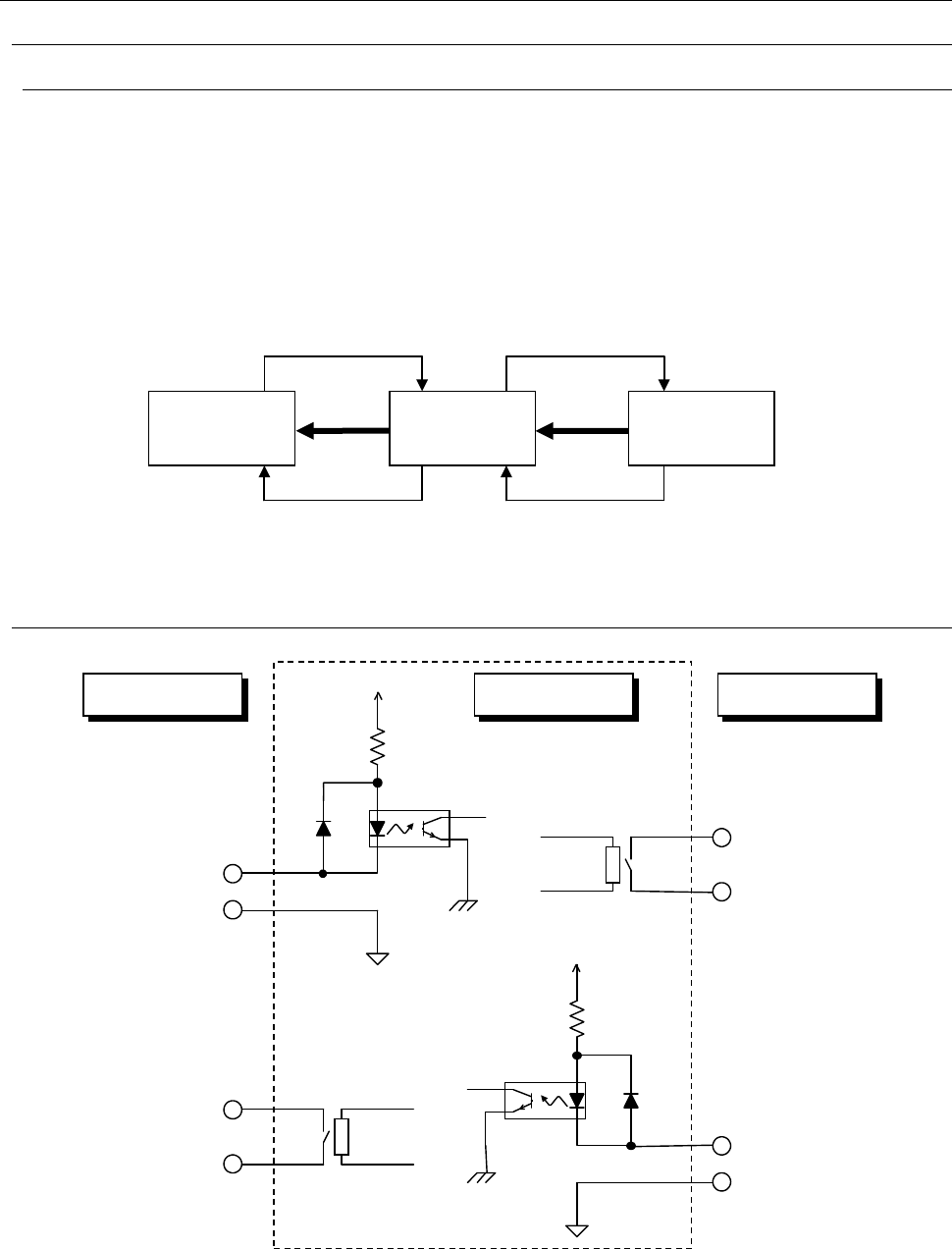
図 電気信号の接続概念図
8-2 入力および出力信号インターフェース
図 信号インターフェースと接続ターミナル
①
②
③
④
下流側装置
マシン本体
上流側装置
下流側装置
上流側装置
マシン本体
+24V
+24V
リレー接点
リレー接点
ピン番号:
1
搬出許可入力信号
ピン番号:
2
搬出許可信号コモン
ピン番号:
3
搬出要求出力信号
ピン番号:
4
搬出要求信号コモン
ピン番号:
1
搬出許可出力信号
ピン番号:
2
搬出許可信号コモン
ピン番号:
3
搬出要求入力信号
ピン番号:
4
搬出要求信号コモン