EJM8A-E-MP1-2 - 第17页
㪍㪄㪠 ၮ ᧼ 䉮䊮䊔䉝㪣 Bo ar d Con veyor L 䊌䊷䉿䊧䉟䉝䉡䊃 Ki t N o . 䉨䉾䊃 ຠ⇟ Kit N am e 䉨䉾䊃ฬ⒓ KXFX 036L A 00 䍜䍖䍚䍌䍻㪥㫆㪅 PARTS LAYOUT Section No. M101 --:(:.#

Ref
No.
Remarks
R
1
Q'ty
㪍㪄㪟
ၮ
᧼
䉮䊮䊔䉝㪣
Board Conveyor L
䍐䍵䍛䍢
㪥㫆㪅
Part No.
ຠ䇭䇭ฬຠ⇟ ᢙ㊂
R
2
䊌䊷䉿䊥䉴䊃
Kit N
o
.
䉨䉾䊃ຠ
⇟
Kit Name
䉨䉾䊃ฬ⒓
KXFX036LA00
Part Name
䇭䇭䇭⠨
䍜䍖䍚䍌䍻㪥㫆㪅
PARTS LIST
Section No.
R
3
BLOCK
8
1 KXFB02QEA00
BLOCK
8
2 KXFB02QFA00
CLAMPER
2
3 N210063864AA
GUIDE
2
4 N210063865AA
CLAMPER
2
5 N210063866AA
BRACKET
2
6 N210032462AA
JOINT
8
7 KXF02SSAA00 M-3ALU-4
AIR-CYLINDER
8
8 KXF0DLFAA00 MXPJ6-5-X23
SENSOR
1
9 KXF0DKVAA00 EX-13EA(DA 0DKVA)
JOINT
16
10 KXF02STAA00 M-3AU-4
JOINT
8
11 KXF09VMAA00 M-3UT
BOLT
16
12 KXF0ATMAA00 CBS4-8
SPACER
4
13 N510019915AA CB-406E
BOLT
8
14 N510026171AA SEH0410
M100
--:(:.#

㪍㪄㪠
ၮ
᧼
䉮䊮䊔䉝㪣
Board Conveyor L
䊌䊷䉿䊧䉟䉝䉡䊃
Ki
t
N
o
.
䉨䉾䊃
ຠ⇟
Kit Name
䉨䉾䊃ฬ⒓
KXFX036LA00
䍜䍖䍚䍌䍻㪥㫆㪅
PARTS LAYOUT
Section No.
M101
--:(:.#

Ref
No.
Remarks
R
1
Q'ty
㪍㪄㪠
ၮ
᧼
䉮䊮䊔䉝㪣
Board Conveyor L
䍐䍵䍛䍢
㪥㫆㪅
Part No.
ຠ䇭䇭ฬຠ⇟ ᢙ㊂
R
2
䊌䊷䉿䊥䉴䊃
Kit N
o
.
䉨䉾䊃ຠ
⇟
Kit Name
䉨䉾䊃ฬ⒓
KXFX036LA00
Part Name
䇭䇭䇭⠨
䍜䍖䍚䍌䍻㪥㫆㪅
PARTS LIST
Section No.
R
3
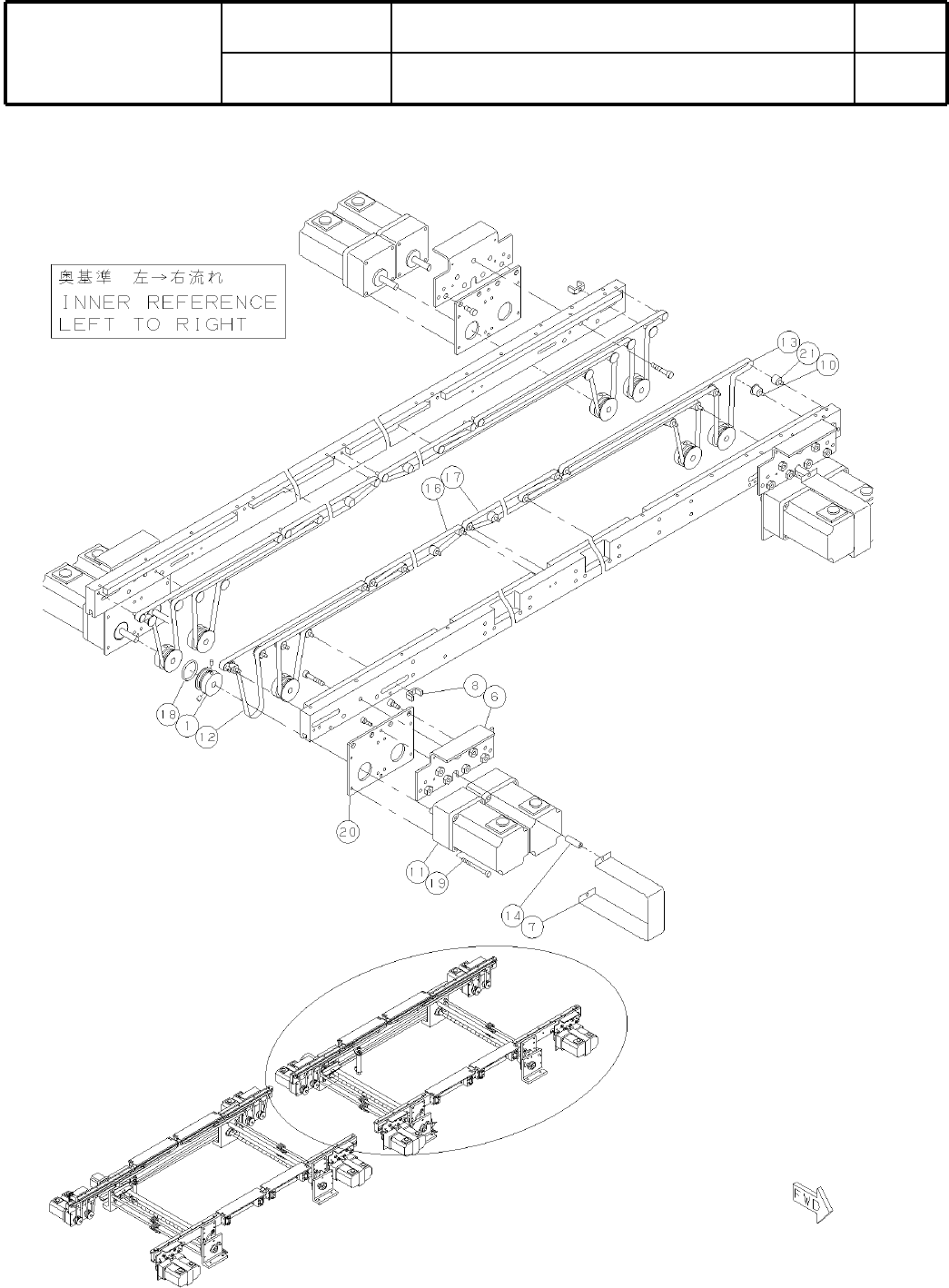
PULLEY
8
1 KXFB02QLB00
BRACKET
4
6 KXFB02QQB01
BRACKET
2
7 KXFB0EMSA00
NUT
8
8 KXFB02U4A00
CAM-FOLLOWER
16
10 N510002167AA U-AS5-49
MOTOR
8
11 N510048981AA
S
K0354-F2M-K1
BELT
2
12 KXF0DKCAA00
A
XVT-952(DA 0DKCA)
BELT
2
13 KXF0DKDAA00
A
XVT-952(DA 0DKDA)
SPACER
2
14 N510017101AA CB-425E
BELT
2
16 KXF0DKEAA00
A
XVT-952(DA 0DKEA)
BELT
2
17 KXF0DKFAA00
A
XVT-952(DA 0DKFA)
RING
8
18 N210088855AA
BOLT
32
19 N510017368AA
Hexagon socket head cap screw M4X45-10.9 A2J (Trivalent)
PLATE
4
20 N210006519AA
PULLEY
24
21 N510010794AA MB054000
M102
--:(:.#