00192727-05 - 第60页
保養手冊 預防保養手冊 HS 9 每四個月保養工作 DLM1 取置頭 / 僅限 HS-50 03/2003 版 60

預防保養手冊 HS 保養手冊
03/2003 版 9 每四個月保養工作 DLM1 取置頭 / 僅限 HS-50
59
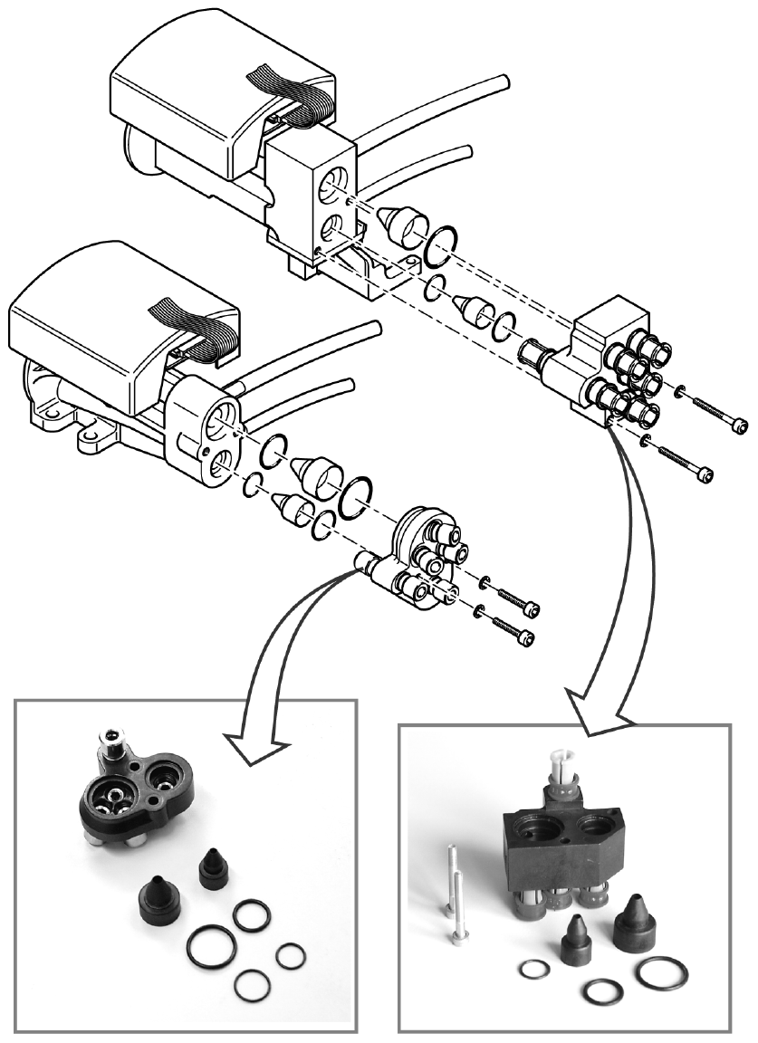
真空產生器 9
拆開真空產生器的軟管。
( 使用 DLM 1 及 DLM 1-6 取置頭專用的維修工具箱中的鉗子 )。 9
9
9
9
9
建議您在拆開壓縮空氣軟管前,在軟管上貼上標籤或加以標示。 9
DLM1 取置頭的軟管已經有標示,並且已經固定指定連接部位。 9
9
使用 2.5 mm 的內六角螺絲起子拆開有 2 個文氏吸嘴的本體。

保養手冊 預防保養手冊 HS
9 每四個月保養工作 DLM1 取置頭 / 僅限 HS-50 03/2003 版
60
預防保養手冊 HS 保養手冊
03/2003 版 9 每四個月保養工作 DLM1 取置頭 / 僅限 HS-50
61
○ 用無棉絮清潔布沾乙醇小心清潔文氏吸嘴。
○ 用壓縮空氣徹底吹乾。
○ 塗抹一點 Unisilkon L250L 來潤滑真空產生器的 O 形環。
9
○ 用羊毛球沾乙醇清潔真空產生器本體,並用壓縮空氣徹底吹乾。
9
○ 將清潔過的真空產生器零件放在乾淨的表面上。